Занимательная электроника. Нешаблонная энциклопедия полезных схем - Страница 8
На рисунке 1.19 показана блок-схема, построенная по принципу эхолота. Это морской прибор, замеряющий глубину и расстояние в воде до других объектов.
1.5. Электронный информатор о наличии новой корреспонденции в почтовом ящике
Мы по привычке периодически заглядываем в почтовый ящик. Однако процесс проверки почты можно автоматизировать с помощью электроники.
В морском эхолоте излучением являются звуковые колебания с различной длиной волны.
В радиолюбительской технологии построение такого чувствительного прибора достаточно усложнено. Применение оптических датчиков, напротив, не сопряжено с большими затратами, и схемы на их основе могут быть реализованы в лаборатории радиолюбителя.
Монтажная плата с элементами устройства находится в пластмассовом корпусе, например от элементов питания к китайской игрушке (для этого подходит любой корпус размером 30x60x20 мм). Его можно прикрепить клеем «Супермомент-гель» так, чтобы он надежно зафиксировался на дне почтового ящика (вариант подходит как для деревянного исполнения почтового ящика, так и для металлического).
Вне корпуса– только датчик U1, светодиод HL1 и геркон SF1. Светодиод закрепляется на внешней стенке корпуса почтового ящика.
Отражатель и приемник сигнала – один прибор – оптопара U1. Она аккуратно тем же клеем закрепляется на одной из внутренних стенок ящика так, чтобы рабочие поверхности прибора («окно») были направлены на противоположную внутреннюю стенку ящика.
Буквально одна капля клея с тыльной стороны наносится на керамический корпус оптопары, затем оптопара прижимается к стенке ящика. При этом нужно следить, чтобы клей не попал на рабочую поверхность оптрона.
Напротив чувствительной поверхности оптопары, на противоположной внутренней стенке ящика, тем же клеем фиксируется отрезок зеркала для отражения сигнала оптопары размером 60x40 мм.
Геркон с группой контактов на замыкание (типа КЭМ-1) монтируется тем же клеем на внутреннюю сторону корпуса почтового ящика так, чтобы магнит, закрепленный напротив геркона на подвижной крышке ящика, при закрытой крышке (совмещении) оказывал четкое влияние на геркон своим магнитным полем. Тогда при закрытой крышке контакты геркона SF1 будут нормально замкнуты, а при открывании крышки ящика (для забора почты) – размыкаться.
Благодаря этому узлу устройство будет переустанавливаться в исходное состояние каждый раз при открывании почтового ящика. Таким образом, для вмонтирования предлагаемого устройства разбирать почтовый ящик нет необходимости.
Принцип действия устройства следующий (рис. 1.19): от передатчика сигналов луч уходит в пространство. В плоскости параллельно передатчику расположены фотоприемники, также обращенные в пространство.
При отсутствии объекта – почтовой корреспонденции – энергия, излучаемая светодиодом, попадает на зеркальную поверхность, отражается от нее и затем попадает на чувствительную поверхность фотоприемников.
При появлении бумажной и любой незеркальной корреспонденции в почтовом ящике световой сигнал не отражается, а поглощается новым предметом (почтой).
Отраженный сигнал не улавливается фотоприемниками, вследствие этого на управляющую схему поступает импульс.
Практикой установлено, что устройство может эффективно реагировать на расстоянии до отражающего объекта до 25 см.
Почтовый ящик имеет ширину не более 80 мм, поэтому данный узел работает стабильно. Конструкция почтового ящика защищает рабочую поверхность оптопары от внешнего светового воздействия
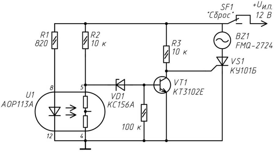
По такому принципу реализован специальный датчик отражения сигнала (электрическая схема рис. 1.20).
Оптопары АОР113А и АОРС113А, которые можно взаимно заменять с учетом разной цоколевки выводов,
представляют собой позиционно чувствительные устройства, содержащие излучатель и дифференциальный фоторезистор (с отводом от средней точки), помещенные в один керамико-металлостеклянный корпус с прозрачным окном для вывода генерируемого и приема отраженного излучений.
АОРС113А имеет в своем корпусе два однотипных прибора типа АОР113А.
Позиционная чувствительность при номинальном входном токе управления Iвх = 10 мА и напряжении на фоторезисторе 10 В– не менее 2 мкА/мкм. АОР113А контролирует одну координату, а АОРС113А, соответственно, две.
Предельный входной ток каждой оптопары /вх max = 20 мА. Входное напряжение Uвх max = 20 В. Диапазон рабочей температуры 1-50 °C.
Оптопары можно подключать параллельно, соответственно, параллельно включаются излучающие диоды и фотоприемники, что обеспечивает большую по сравнению с классическим включением, чувствительность и позволяет контролировать большую площадь поверхности.

Рис. 1.20. Электрическая схема устройства
В основе схемы – популярная микросхема КР1006ВИ1.
Она включена несколько нестандартно, относительно классического стиля. Однако такой подход позволил упростить схему и оставить ее без каких-либо коммутационных узлов. Мощный выход микросхемы позволяет подключать в виде нагрузки другие узлы с током потребления до 200 мА. Устройство является защелкивающимся, и в нем предусмотрен сброс в исходное состояние.
Излучающий светодиод оптопары подключен к питанию постоянно. Пока на приемные фоторезисторы оптопары U1 приходит отраженный от зеркальной поверхности сигнал, на выходе (вывод 3 DA1) – низкий уровень. Светодиод не активен.
Как только фоторезисторы оптопары перестают принимать отраженный световой поток излучающего диода U1, сопротивление фоторезисторов оптопары многократно увеличивается, импульс проходит через оксидный конденсатор С1 и запускается микросхема DA1. Вход 2 является очень чувствительным даже для малых изменений входного напряжения. Эта чувствительность может корректироваться переменным резистором R2. Внутренний триггер микросхемы перебрасывается в другое устойчивое состояние, и на выводе 3 оказывается высокий уровень напряжения. Он является разрешением на работу светодиода HL1.
Высокий уровень на выходе микросхемы DA1 сохраняется до тех пор, пока не будет (хотя бы кратковременно) разорвана цепь питания устройства или не разомкнуты контакты геркона SF1.
Также при подаче низкого уровня на вывод 4 DA1 на выходе микросхемы устанавливается исходный низкий уровень напряжения.
Устройство в налаживании не нуждается. Особенность оконечного узла устройства – в блокировке состояния.
Благодаря применению в устройстве таймера КР1006ВИ1 впоследствии, даже если начальное состояние датчика оптопары будет восстановлено (в контролируемой зоне исчезнет почтовый предмет, например, будет вытащен из ящика кем-то за уголок), светодиод активен до тех пор, пока не будет разорвана цепь питания устройства герконом SF1. Вместо светодиода можно включить зуммер (например, FMQ-2015B, FMQ-2724). Тогда ток потребления узла незначительно возрастет, но прибавится звуковая сигнализация.
О деталях и монтаже. Все постоянные резисторы – типа МЛТ-0,25. Неполярные конденсаторы – КМ6Б.
Переменный резистор – R1 типа СПО-1 или аналогичный.
Геркон – SF1 (КЭМ-1, КЭМ-2 или любой другой с контактами на замыкание).
Светодиод HL1– мигающий, может быть заменен на L816BRSC-B, L-56DGD или любой аналогичный. Источник питания стабилизированный, трансформаторный, рассчитанный на ток не менее 0,1 А.
Из-за применения современной элементной базы ток потребления очень мал – он составляет 3–4 мА в режиме ожидания и 12–15 мА – в режиме световой индикации, поэтому для питания устройства можно использовать автономное питание (батарейки, аккумуляторы).
Напряжение питания устройства может находиться в диапазоне 6-15 В.
В схеме, с небольшой доработкой, можно применять диодную оптопару с открытым оптическим каналом отражательного типа АОД111А. Однако этот тип имеет худшие, по сравнению с АОРС113А, характеристики. Для обеспечения высокой чувствительности (с АОД111А) необходимо усилить входные каскады схемы.