Занимательная электроника. Нешаблонная энциклопедия полезных схем - Страница 7
На рисунке 1.17 показана общая блок-схема взаимодействия устройств. Как правило, устройства видеоконтроля помещений состоят из видеодатчика (электронного глазка), видеоусилителя и монитора.

Рис. 1.17. Блок-схема взаимодействия устройств при появления в зоне ответственности объекта
Устройства контроля звукового пространства (шума) состоят из высокочувствительных звуковых микрофонов, усилителей с большим коэффициентом усиления и оконечных УНЧ, замыкающихся на динамические головки.
В обоих случаях (и аудио-, и видеоконтроля) необходимо присутствие человека-оператора, который наблюдает за монитором, динамиками, таким образом контролируя охраняемую зону. Иметь такого работника-охранника, который занимается только этим вопросом, я считаю не эффективным.
Поэтому было разработано специальное устройство, автоматически включающее приборы отображения информации (мониторы и усилители) при нарушении внешних параметров контролируемой зоны. При включении монитора устройство автоматики (блок управления) издает короткий звуковой сигнал для привлечения внимания находящегося по близости человека.
После установки этого прибора удалось сократить финансирование одного охранника, а небольшие дополнительные функции реагирования на аудио-, видеодатчики можно поручить секретарю. На самом деле это лишь один вариант применения схемы автоматического блока управления.
На практике вариантов всегда несколько, но одно неоспоримо – никому не нужно все время сидеть и наблюдать за монитором – он включится по необходимости сам.
Устройство может применяться как в частных домах (жилых помещениях), так и на промышленном (коммерческом) производстве. В коммерческих и производственных структурах физическая охрана, возможно, более оправданна, так как экономить на охране, если есть что охранять, чревато. А в домашних условиях такая схема показала себя весьма эффективной, удобной и не требует к себе практически внимания.
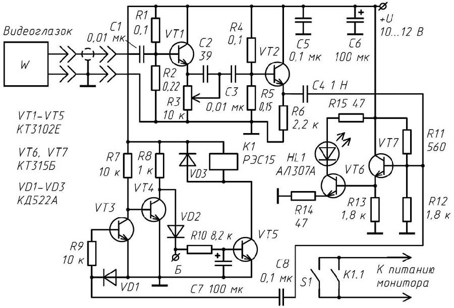
На рисунке 1.18 показана электрическая схема автоматического включения устройств отображения видеосигнала при импульсе с контролируемого объекта.
Устройство стабильно работает, обеспечивая автоматический аудио-видеоконтроль помещения перед входной дверью квартиры. Рассмотрим вариант видеоконтроля (рис. 1.18). С промышленного «видеоглазка», установленного в торце квартирной двери (см. блок-схему на рис. 1.17), который включен постоянно, любым экранированным кабелем (можно применять и РК-75) видеосигнал поступает на видеоусилитель, модулятор и далее – на видеодетектор, который включает реле К1 при изменениях видеосигнала.

Рис. 1.18. Электрическая схема автоматического включения устройства
Видеоусилитель имеет регулировку усиления на переменном резисторе R3, который следует подобрать с линейной характеристикой.
Транзисторы VT1-VT5 с большим коэффициентом усиления можно заменить на КТ373А,Б, КТ342В, КТ3102Б. Усилитель работоспособен при колебаниях напряжения питания 9-12 В. Режимы смещения транзисторов VT1 и VT2 следует установить так, чтобы на базе VT1 уровень напряжения был 5,5 (±5 %) В, на его эмиттере – 5 В, на базе VT2 напряжение 4,5 В, на эмиттере– 3,8 В (±5 %).
Видеоусилитель можно исключить из схемы, если уровень выходного сигнала с видеодатчика находится в пределах 0,8–1 В.
Точка А в схеме является входом индикатора модуляции на транзисторах VT6, VT7 и входом детектора видеосигнала.
Транзисторы VT6, VT7 можно заменить на КТ312А-В. Уровень чувствительности схемы выбран таким, что светодиод HL1 сигнализирует о наличии модуляции – изменения в общем фоне видеосигнала.
Видеодетектор на транзисторах VT3-VT5 управляет реле и монитором в зависимости от видеосигнала на входе (точка А). Поступающие импульсы открывают транзистор VT3 и запирают транзистор VT4.
На RC-цепочку задержки, реализованную на элементах R1 °C7, проходит постоянная составляющая напряжения, конденсатор C7 быстро заряжается, создается напряжение прямого смещения на базе транзистора VT5, он открывается и коммутирует реле. Диод VD3 служит препятствием бросков обратного напряжения и устраняет дребезг контактов реле. Когда активные видеоимпульсы в точке А пропадают и транзистор VT4 открывается, реле остается включенным, пока не разрядится конденсатор C7. Так обеспечивается задержка времени выключения монитора.
При указанных на схеме номиналах C7 и R10 и напряжении питания +12 В задержка выключения монитора составит примерно 1,5 минуты. Задержка времени выключения монитора необходима для более эффективного контроля. Переключателем S1 можно вручную установить режим работы монитора постоянным.
Конденсаторы C5, C6 фильтруют помехи по питанию. В качестве реле К1 используется любое маломощное реле на напряжение срабатывания 10–12 В с двумя группами контактов или два реле типа РЭС 15, РЭС10, РЭС55 (на напряжение питания 10–12 В), включенные параллельно. Первой группой контактов К1.1 замыкается цепь питания видеомонитора. Второй группой контактов К1.2 управляется схема дополнительного устройства, к примеру, кратковременного звукового сигнала.
Одновременно с включением видеомонитора устройство издает кратковременный звуковой сигнал на 2–3 с для привлечения внимания людей к ситуации. Достоинством схемы, кроме описанных выше, можно назвать реальную экономию ресурса монитора. Недостатком такого схемного решения является необходимость постоянного освещения контролируемой зоны, для того чтобы видеодатчик эффективно реагировал на изменения в пространстве.
Если достаточно только видеоконтроля, схему акустического автомата можно исключить. Однако следует иметь в виду, что она будет незаменимой в той ситуации, когда обеспечить освещенность контролируемого участка для нормальной работы видеодатчика не представляется возможным.
Как вариант, в другом исполнении, в качестве исполнительного элемента-нагрузки к устройству аудиодетектора и задержки выключения можно подключить саму лампу освещения лестничной клетки. Тогда можно эффективно экономить свет и ресурс лампы освещения – ведь она будет загораться и автоматически гаснуть, только когда на лестничную клетку зайдут люди, нарушив нейтральный звуковой фон.
Устройство не содержит дорогих или дефицитных деталей, не требует настройки и при правильном монтаже начинает работать сразу. Схемы задержки выключения монитора и кратковременного звукового сигнала подробно описаны в радиолюбительской литературе, в том числе автором, и имеют известные принципы работы.
Каждый радиолюбитель способен повторить и даже расширить предлагаемый вариант автоматического помощника, сигнализирующего световым сигналом о наличии в почтовом ящике какой-либо корреспонденции. Теперь, после сборки этого устройства, нет необходимости заглядывать в почтовый ящик постоянно, а только тогда, когда установленный на его корпусе мигающий светодиод сигнализирует о том, что в ящике что-то есть. При наличии любой почтовой корреспонденции светодиод будет периодически включаться (мигать) и привлекать внимание.
При изъятии почтовой корреспонденции устройство автоматически переходит в исходное состояние ожидания. Устройство может быть полезно везде, где есть почтовые ящики.
Такое устройство пока не способно бороться с многочисленными печатными листовками и рекламой, ежедневно засоряющими наши ящики. Устройство-сигнализатор будет реагировать на любую корреспонденцию в почтовом ящике. Но, вероятно, создание устройства, которое автоматически определяло бы фактуру бумаги и отличало листовки от газет, журналов и писем, не за горами.

Рис. 1.18. Блок схема, иллюстрирующая работу устройства