Занимательная электроника. Нешаблонная энциклопедия полезных схем - Страница 26
2.6. Устройство для фильтрации питьевой или аквариумной воды
В аквариумы необходимо периодически подавать воздух и осуществлять фильтрацию воды. На моей практике только самые живучие из семейства карповых – караси смогли жить три года в аквариуме, установленном в деревенском доме без фильтрации воды и принудительной подачи воздуха; они только «похудели». Все остальные, особенно декоративные теплолюбивые рыбы, привыкли жить в комфортных условиях, организованных пусть даже и в неволе. Однако нет необходимости в постоянной работе фильтров. Это устройство предназначено для автоматического управления фильтром-компрессором в аквариумах.
Полный цикл работы устройства составляет 3 световых дня.
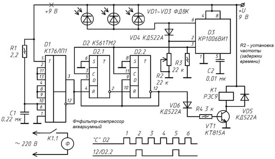
Рассмотрим работу электрической схемы (рис. 2.23).

Рис. 2.23. Электрическая схема устройства
Солнечный свет попадает на фотодиоды VD1-VD3, обращенные к окну и защищенные от воздействия электрического света, исходящего из помещения. Формирователь импульсов на микросхеме D3 выдает на выходе (вывод 3) напряжение высокого логического уровня.
Этот положительный импульс длительностью один световой день поступает на вход схемы делителя на 3, реализованной на микросхеме D2. Таким образом, компрессор-фильтр (нагрузка) находится в активном (включенном) состоянии один световой день из трех. Это позволяет полностью автоматизировать функцию фильтрации и подачи воздуха в аквариум и экономить ресурс фильтра-компрессора.
На миросхеме D1 собран электронный узел автоматического обнуления делителя импульсов. При подаче питания на схему на выходе D1 формируется импульс сброса с большой длительностью и крутым фронтом (сигнал логической «1»), который после заряда оксидного конденсатора С1 перейдет в состояние «0».
На логической микросхеме D1 К176ЛП1 реализован триггер Шмитта. Пороги включения и отключения триггера соответственно +6 и +3 В.
Как только произойдет обнуление, счетчик на микросхеме D2 начнет считать импульсы, поступающие на входы С. Триггеры микросхемы К561ТМ2 переключаются по положительному перепаду на тактовом входе С.
В первый момент времени на выходе элемента D2.2 низкий логический уровень. Второй пришедший импульс перебрасывает выход триггера (вывод 12 D2) с «нулевого» логического состояния в «единицу».
После того как счетчик внутри микросхемы D2 досчитает до 3, на ее выходе (микросхемы D2) снова установится низкий логический уровень, и все повторяется снова циклически (см. диаграмму внизу рис. 2.23).
Выход делителя подключен к усилителю тока, реализованному на транзисторном ключе VT1. Этот ключ – усилитель тока управляет реле К1, которое срабатывает от приложенного напряжения 10–12 В. Реле коммутирует нагрузку – компрессор-фильтр в цепи осветительной сети 220 В.
О настройке, деталях и особенностях устройства.
Устройство, реализованное на цифровых микросхемах и популярном таймере, не требует настройки.
Переменный резистор R2 регулирует оптическую чувствительность.
Применение 3 фотодиодов, подключенных параллельно, обеспечивает стабильную работу устройства в любых (городских или сельских) условиях.
Вместо фотодиодов типа ФД8К можно применить один фоторезистор ФСК-1 или СФЗ-3. Со стороны жилого помещения необходимо оптически изолировать фотодатчики от искусственного освещения.
Глава 3
Электронные устройства-помощники из готовых конструкций
В главе приведены практические рекомендации простого ремонта и усовершенствования, некоторые готовых конструкций.
3.1. Как быстро восстановить аналоговые мультиметры 7001, 7002 и YX-360TRD после их типичной неисправности
Небольшие по размеру, компактные стрелочные (аналоговые) мультиметры, несмотря на распространенность цифровых мультиметров с 7-сегментным жидкокристаллическим индикатором (ЖКИ), до сих пор пользуются популярностью у радиолюбителей. Причем, набравшись смелости, можно сказать, что приверженцев радиотехнических измерений с помощью стрелочных тестеров становится все больше. Причины ясны и лежат, что называется, на поверхности явления: стрелочный прибор лучше подходит для визуального наблюдения изменения параметров, к примеру, меняющегося уровня напряжения, в то время как цифровой (в зависимости от модели и производителя) не может оперативно представлять относительно точно динамику изменения напряжения в цифрах на дисплее. Разумеется, есть очень качественные и профессиональные цифровые мультиметры или даже осциллографы в компактном исполнении, с помощью которых эта задача динамического контроля параметров вполне решаема. Но в книге речь пойдет не о них, а о доступных обычных радиолюбителю (по цене) мультиметров «бюджетного» диапазоне – до 1000 рублей.
Среди таких приборов сегодня, на мой взгляд, особой популярностью пользуются несколько: это стрелочные тестеры 7001 и 7002 и прибор YX-360TRD (все эти модели показаны на рисунках 3.1 и 3.2).

Рис. 3.1. Внешний вид мультиметра YX-360TRD

Рис. 3.2. Внешний вид аналоговых мультиметров 7001 и 7002
Все они обеспечивают сопоставимо один и тот же набор функций измерения параметров – постоянного и переменного тока, постоянного и переменного напряжения, сопротивлений электрическому току, имеют нейтральное положение переключателя «off», препятствующее самопроизвольному разряду элементов питания. Причем устройства YX-360TRD и 7001 имеют такую особенность: у щупов нет разъемов, то есть они постоянно подключены в корпусе прибора к измерительной схеме. 7001 и 7002 имеют один элемент питания типа АА, а YX-360TRD – два элемента, включенные последовательно; эквивалентное напряжение – 3 В.
Такая конструкция имеет как положительные, так и отрицательные качества (особенности). Также из различий можно отметить то, что тестер YX-360TRD рассчитан также и на измерение емкости в диапазоне 0– 10 мкФ (проверку конденсаторов), а аналоговые тестеры 7001 и 7002 имеют свою особенность в сравнении с YX-360TRD – они могут быстро индицировать по специальной шкале уровень заряда аккумулятора (1,2 В и 9 В) или «годность» элемента (батареи напряжением 1,5 В и 9 В – нижняя шкала на рисунке 3.2), что также является удобной функцией, когда надо быстро отбраковать вышедшие из строя элементы или установить на новый зарядной цикл аккумуляторы, нуждающиеся в оном. На рисунке 3.3 представлен вид с открытым корпусом тестера YX-360TRD. На рисунке 3.4 тот же вид для устройства 7001.

Рис. 3.3. Вид с открытым корпусом тестера YX-360TRD

Рис. 3.4. Вид с открытым корпусом тестера 7001
По целому ряду характеристик это непритязательные, портативные инструменты для использования дома, на производстве, в автомобиле и везде, где есть электричество (есть что измерить).
Отличительная особенность этих приборов – малый вес, безопасность от сотрясения (модели 7001 и YX-360TRD «спрятаны» в особый, дополнительный корпус, предохраняющий от возможных ударов, падений) и компактные размеры, благодаря которым их и окрестили карманными.
Вышеперечисленные приборы-помощники радиолюбителя разработаны однотипно; отличия между ними незначительные, поэтому, возможно, и причина выхода из строя одна и та же. Об этом – главном – направлении моей статьи и пойдет речь далее.