Юный техник, 2006 № 09 - Страница 14
В контрольном устройстве можно использовать резисторы МЛТ-0,125, а на месте VD1 другие сместительные СВЧ-диоды, способные работать на частотах выше 1000 мегагерц. При этом для повышения чувствительности прибора целесообразно подобрать номинал резистора R1. Источником питания устройства может служить малогабаритная батарейка типа «Кроны».
* * *

— Ты человек с узкими интересами, — сказал Петя. — Быть радиолюбителем, торчать всю жизнь возле радиоприемников…
— Радио — узкая специальность? А знаешь ли ты, что радиотехника сейчас всюду? В любой статье журнала я ее найду.
— Спорим! Если ты окажешься прав, я тоже стану радиолюбителем.
* * *
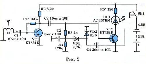
У устройства, изображенного на рисунке 2, своя, не менее важная функция.
Вы знаете, в недалеком прошлом тишину эфира нарушали лишь разряды молнии. Сейчас радиостанции, промышленные установки, линии электропередачи постоянно излучают в эфир свои сигналы. И хотя они не так опасны, как СВЧ-излучение, от неисправной микроволновки все же лучше, по возможности, держаться подальше.
Особенно важно знать электромагнитную обстановку при перемене места жительства, покупке новой квартиры. В таком случае полезно при помощи одного и того же прибора сравнить мощность радиоизлучений в том месте, где вы живете в данный момент, и там, где собираетесь жить.
В индикаторе электромагнитных полей приемником низкочастотных колебаний служит магнитная антенна WA1, представляющая собой многовитковую катушку L1 с коротким ферритовым стержнем внутри. Наводимый полем сигнал усиливается транзистором VT1 и подается далее на умножитель напряжения и выпрямитель, собранный на транзисторе VT2, диодах VD1, VD2 и конденсаторе С4. При достаточно сильном сигнале его постоянная составляющая, имеющая отрицательную полярность, отпирает транзистор VT2, заставляя светиться светодиоды HL1; это укажет, что прибор находится в зоне интенсивного электромагнитного излучения.
Проверить работу прибора можно, поднеся антенну WA1 к звучащему электромагнитному звонку телефона либо к включенной вибрационной электробритве на расстоянии порядка 10 см. Тот же сигнал индикатора, вызванный излучением, укажет на потенциальную опасность последнего. Направление на него можно определить, пользуясь свойством направленного приема антенны WA1. Ее катушка L1 должна содержать порядка 2000 витков провода ПЭЛШО-0,12, намотанных между картонными щечками, отстоящими друг от друга на 25 мм. Щечки приклеивают к трубке из плотной бумаги, внутрь которой вставлен стерженек из феррита 600 НН длиной 25 и диаметром 8 мм.
Для питания прибора можно использовать три последовательно включенных гальванических элемента типоразмера «ААА». Цоколевка (расположение выводов) упоминаемых в статье микросхемы и транзисторов приведена на рисунке 3.

Заметим, что выводы базы, коллектора и эмиттера у транзисторов серий КТ315 и КТ361 расположены одинаково, но они имеют разный тип проводимости (n-p-n у КТ315 и p-n-p у КТ361); обозначение группы «Б» у серии КТ315 располагается сбоку широкой грани корпуса, а у КТ361 — посередине.
Ю. ПРОКОПЦЕВ
* * *

— Сдавайся! — торжествующе воскликнул Верхоглядкин на деревообделочном заводе. — Где радио?
За Дотошкина ответил мастер завода:
— Как же, мы сушим древесину с помощью радио! — И он показал ошеломленному Верхоглядкину простейшую схему высокочастотной электросушилки.
ЧИТАТЕЛЬСКИЙ КЛУБ

Вопрос — ответ
Кто первым придумал передавать электроток по проводам?
Виктор Самохвалов,
г. Смоленск
Говорят, первым случаем передачи электричества на расстояние считается эксперимент, проведенный в середине XVII века во Франции аббатом Жаном-Антуаном Нолле. По его указанию 200 монахов Картезианского монастыря взялись за руки, составив шеренгу длиной около мили. И когда аббат разрядил на первого в шеренге электрозаряд лейденской банки — первого в мире конденсатора, — самый сильный удар почувствовал последний монах.
В промышленности передачу электроэнергии по проводам начали осуществлять в 90-х годах XIX века. Сначала эксперименты велись с постоянным током, но потери при этом достигали 75 %. Так что пришлось перейти к току переменному. Уже первая линия электропередачи трехфазного переменного тока, начавшая действовать в 1891 году на территории США, позволила снизить потери до 25 %.
Насколько часто люди видят НЛО?
Аркадий Семенцов,
г. Воронеж
Это как кому повезет. В частности, говорят, что именно в Воронеже наблюдатели фиксируют «летающие тарелки» наиболее часто. Или, быть может, здесь живут люди с наиболее богатой фантазией?..
Ну, а если серьезно, то всемирно известный писатель-фантаст Артур Кларк утверждает, что видел НЛО за свою жизнь несколько десятков раз. Однако всякий раз, подумав, находил увиденному вполне прозаичное объяснение. По его словам, наиболее часто за НЛО люди принимают Венеру, пролетающие самолеты и спутники, редкие оптико-атмосферные явления…
«Представьте себе, что мог бы подумать человек, впервые увидевший радугу, — пишет он. — Геометрически правильная, разноцветная дуга наверняка должна была бы вызвать у него мысль об ее искусственном происхождении. Однако с раннего детства все мы видим радугу достаточно часто, знаем, как она получается, а потому и не выдвигаем подобных гипотез.
Аналогичные объяснения в подавляющем большинстве случаев можно найти и для других, более редких, атмосферных или иных явлений. Нужно только не лениться и подумать хорошенько. Пока мне это удавалось, а потому я и не верю ни в какие «летающие тарелки»…
Не знаете ли вы. что такое «буккроссинг»?
Наталья Смирнова,
г. Вышний Волочек
На Западе, прежде всего в США, этим термином обозначают новомодное веяние, главную идею которого можно, пожалуй, выразить так: «Прочитал книгу — передай другому».
Придумал его в 2001 году специалист по интернет-технологиям Рои Хорнбеккер. Когда количество книг в его доме перевалило разумные пределы, он взял несколько книг, наклеил на каждую бумажку с просьбой нашедшего книгу отметиться на его сайте и начал оставлять томики на скамейке в парке, в вагоне метро, на столике кафе.
Скоро его примеру последовали другие, и сейчас в мире насчитывается уже около полумиллиона буккроссеров в 130 странах мира. Есть такие и у нас. Так что при желании вы можете отметиться на сайте www.bookcrossing.ru, приклеить к обложке книжки бумажку-объяснялку и оставить томик в людном месте.
Интернет, впрочем, предоставляет еще одну возможность. Вы можете найти себе партнера и просто поменять нужную ему книжку на ту, что интересует вас. Самый же простой и полезный для общества в России способ избавиться от ставших ненужными вам книг — просто отнести их в ближайшую библиотеку, где у вас их примут с большой благодарностью.
ДАВНЫМ-ДАВНО
