Юный техник, 2005 № 08 - Страница 13
Как-то раз на одном из полигонов в нашей стране обстреливали бронебойными снарядами, летевшими со скоростью более 1500 м/с, толстую броневую плиту. При этом заметили, что она сильно раскалилась. Это вызвало у специалистов недоумение. Решили, что нагрев вызван переходом в тепло кинетической энергии снарядов. Для проверки этой гипотезы достаточно школьного курса физики. Подсчитали и удивились, что тепловая энергия броневой плиты была в четыре раза больше, чем кинетическая энергия попавших в нее снарядов!
Сначала заподозрили, что происходит химическое соединение сердечника снаряда со сталью плиты с выделением тепла. Но никаких продуктов химических реакций обнаружить не удалось. Стало ясно, что энергия берется откуда-то еще. Уж не происходят ли какие-нибудь ядерные процессы в уране? Нет, обстрел броневых плит снарядами с сердечниками из вольфрама и даже стали давал примерно такие же результаты: откуда-то появлялась огромная энергия. Когда же скорость снарядов снижали примерно до 1200 м/с и меньше, эффект исчезал. Плита нагревалась ровно настолько, сколько могла дать ей кинетическая энергия. Тут вспомнили и про одну из загадок астрофизики. Когда на землю падает железоникелевый метеорит со скоростью 700 м/с, то он создает крохотную воронку и сам остается почти целехоньким. Но, если скорость метеорита достигает 3–4 тыс. м/с, образуется громадная воронка, в которой удается найти лишь ничтожные следы метеорита. При этом размеры воронки также не удается объяснить только кинетической энергией небесного тела.
Загадку прояснили в начале 90-х годов прошлого века русские ученые профессор МГТУ Михаил Константинович Марахтанов и его сын, аспирант Калифорнийского университета в Беркли Алексей Марахтанов.
Все металлы имеют кристаллическую структуру, на создание которой затрачивается немалая энергия. Состоит кристалл из отдельных положительно заряженных атомов, расположенных в узлах кристаллической решетки. Между ними, как и между любыми одноименно заряженными телами, действуют силы отталкивания. Казалось бы, атомы должны немедленно разлететься в стороны. Но между ними постоянно находится некоторое количество движущихся электронов. Они выполняют роль клея, удерживающего атомы металла в узлах кристаллической решетки.
Электроны движутся хаотично. Как только один из них уходит со своего места, немедленно находившийся рядом с ним атом металла начинает выходить из узла, но появляется следующий электрон, и атом становится на место.
Если бы каким-то образом удалось вывести из кристалла все электроны, он бы немедленно распался на отдельные атомы, и при этом выделилась бы энергия, затраченная на создание кристалла. Это и происходит при ударе снаряда о броню. Если скорость его достаточно велика, то электроны, скрепляющие атомы кристаллов его сердечника, по инерции вылетают, а атомы под действием электрического отталкивания разлетаются в стороны. Происходит взрыв материала сердечника. А энергия его не меньше, чем энергия взрыва тротила. Скажем в скобках: зная это, можно понять, почему немецкие снаряды из урана вели себя примерно как вольфрамовые — скорость их была невелика. И лишь в 60-х годах достигла нужной величины.
Способность кристаллов металла взрываться возрастает по мере роста их порядкового номера в таблице Менделеева. Наиболее сильно она выражена у урана и вольфрама, наименее — у алюминия. Процесс взрыва кристаллической решетки за счет удара о преграду сегодня имеет лишь сугубо военное применение. Нет сомнения, что его можно использовать и иначе.
М. и А. Марахтановы нашли и иной способ высвобождения энергии кристалла. Но об этом — в следующий раз.
А. ВАРГИН
ЗАОЧНАЯ ШКОЛА РАДИОЭЛЕКТРОНИКИ
Поверь ушам своим

В том, что стереозвук — это хорошо, убеждать никого не надо. Но по радио он звучит только в УКВ-диапазоне. В области от коротких до длинных волн, у которых немало поклонников, стереофонических передач нет. Магнитные кассеты и CD-диски выпускаются только со стереозаписью, есть еще множество малогабаритных магнитол, которые воспроизводят и записывают лишь моно, и все же…
Вспомним особенности нашего слуха и принцип действия стереофонического устройства. Когда мы слушаем в зале концерт некоего оркестра, звучание инструментов, находящихся левее и правее нас, воспринимается ухом несколько по-разному, что и создает стереофоническую картину. Чтобы повторить такой эффект, на магнитную ленту одновременно записывают звук на две дорожки, но с микрофонов, расположенных у левого и правого крыла группы исполнителей.
Стереоэффект при последующем воспроизведении обеспечивается двухдорожечной магнитной головкой, сигналы с которой поступают раздельно на усилители «левого» и «правого»; каждый из них работает на свою динамическую головку. Они разносятся на некоторое расстояние левее и правее слушателя. Если мы располагаем только одним каналом, на вход которого поступает монофонический сигнал, а на выходе всего одна динамическая головка, второй канал можно создать искусственно, добавив еще одну «облегченную» головку. Электрическая схема такого акустического выхода достаточно проста (рис. 1).

К выходному трансформатору Т1 усилителя звуковых частот А1 присоединена встроенная в аппарат динамическая головка ВА1; параллельно ей через конденсатор С1 подключена выносная головка ВА2. Секрет в том, что головки должны иметь существенно различные частотные характеристики. Так, обычный динамик чаще всего широкополостный, и потому дополнительному следует быть «пищалкой», с диапазоном, смещенным в сторону более высоких частот. Например, типа 0,5ГДШ-26-8. Пусть первый излучатель ВА1 находится от нас слева, а дополнительный ВА2 — справа; тогда при исполнении виртуозной мелодии возникает интересный эффект: кажется, что начало музыкальной фразы берет музыкант слева, а продолжает ее другой музыкант — справа. Впечатление такое, словно исполнители «перекидывают» мелодию, как мячик, от одного к другому.
Конечно, это упрощенный пересказ эффекта, на самом деле он насыщен множеством нюансов. При единственном реальном канале возникает отчетливая стереофоническая картина. Такое явление называют псевдостереофонией.
Роль конденсатора С1 в схеме на рисунке 2 — ограничить доступ низких частот в звуковой тракт «пищалки». Конденсатор желательно взять неполярный, типа К52-8. Указанный на схеме номинал емкости — ориентировочный, его следует подобрать применительно к используемым вами звукоизлучателям.
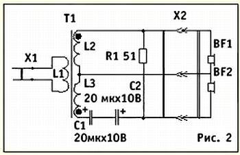
Тем, кого привлекает прослушивание псевдостереофонии на обычные стереонаушники, можем рекомендовать одну из радиолюбительских разработок, схема которой изображена на рисунке 2.

Приставка включается между гнездом для монофонического телефона, имеющимся у приемника, магнитофона, и стереопарой наушников BF1, BF2. В приставку входит согласующий трансформатор Т1, основой которого служит магнитопровод типа Ш14х16. Каждая из трех обмоток содержит по 150 витков провода ПЭВ-2 0,25, причем вторичные обмотки L2, L3 должны наматываться в одну сторону. Поскольку в стереопаре частотные характеристики телефонов практически одинаковы, для придания более высокочастотных свойств телефону BF2 в его цепь введены два одинаковых электролитических конденсатора С1 и С2, включенных встречно.
Ю. ПРОКОПЦЕВ
ПОПРАВКА
Уважаемые читатели! По техническим причинам схема в материале «…Даже в полной темноте!» («ЮТ» № 5 за 2005 г.) опубликована с ошибками. Приносим извинения и публикуем схему еще раз. Редакция.