Я дрался на Т-34. Третья книга - Страница 3

Танк Т-34 1941 года выпуска
Сколько-нибудь заметные преимущества перед броней Т-34 отмечались танкистами только в бронезащите английских танков. «…если болванка пробила башню, то командир английского танка и наводчик могут остаться живыми, поскольку осколков практически не образуется, а в «тридцатьчетверке» броня крошилась, и шансов выжить у находящихся в башне было мало», – вспоминает В.П. Брюхов.
Это было связано с исключительно высоким содержанием никеля в броне английских танков «Матильда» и «Валентайн». Если советская 45-мм броня высокой твердости содержала 1,0–1,5 % никеля, то броня средней твердости английских танков содержала 3,0–3,5 % никеля, что обеспечивало несколько большую вязкость последней. Вместе с тем никаких доработок защиты танков Т-34 силами экипажей в частях не производилось. Только перед Берлинской операцией, по словам подполковника Анатолия Петровича Швебига, бывшего заместителем командира бригады 12-го гвардейского танкового корпуса по технической части, на танки наваривали экраны из металлических кроватных сеток для защиты от фаустпатронов. Известные случаи экранировки «тридцатьчетверок» – это плод творчества ремонтных мастерских и заводов-производителей. То же можно сказать и о покраске танков. С завода танки приходили выкрашенные в зеленый цвет внутри и снаружи. При подготовке танка к зиме в задачу заместителей командиров танковых частей по технической части входила покраска танков белилами. Исключение составила зима 1944/45 г., когда война шла по территории Европы. Ни один из ветеранов не помнит, чтобы на танки наносился камуфляж.
Еще более очевидной и внушающей уверенность деталью конструкции Т-34 был дизельный двигатель. Большинство проходивших обучение в качестве механика-водителя, радиста или даже командира танка Т-34 в мирной жизни так или иначе сталкивались с топливом, по крайней мере с бензином. Они хорошо знали из личного опыта, что бензин летуч, легко воспламеняется и горит ярким пламенем. Вполне очевидные эксперименты с бензином использовали инженеры, руками которых был создан Т-34. «В разгар спора конструктор Николай Кучеренко на заводском дворе использовал не самый научный, зато наглядный пример преимущества нового топлива. Он брал зажженный факел и подносил его к ведру с бензином – ведро мгновенно охватывало пламя. Потом тот же факел опускал в ведро с дизельным топливом – пламя гасло, как в воде…»[2] Этот эксперимент проецировался на эффект от попадания в танк снаряда, способного поджечь топливо или даже его пары внутри машины. Соответственно, члены экипажей Т-34 относились к танкам противника в некоторой степени свысока. «Они же были с бензиновым двигателем. Тоже большой недостаток», – вспоминает стрелок-радист старший сержант Петр Ильич Кириченко. Такое же отношение было к танкам, поставлявшимся по ленд-лизу («Очень многие погибли потому, что в него пуля попала, а там же бензиновый двигатель и броня ерундовая», – вспоминает командир танка, младший лейтенант Юрий Максович Поляновский), и советским танкам и САУ, оснащенным карбюраторным двигателем («Как-то в наш батальон пришли СУ-76. Они были с бензиновыми двигателями – зажигалка самая настоящая… Они в первых же боях все сгорели…» – вспоминает В.П. Брюхов). Наличие в моторном отделении танка дизельного двигателя вселяло в экипажи уверенность в том, что шансов принять страшную смерть от огня у них куда меньше, чем у противника, танки которого заправлены сотнями литров летучего и легко воспламеняющегося бензина. Соседство с большими объемами горючего (оценивать количество ведер которого танкистам приходилось каждый раз при заправке танка) скрадывалось мыслью, что поджечь его снарядам противотанковых пушек будет труднее, а в случае возгорания у танкистов будет достаточно времени, чтобы выскочить из танка.
Однако в данном случае прямая проекция опытов с ведром на танки была не совсем обоснованной. Более того, статистически танки с дизельными двигателями не имели преимуществ в пожаробезопасности по отношению к машинам с карбюраторными моторами. По статистическим данным октября 1942 года, дизельные Т-34 горели даже немного чаще, чем заправлявшиеся авиационным бензином танки Т-70 (23 % против 19 %). Инженеры полигона НИИБТ в Кубинке в 1943 году пришли к выводу, прямо противоположному бытовой оценке возможностей возгорания различных видов топлива. «Применение немцами и на новом танке, выпущенном в 1942 году, карбюраторного двигателя, а не дизеля, может быть объяснено: […] весьма значительным в боевых условиях процентом пожаров танков с дизелями и отсутствием у них в этом отношении значительных преимуществ перед карбюраторными двигателями, особенно при грамотной конструкции последних и наличии надежных автоматических огнетушителей»[3]. Поднося факел к ведру с бензином, конструктор Кучеренко поджигал пары летучего топлива. Благоприятствующих для поджигания факелом паров над слоем солярки в ведре не было. Но этот факт не означал, что дизельное топливо не вспыхнет от куда более мощного средства воспламенения – попадания снаряда. Поэтому размещение топливных баков в боевом отделении танка Т-34 отнюдь не повышало пожаробезопасность «тридцатьчетверки» в сравнении с ровесниками, у которых баки размещались в корме корпуса и подвергались попаданиям намного реже. В.П. Брюхов подтверждает сказанное: «Танк загорается когда? Когда снаряд попадает в бак с горючим. И горит он тогда, когда горючего много. А уже под конец боев горючего нет, и танк почти не горит».
Единственным преимуществом двигателей немецких танков перед двигателем Т-34 танкисты считали меньшую шумность. «Бензиновый двигатель, с одной стороны, огнеопасный, а с другой стороны – тихий. Т-34, он не только ревет, но и клацает гусеницами», – вспоминает командир танка младший лейтенант Арсентий Константинович Родькин. Силовая установка танка Т-34 изначально не предусматривала установки глушителей на выхлопные патрубки. Они выводились на корму танка без всяких звукопоглощающих устройств, грохоча выхлопом 12-цилиндрового двигателя. Помимо шума мощный двигатель танка поднимал пыль своим лишенным глушителя выхлопом. «Т-34 поднимает страшную пыль, потому что выхлопные трубы направлены вниз», – вспоминает А.К. Родькин.
Конструкторы танка Т-34 дали своему детищу две черты, выделявшие его среди боевых машин союзников и противников. Эти особенности танка прибавляли экипажу уверенности в своем оружии. Люди шли в бой с гордостью за доверенную им технику. Это было гораздо важнее действительного эффекта от наклона брони или реальной пожароопасности танка c дизельным двигателем.

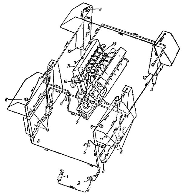
Схема питания двигателя топливом: 1 – воздушный насос; 2 – воздушный распределительный кран; 3 – сливная пробка;4 – правые бортовые баки; 5 – сливной кран; 6 – заливная пробка; 7 – топливоподкачивающая помпа; 8 – левые бортовые баки; 9 – топливный распределительный кран; 10 – топливный фильтр; 11 – топливный насос; 12 – кормовые баки; 13 – топливопроводы высокого давления. (Танк Т-34. Руководство. Воениздат НКО. М., 1944)
Танки появились как средство защиты расчетов пулеметов и орудий от огня противника. Равновесие между защитой танка и возможностями противотанковой артиллерии довольно шаткое, артиллерия постоянно совершенствуется, и самый новый танк не может себя чувствовать безопасно на поле боя.
Еще более шатким делают это равновесие мощные зенитные и корпусные орудия. Поэтому рано или поздно наступает ситуация, когда попавший в танк снаряд пробивает броню и превращает стальную коробку в ад.
Хорошие танки решали эту задачу и после смерти, получив одно или несколько попаданий, открывая путь к спасению людям внутри себя. Необычный для танков других стран люк механика-водителя в верхней лобовой детали корпуса Т-34 оказался на практике довольно удобным для покидания машины в критических ситуациях. Механик-водитель сержант Семен Львович Ария вспоминает: «Люк был гладкий, с закругленными краями, и влезть и вылезти из него не составляло никакого труда. Более того, когда ты вставал с места водителя, то уже высовывался наружу практически по пояс». Еще одним достоинством люка механика-водителя танка Т-34 была возможность его фиксации в нескольких промежуточных относительно «открыто» и «закрыто» положениях. Устроен механизм люка был довольно просто. Для облегчения открывания тяжелый литой люк (толщиной 60 мм) подпирался пружиной, шток которой представлял собой зубчатую рейку. Переставляя стопор из зубца в зубец рейки, можно было жестко фиксировать люк, не опасаясь его срыва на ухабах дороги или поля боя. Механики-водители этим механизмом охотно пользовались и предпочитали держать люк приоткрытым. «Когда можно, всегда лучше с открытым люком», – вспоминает В.П. Брюхов. Его слова подтверждает и командир роты старший лейтенант Аркадий Васильевич Марьевский: «У механика люк всегда открыт на ладонь, во-первых, все видно, во-вторых, поток воздуха при открытом верхнем люке вентилирует боевое отделение». Таким образом обеспечивался хороший обзор и возможность быстро покинуть машину при попадании в нее снаряда. В целом механик был, по оценке танкистов, в наиболее выгодном положении. «Вероятность уцелеть самая большая была у механика. Он сидел низко, перед ним была наклонная броня», – вспоминает командир взвода лейтенант Александр Васильевич Боднарь; по словам П.И. Кириченко: «Нижняя часть корпуса, она, как правило, скрыта за складками местности, в нее трудно попасть. А эта возвышается над землей. Главным образом в нее попадали. И гибли больше люди, которые сидят в башне, чем те, кто внизу». Здесь необходимо заметить, что речь идет об опасных для танка попаданиях. Статистически в начальном периоде войны большая часть попаданий приходилась на корпус танка. Согласно упомянутому выше отчету НИИ-48, на корпус приходился 81 % попаданий, а на башню – 19 %. Однако больше половины общего числа попаданий были безопасными (несквозными): 89 % попаданий в верхнюю лобовую деталь, 66 % попаданий в нижнюю лобовую деталь и около 40 % попаданий в борт не приводили к сквозным пробоинам. Причем из попаданий в борт 42 % общего их числа приходились на моторное и трансмиссионное отделения, поражения которых были безопасны для экипажа. Башня, напротив, сравнительно легко пробивалась. Менее прочная литая броня башни слабо сопротивлялась даже 37-мм снарядам автоматических зенитных пушек. Ухудшал ситуацию тот факт, что в башню «тридцатьчетверки» шли попадания тяжелых орудий с высокой линией огня, например 88-мм зениток, а также попадания из длинноствольных 75-мм и 50-мм орудий немецких танков. Экран местности, о котором говорил танкист, на европейском театре военных действий составлял около одного метра. Половина этого метра приходится на клиренс, остальное закрывает примерно треть высоты корпуса танка Т-34. Большая часть верхней лобовой детали корпуса экраном местности уже не закрывается.