Введение в электронику - Страница 88
Генератор Колпитца (рис. 29-4) похож на генератор Хартли с параллельной обратной связью, за исключением того, что катушка с отводом заменена двумя конденсаторами. Генератор Колпитца стабильнее, чем генератор Хартли и чаще используется.

Рис. 29-4. Генератор Колпитца.
Генератор Клаппа (рис. 29-5) является разновидностью генератора Колпитца. Основным отличием является добавление конденсатора, включенного последовательно с индуктивностью в колебательный контур. Этот конденсатор позволяет изменять частоту генератора.

Рис. 29-5. Генератор Клаппа.
Изменения температуры, старение компонентов и изменение требований к нагрузке служит причиной нестабильности генераторов. Если требуется высокая стабильность параметров генерируемого сигнала, используются кварцевые генераторы.
Кварц — это материал, преобразовывающий механическую энергию в электрическую, когда к нему прикладывают давление, и электрическую энергию в механическую, под воздействием напряжения. Когда к кристаллу кварца приложено переменное напряжение, кристалл начинает растягиваться и сжиматься, создавая механические колебания, частота которых соответствует частоте переменного напряжения.
Кварцы обладают собственной частотой колебаний, обусловленной их структурой. Если частота приложенного переменного напряжения совпадает с собственной частотой, колебания кристалла ярко выражены. Если частота приложенного переменного напряжения отличается от собственной частоты кварца, кристалл колеблется слабо.
Частота механических колебаний кристалла кварца является величиной постоянной, что делает его идеальным для использования в генераторах.
В качестве генераторных кристаллов кроме кварца используются также турмалин и сегнетова соль. Сегнетова соль наиболее электрически активна, но легко разрушается. Турмалин имеет наименьшую электрическую активность, но большую прочность. Кварц лучше всего подходит для использования в генераторах: он имеет хорошую электрическую активность, достаточно прочен и поэтому чаще всего используется в качестве генераторного кристалла.
Кристаллическая пластинка размещается между двумя металлическими пластинами, которые прижимаются пружинами для того, чтобы обеспечить электрический контакт этих пластин с кристаллом. После этого кристалл помещается в металлический корпус. На рис. 29-6 изображено схематическое обозначение кристалла. На схемах кристаллы обозначаются буквами Y и XTAL.

Рис. 29-6. Схематическое обозначение кварца.
На рис. 29-7 изображена схема генератора Хартли с параллельной обратной связью с добавлением кварца. Кварц включен последовательно в цепь обратной связи. Если частота колебательного контура отклоняется от частоты кварца, импеданс кварца увеличивается, уменьшая глубину обратной связи. Это приводит к изменению частоты колебательного контура.

Рис. 29-7. Генератор Хартли с параллельной обратной связью, включающей кварц.
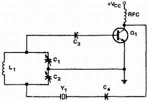
На рис. 29-8 изображен генератор Колпитца с кварцем, включенным так же как и в генераторе Хартли. Кварц управляет величиной обратной связи. Колебательный LC контур может быть настроен на частоту кварца.

Рис. 29-8. Кварцевый генератор Колпитца.
На рис. 29-9 изображен генератор Пирса. Эта схема подобна генератору Колпитца, за исключением того, что катушка индуктивности в колебательном контуре заменена кварцем. Кварц управляет импедансом колебательного контура, что определяет величину обратной связи и стабилизирует генератор.

Рис. 29-9. Генератор Пирса.
На рис. 29–10 изображен генератор Батлера. Схема собрана на двух транзисторах, использует колебательный контур и кварц для определения и стабилизации частоты колебаний. Колебательный контур должен быть настроен на частоту кварца, в противном случае генератор не будет работать. Преимущество генератора Батлера в том, что к кварцу приложено небольшое напряжение, уменьшающее его механические деформации. Заменив элементы колебательного контура, генератор можно заставить работать на частоте одной из гармоник кварца.

Рис. 29–10. Генератор Батлера.
RC генераторы используют для задания частоты резистивно-емкостную цепь. Существуют два основных типа RC генераторов синусоидальных колебаний: генератор с фазосдвигающей цепью и генератор на основе моста Вина.
Генератор с фазосдвигающей цепью — это обычный усилитель с фазосдвигающей RC цепью обратной связи (рис. 29–11).

Рис. 29–11. Генератор с фазосдвигающей цепью.
Обратная связь должна сдвигать фазу сигнала на 180 градусов. Так как емкостное сопротивление изменяется при изменении частоты, то эта компонента чувствительна к частоте. Стабильность улучшается при уменьшении величины фазового сдвига на каждой RC цепочке. Однако, на комбинации RC цепочек имеют место потери мощности. Транзистор должен иметь достаточно высокий коэффициент усиления для компенсации этих потерь.
Генератор на основе моста Вина — это двухкаскадный усилитель с цепью опережения-запаздывания и делителем напряжения (рис. 29–12).

Рис. 29–12. Генератор на основе моста Вина.
Цепь опережения-запаздывания состоит из последовательной (R1C1) цепочки и параллельной (R2C2) цепочки. Схема называется цепью опережения запаздывания потому, что выходное напряжение на некоторых частотах опережает входное напряжение по фазе, а на некоторых частотах отстает от него. На резонансной частоте сдвиг фаз равен нулю и выходное напряжение максимально. Резисторы R3 и R4 образуют цепь делителя напряжения, используемого для отрицательной обратной связи. Положительная обратная связь подается на базу, а отрицательная обратная связь на эмиттер генераторного транзистора Q1. Выход транзистора Q1 через емкость связан с базой транзистора Q2, который усиливает напряжение и сдвигает его по фазе на 180 градусов. Выход транзистора Q2 связан с мостовой цепью.
На рис. 29–13 изображен мостовой генератор Вина на интегральной микросхеме. Инвертирующий и неинвертирующий входы операционного усилителя идеальны для использования в генераторе на основе моста Вина. Усиление операционного усилителя высокое, что компенсирует все потери в цепи.