Введение в электронику - Страница 86

Рис. 28–45. Операционный усилитель в качестве неинвертирующего усилителя.
Входной сигнал подается на неинвертирующий вход операционного усилителя. Выходное напряжение делится с помощью резисторов R2 и R1 для того, чтобы подать напряжение обратной связи на инвертирующий (-) вход. Усиление по напряжению по неинвертирующему входу всегда больше 1.
Коэффициент усиления операционного усилителя зависит от частоты. Обычно усиление, указываемое в справочных данных — это усиление по постоянному току. При увеличении частоты усиление уменьшается. Без использования методов увеличения полосы пропускания, операционный усилитель хорош только для усиления сигналов постоянного тока. Для расширения полосы пропускания используется обратная связь, уменьшающая усиление. Насколько уменьшается усиление, настолько увеличивается полоса пропускания. С помощью этого способа полоса пропускания операционного усилителя 741 может быть увеличена до 1 мегагерца.
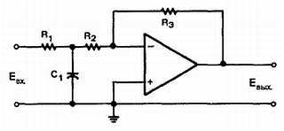
Операционные усилители применяются для сравнения, инвертирования или неинвертирования сигналов, они также могут использоваться для сложения сигналов, как показано на рис. 28–46. Такой усилитель называется суммирующим усилителем.

Рис. 28–46. Операционный усилитель в качестве суммирующего усилителя.
Отрицательная обратная связь удерживает потенциал инвертирующего входа близким к потенциалу земли. Следовательно, все входные сигналы электрически изолированы друг от друга. На выходе усилителя получается инвертированная сумма входных сигналов.
В суммирующем усилителе резистор, соединяющий неинвертирующий вход с землей, выбран равным полному сопротивлению параллельно включенных входному сопротивлению и сопротивлению обратной связи. Если сопротивление обратной связи увеличить, то цепь может обеспечить и усиление. Если используются различные входные сопротивления, сигналы могут быть сложены с различным усилением.
Суммирующие усилители используются при смешивании сигналов звуковой частоты. В качестве входных сопротивлений используются потенциометры для регулирования уровня каждого из входных сигналов.
Операционные усилители также могут использоваться в качестве активных фильтров. Фильтры, использующие резисторы, катушки индуктивности и конденсаторы, называются пассивными. Активные фильтры — это безындуктивные фильтры, использующие интегральные микросхемы. Преимущество активных фильтров в отсутствии катушек индуктивности, имеющих большие размеры.
При использовании операционных усилителей в качестве активных фильтров недостатком является то, что они требуют источника питания, могут создавать шум и превращаться в генератор (возбуждаться) вследствие температурного дрейфа или старения компонентов.
На рис. 28–47 изображен фильтр верхних частот, использующий операционный усилитель. Фильтр верхних частот подавляет низкие частоты и пропускает частоты, расположенные выше частоты среза.

Рис. 28–47. Операционный усилитель в качестве фильтра верхних частот.
На рис. 28–48 изображен фильтр нижних частот, использующий операционный усилитель. Фильтр нижних частот пропускает низкие частоты и не пропускает частоты, расположенные выше частоты среза.

Рис. 28–48. Операционный усилитель в качестве фильтра нижних частот.
На рис. 28–49 изображен полосовой фильтр, использующий операционный усилитель. Полосовой фильтр пропускает частоты, расположенные вблизи некоторой центральной частоты, и ослабляет более высокие и более низкие частоты.

Рис. 28–49. Операционный усилитель в качестве полосового фильтра.
Разностный усилитель вычитает один сигнал из другого. На рис. 28–50 изображен стандартный разностный усилитель. Эта цепь называется вычитающим устройством, поскольку она вычитает значение Е2 из значения E1.
Рис. 28–50. Операционный усилитель в качестве разностного усилителя.
28-8. Вопросы
1. Что такое операционный усилитель?
2. Нарисуйте блок-схему операционного усилителя.
3. Кратко объясните, как работает операционный усилитель.
4. Что такое нормальный режим работы операционного усилителя?
5. Какое усиление может быть получено с помощью операционного усилителя?
6. Нарисуйте схемы следующих цепей:
а. Инвертирующий усилитель;
б. Суммирующий усилитель;
в. Фильтр верхних частот;
г. Фильтр нижних частот;
д. Разностный усилитель.
РЕЗЮМЕ
• Усилители — это электронные цепи, используемые для увеличения амплитуды электрического сигнала.
• Транзистор используется, главным образом, в качестве усилительного устройства.
• Транзисторные усилители могут быть трех типов: усилитель с общей базой, с общим коллектором и с общим эмиттером.
• Усилители с общим коллектором используются для согласования импедансов.
• Усилители с общим эмиттером обеспечивают обращение фазы выходного сигнала по отношению к входному.
• Все транзисторные усилители требуют двух напряжений для правильной подачи напряжения смещения.
• Один источник питания может обеспечить необходимые напряжения прямого и обратного смещения с помощью делителя напряжения.
• Цепь обратной связи с делителем напряжения является наиболее широко используемой цепью для напряжения смещения.
• Транзисторный усилитель может быть смещен таким образом, что на выходе будет усиливаться весь период входного сигнала или только его часть.
• Усилители класса А смещены таким образом, что выходной ток течет в течение всего периода.
• Усилители класса АВ смещены таким образом, что выходной ток течет в течение промежутка времени, большего, чем половина периода входного сигнала, но меньшего, чем период.
• Усилители класса В смещены таким образом, что выходной ток течет в течение только половины периода входного сигнала.
• Усилители класса С смещены таким образом, что выходной ток течет в течение промежутка меньшего половины периода входного сигнала.
• Для соединения одного транзистора с другим используют резистивно-емкостную, импедансную, трансформаторную и непосредственную (гальваническую) связи.
• Усилители с гальванической связью используются для получения высокого усиления на низких частотах или для усиления сигнала постояннного тока.
• Усилители с гальванической связью используются, главным образом, в качестве усилителей напряжения.
• Дифференциальный усилитель имеет два отдельных входа и может обеспечивать или один, или два выхода.
• Усилители звуковой частоты усиливают сигналы переменного тока в диапазоне частот от 20 до 20000 герц.
• Усилители звуковой частоты делятся на усилители напряжения и усилители мощности.