Введение в электронику - Страница 81
При увеличении температуры токи коллектора и эмиттера также увеличиваются. Увеличение тока эмиттера приводит к увеличению падения напряжения на резисторе RE. Это приводит к тому, что положительный потенциал эмиттера по отношению к земле увеличивается. Тогда прямое смещение перехода эмиттер-база уменьшается, что приводит к уменьшению тока базы. Уменьшение тока базы уменьшает токи коллектора и эмиттера. Противодействие также имеет место и при понижении температуры: ток базы увеличивается, что приводит к увеличению токов эмиттера и коллектора.
Усилители, обсуждавшиеся до сих пор, имели такое напряжение смещения, что выходной сигнал был таким же, как и входной сигнал в течение всего периода, только величина его была больше. Усилитель, смещение которого такое, что ток через него течет и усиливается во время всего периода сигнала, называется усилителем, работающим в классе А (рис. 28–12).

Рис. 28–12. Выходное напряжение усилителя класса А.
Усилитель, смещение которого таково, что выходной ток через него течет и усиливается в течение времени меньшем, чем полный период, но большем половины периода, называется усилителем, работающим в классе АВ (рис. 28–13).

Рис. 28–13. Выходное напряжение усилителя класса АВ.
Усилитель, смещение которого такое, что выходной ток через него течет только половину периода входного сигнала — это усилитель, работающий в классе В. Только во время половины периода входной сигнал переменного тока усиливается в режиме класса В (рис. 28–14).

Рис. 28–14. Выходное напряжение усилителя класса В.
Усилитель, смещение которого такое, что выходной ток через него течет меньше, чем половину периода входного сигнала переменного тока — это усилитель, работающий в классе С. Меньше, чем половина периода входного сигнала усиливается в режиме класса С (рис. 28–15).

Рис. 28–15. Выходное напряжение усилителя класса С.
Усилители класса А создают наименьшие искажения и называются линейными. Они также имеют самую низкую выходную мощность и наименее эффективны. Усилители класса А находят широкое применение в тех случаях, когда требуется точное сохранение входного сигнала, как, например, при усилении сигналов звуковой частоты в радиоприемниках и телевизорах. Однако из-за высоких требований по мощности, транзисторы обычно работают в режиме класса АВ или класса В.
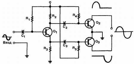
Усилители классов АВ, В и С вносят значительные искажения. Это обусловлено тем, что они усиливают только часть входного сигнала. Для усиления полного входного сигнала переменного тока необходимы два транзистора, соединенные в двухтактную схему (рис. 28–16).

Рис. 28–16. Схема двухтактного усилителя.
Усилители класса В используются в качестве выходных каскадов в стереосистемах и мощных концертных усилителях, а также в промышленности. Усилители класса С используются в качестве усилителей высокой мощности в передатчиках, где необходимо усиление только одной частоты, например в радио и телевизионных передатчиках.
28-2. Вопросы
1. Нарисуйте схему транзисторного усилителя с общим эмиттером, использующего один источник питания.
2. Как компенсируются изменения температуры в транзисторном усилителе?
3. Нарисуйте схему цепи обратной связи с делителем напряжения.
4. Перечислите классы усилителей и укажите их выходные мощности.
5. Перечислите применения усилителей каждого класса.
Для получения большого усиления, транзисторные усилители могут быть соединены вместе. Однако для избежания влияния смещения одного усилителя на работу другого, они должны соединяться специальным образом.
Используемый метод соединения усилителей не должен нарушать работу какой-либо цепи. Возможны следующие методы соединения усилителей: посредством резистивно-емкостной, импедансной, трансформаторной и непосредственной (гальванической) связей.
Резистивно-емкостная связь или RC связь состоит из двух резисторов и конденсатора, соединенных как показано на рис. 28–17.

Рис. 28–17. RC связь.
Резистор R3 является коллекторной нагрузкой первого каскада. Конденсатор C1 является блокирующим для постоянного тока и конденсатором связи для переменного тока. Резистор R4 является входной нагрузкой, а также замыкает по постоянному току цепь перехода база-эмиттер второго каскада. Резистивно-емкостная связь используется, главным образом, в усилителях низкой частоты.
Конденсатор связи C1 должен иметь низкое реактивное сопротивление для минимизации ослабления сигнала на низких частотах. Обычно используется емкость в пределах от 10 до 100 микрофарад. Конденсатор связи обычно бывает электролитическим.
Реактивное сопротивление конденсатора связи увеличивается при уменьшении частоты. Низкочастотная граница определяется величиной емкости конденсатора связи. Высокочастотная граница определяется типом использованного транзистора.
Импедансная связь подобна RC связи, только вместо резистора в качестве нагрузки коллектора первого каскада усиления используется катушка индуктивности (рис. 28–18).

Рис. 28–18. Импедансная связь.
Импедансная связь работает совершенно аналогично RC связи. Ее преимуществом является то, что катушка индуктивности имеет очень низкое сопротивление постоянному току. Выходной сигнал переменного тока на катушке индуктивности такой же, как и на нагрузочном резисторе. Однако катушка индуктивности потребляет меньшую мощность, чем резистор, что увеличивает общую эффективность цепи.
Недостатком импедансной связи является то, что индуктивное сопротивление увеличивается при увеличении частоты. Поэтому коэффициент усиления по напряжению изменяется при изменении частоты. Этот тип связи идеален для одночастотного усиления, то есть при усилении очень узкой полосы частот.
В цепи с трансформаторной связью два усилительных каскада связаны между собой через трансформатор (рис. 28–19).

Рис. 28–19. Трансформаторная связь.
Трансформатор может эффективно согласовать высокоимпедансный источник с низкоимпедансной нагрузкой. Недостатком этого метода является то, что трансформаторы громоздки и дороги. Кроме того, как и усилитель с импедансной связью, усилитель с трансформаторной связью может использоваться только в узком диапазоне частот.