Введение в электронику - Страница 80
Поскольку цепи с общим эмиттером используются наиболее часто, они детально описываются. Те же принципы применимы и к цепям с общей базой и общим коллектором.
На рис. 28-6 изображен транзисторный усилитель с общим эмиттером, использующий один источник питания. Эта же цепь схематически изображена на рис. 28-7.
Рис. 28-6. Усилитель с общим эмиттером и одним источником питания.

Рис. 28-7. Схематическое представление усилителя с общим эмиттером и одним источником питания.
Источник питания обозначен +VCC. Символ заземления является отрицательным выводом источника питания VCC. Один источник питания обеспечивает подачу правильного напряжения смещения для переходов база-эмиттер и база-коллектор. Два резистора (RB и RL) используются для распределения напряжения, обеспечивающего правильную работу транзистора. Резистор RL, сопротивление нагрузки коллектора, соединен последовательно с коллектором. Когда через коллектор течет ток, на резисторе RL появляется падение напряжения. Падение напряжения на резисторе RL и падение напряжения на переходе коллектор-эмиттер транзистора должны в сумме равняться приложенному напряжению.
Резистор RB, соединяющий базу с источником питания, управляет величиной тока базы. Ток базы, текущий через резистор RB, создает на нем падение напряжения, составляющего большую часть напряжения источника питания. Меньшая часть этого напряжения падает на переходе база-эмиттер транзистора, обеспечивая правильное прямое смещение.
Один источник питания может обеспечить необходимые напряжения прямого и обратного смещения. В случае n-р-n транзистора потенциал на базе и коллекторе транзистора должен быть положительным по отношению к эмиттеру.
Следовательно, источник питания может быть связан с базой и коллектором через резисторы RB и RL. Эту цепь часто называют цепью смещения базы, так как ток базы управляется величиной резистора RB и напряжением источника питания. Входной сигнал подключается между базой транзистора и его эмиттером или между выводом входа и землей.
Значение входного сигнала либо складывается с прямым смещением на эмиттерном переходе, либо вычитается из него. Это служит причиной изменения коллекторного тока, что, в свою очередь, приводит к изменению падения напряжения на резисторе RL. Выходной сигнал появляется между выводом выхода и землей.
Цепь, изображенная на рис. 28-6, является нестабильной, так как она не может компенсировать изменения тока смещения при отсутствии сигнала. Изменения температуры приводят к изменению внутреннего сопротивления транзистора, что заставляет изменяться ток смещения и сдвигает рабочую точку транзистора, уменьшая его усиление. Этот процесс называется температурной нестабильностью.
Существует возможность компенсации температурных изменений в схеме транзисторного усилителя посредством организации отрицательной обратной связи в нем. Если часть нежелательного выходного сигнала подать на вход цепи, этот сигнал будет противодействовать изменениям в транзисторе. Такой процесс называется отрицательной обратной связью (рис. 28-8).
Рис. 28-8. Усилитель с общим эмиттером и коллекторной обратной связью.
В цепи, использующей отрицательную обратную связь, базовый резистор RB соединен непосредственно с коллектором транзистора. Если температура увеличивается, то ток коллектора и падение напряжения на резисторе RL тоже увеличиваются. Напряжение коллектор-эмиттер уменьшается, уменьшая также напряжение приложенное, к RB. Это уменьшает ток базы, что служит причиной уменьшения тока коллектора. Таким образом действует коллекторная цепь обратной связи.
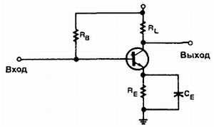
На рис. 28-9 показан другой тип обратной связи. Эта цепь похожа на цепь, изображенную на рис. 28-7, за исключением того, что последовательно с выводом эмиттера включен резистор RE. Резисторы RB и RE и переход транзистора эмиттер-база соединены последовательно с источником питания VCC.

Рис. 28-9. Усилитель с общим эмиттером и эмиттерной обратной связью.
Увеличение температуры служит причиной увеличения коллекторного тока. Ток эмиттера также увеличивается, увеличивая падение напряжения на резисторе RE и уменьшая падение напряжения на резисторе RB. Ток базы уменьшается, что уменьшает как ток коллектора, так и ток эмиттера. Поскольку сигнал обратной связи создается на эмиттере транзистора, эта цепь называется цепью эмиттерной обратной связи.
В цепи этого типа происходит уменьшение общего усиления цепи, связанное с тем, что входной сигнал переменного тока появляется как на резисторе RL, так и на резисторе RE и на транзисторе. При подсоединении конденсатора параллельно резистору RE (рис. 28–10), сигнал переменного тока обходит резистор RE, так как сопротивление конденсатора существенно меньше RE. Этот конденсатор часто называют блокировочным конденсатором.

Рис. 28–10. Эмиттерная обратная связь с блокировочным конденсатором.
Блокировочный конденсатор устраняет любые быстрые изменения напряжения на резисторе RE, благодаря тому, что он обладает низким импедансом для переменного тока. Блокировочный конденсатор удерживает напряжение на резисторе RE неизменным, в то же самое время не мешая работе цепи обратной связи, обеспечиваемой RE.
Цепь обратной связи с делителем напряжения обеспечивает большую стабильность транзистора (рис. 28–11). Эта цепь используется наиболее широко. Резистор RB заменяется двумя резисторами, R1 и R2. Эти соединенные последовательно резисторы подключены параллельно источнику питания VСС. Резисторы делят напряжение питания на два напряжения, образуя делитель напряжения.

Рис. 28–11. Усилитель с общим эмиттером и обратной связью на основе делителя напряжения.
На резисторе R2 падает меньшее напряжение, чем на резисторе R1. Напряжение на базе по отношению к земле равно падению напряжения на резисторе R2. Цель делителя напряжения — установить постоянное напряжение на базе транзистора по отношению к земле. Ток, текущий через резистор R2, направлен к базе. Следовательно, подсоединенный к базе конец резистора R2, имеет положительный потенциал по отношению к земле.
Так как через резистор RE течет ток эмиттера, то на конце резистора RE, подсоединенном к эмиттеру, положительный потенциал по отношению к земле. Напряжение на переходе эмиттер-база является разностью двух положительных напряжений — напряжения на резисторе R2 и напряжения на резисторе RE. Для того, чтобы на транзисторе имело место правильно приложенное прямое смещение, положительный потенциал базы должен быть немного выше положительного потенциала эмиттера.