Введение в электронику - Страница 79
• Однополупериодные выпрямители проще и дешевле, чем двухполупериодные и мостовые.
• Двухполупериодный выпрямитель более эффективен, чем однополупериодный.
• Мостовой выпрямитель может работать без трансформатора.
• Для преобразования пульсирующего постоянного напряжения в сглаженное постоянное напряжение после выпрямителя должен использоваться фильтр.
• Конденсатор, подсоединенный параллельно нагрузке является эффективным фильтром.
• Стабилизатор напряжения обеспечивает постоянное выходное напряжение, несмотря на изменения входного напряжения и тока нагрузки.
• Стабилизатор напряжения устанавливается в цепи после фильтра.
• Основными типами стабилизаторов являются параллельный и последовательный.
• Последовательный стабилизатор более эффективен и, следовательно, более популярен, чем параллельный.
• Умножители напряжения — это цепи, которые способны обеспечить более высокие, чем входные, напряжения постоянного тока без использования трансформатора.
• Для защиты от превышения напряжения используется цепь на основе КУВ.
• Плавкий предохранитель защищает цепь от перегрузки по току.
• Предохранители делятся на обычные и с замедлением.
• Размыкатели цепи выполняет такую же работу, что и предохранители, но не требуют замены после каждой перегрузки.
Глава 27. САМОПРОВЕРКА
1. Какие четыре параметра надо учитывать при выборе трансформатора для блока питания?
2. Каково назначение трансформатора в блоке питания?
3. Для каких целей служит выпрямитель в блоке питания?
4. Каковы достоинства и недостатки двухполупериодного и мостового выпрямителей?
5. Опишите процесс, с помощью которого фильтрующий конденсатор преобразует пульсирующее постоянное напряжение в сглаженное.
6. На основе каких соображений выбирается величина фильтрующего конденсатора?
7. Как последовательный стабилизатор поддерживает выходное напряжение на постоянном уровне?
8. Какие характеристики цепи должны быть известны при выборе стабилизирующей цепи?
9. Для каких целей служат умножители напряжения?
10. Каковы преимущества двухполупериодного удвоителя напряжения по сравнению с однополупериодным удвоителем напряжения?
11. Какие устройства используются для защиты от превышения напряжения?
12. Какие устройства используются для защиты от превышения тока?
Глава 28. Усилители
ЦЕЛИ
После изучения этой главы студент должен быть в состоянии:
• Описать назначение усилителя.
• Перечислить три основных типа транзисторных усилительных цепей.
• Перечислить классы усилителей.
• Описать работу усилителей с непосредственной связью, усилителей звуковой частоты, видеоусилителей, усилителей радиочастоты, усилителей промежуточной частоты и операционных усилителей.
• Нарисовать принципиальные схемы усилителей различных типов.
Усилители — это электронные цепи, используемые для увеличения амплитуды электрического сигнала. Цепь, рассчитанная на преобразование низкого напряжения в высокое, называется усилителем напряжения. Цепь, рассчитанная на преобразование слабого тока в большой по величине, называется усилителем тока.
Для обеспечения усиления транзистор должен принять входной сигнал и выдать выходной, значительно больший, чем входной.
Входной сигнал управляет током, текущим через транзистор. Этот ток, в свою очередь, управляет напряжением на нагрузке. Транзисторная цепь рассчитана таким образом, чтобы брать напряжение от внешнего источника питания (VCC) и подавать его на резистор нагрузки (RL) в виде выходного напряжения.
Транзистор используется, главным образом, как усилительное устройство. Существует несколько способов включения в цепь транзистора: схема с общей базой, схема с общим эмиттером и схема с общим коллектором. В каждой из этих схем один из выводов транзистора служит общей точкой, а два других являются входом и выходом.
Каждая схема может быть собрана как с р-n-р, так и с n-р-n транзистором. В каждом случае на переход эмиттер-база подается напряжение смещения в прямом направлении, а на переход коллектор-база — в обратном. Каждая схема имеет преимущества и недостатки.
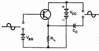
В схеме с общей базой (рис. 28-1) входной сигнал подается в цепь эмиттер-база, а выходной наблюдается в цепи коллектор-база. База является общим элементом для входа и выхода.

Рис. 28-1. Схема усилителя с общей базой.
В схеме с общим эмиттером (рис. 28-2) входной сигнал подается в цепь эмиттер-база, а выходной сигнал снимается с нагрузки в цепи коллектор-эмиттер. Эмиттер является общим для входа и выхода. Этот способ включения транзистора используется наиболее широко.

Рис. 28-2. Схема усилителя с общим эмиттером
Третий тип соединения (рис. 28-3) — это схема с общим коллектором. В этой схеме входной сигнал подается в цепь база-коллектор, а выходной сигнал снимается с цепи эмиттер-коллектор. Здесь коллектор является общим для входа и выхода. Эта схема используется для согласования импедансов.
Рис. 28-3. Схема усилителя с общим коллектором.
В таблице, изображенной на рис. 28-4, приведены входные и выходные сопротивления, а также величина усиления по напряжению, току и мощности для трех схем включения транзистора.
Рис. 28-4. Характеристики усилительных цепей.
На рис. 28-5 показаны фазовые соотношения входного и выходного сигналов для трех схем включения транзистора. Заметим, что схема с общим эмиттером обеспечивает изменение фазы выходного сигнала на 180° по отношению к фазе входного.
Рис. 28-5. Фазовые соотношения между входным и выходным сигналами усилительных цепей.
28-1. Вопросы
1. Нарисуйте схемы трех основных конфигураций транзисторных усилительных цепей.
2. Перечислите характеристики:
а. Цепи с общей базой;
б. Цепи с общим эмиттером;
в. Цепи с общим коллектором.
3. Составьте таблицу, показывающую фазовые соотношения входного и выходного сигналов для трех схем включения транзистора.
4. Составьте таблицу, показывающую входные и выходные сопротивления для трех схем включения транзистора.
5. Составьте таблицу, показывающую усиление по напряжению, току и мощности для трех схем включения транзистора.
Основными конфигурациями транзисторных усилительных цепей являются схемы с общей базой, с общим эмиттером и с общим коллектором. Для подачи правильного напряжения смещения на n-р-n или р-n-р переходы все они требуют двух источников тока. На переход база-эмиттер должно быть подано смещение в прямом направлении, а на переход база-коллектор — в обратном направлении. Однако оба напряжения смещения могут быть обеспечены с помощью одного источника тока.