Введение в электронику - Страница 74

Изменить размер шрифта:

На рис. 27-8 изображена мостовая схема выпрямителя. Четыре диода включены таким образом, что ток через нагрузку течет только в одном направлении.

Введение в электронику - _38.jpg_3

Рис. 27-8. Схема мостового выпрямителя

На рис. 27-9 показано прохождение тока в течение положительного полупериода входного сигнала. Ток течет от нижнего вывода вторичной обмотки трансформатора через диод D4, через нагрузку, через диод D2 к верхнему выводу вторичной обмотки трансформатора. Все напряжение падает на нагрузке.

Введение в электронику - _39.jpg_2

Рис. 27-9. Мостовой выпрямитель в течение положительного полупериода.

На рис. 27–10 показано прохождение тока в течение отрицательного полупериода входного сигнала. На верхнем выводе вторичной обмотки отрицательный потенциал, а на нижнем — положительный. Ток течет от верхнего вывода вторичной обмотки через диод через нагрузку, через диод D3 к нижнему выводу вторичной обмотки. Заметим, что ток течет через нагрузку в том же направлении, что и в течение положительного полупериода. И опять все напряжение падает на нагрузке.

Введение в электронику - _40.jpg_3

Рис. 27–10. Мостовой выпрямитель в течение отрицательного полупериода.

Мостовой выпрямитель является двухполупериодным выпрямителем, так как он работает в течение обоих полупериодов входного синусоидального напряжения. Преимуществом мостового выпрямителя является то, что он не требует трансформатора с выводом от середины вторичной обмотки. Эта цепь также не требует для своей работы трансформатора. Трансформатор используется только для повышения или понижения напряжения или для обеспечения изоляции от источника переменного напряжения.

Перечислим различия выпрямителей. Преимуществом однополупериодного выпрямителя является его простота и низкая стоимость. Для него требуется один диод и трансформатор. Он не очень эффективен, так как использует только половину входного сигнала. Кроме того, его применение ограничено цепями с малыми токами.

Двухполупериодный выпрямитель более эффективен, чем однополупериодный. Он работает в течение обоих полупериодов синусоиды. Более высокая частота пульсаций двухполупериодного выпрямителя облегчает фильтрацию.

Недостатком его является то, что для него требуется трансформатор с отводом от середины вторичной обмотки. Его выходное напряжение ниже, чем у однополупериодного выпрямителя при использовании такого же трансформатора, так как в течение каждого полупериода работает только половина обмотки.

Мостовой выпрямитель может работать без трансформатора. Однако трансформатор бывает необходим для повышения или понижения напряжения. Выходное напряжение у него выше, чем у однополупериодного или двухполупериодного выпрямителей. Недостатком является то, что для него требуются четыре диода. Однако диоды дешевле трансформатора с выводом от середины вторичной обмотки.

27-2. Вопросы

1. Каково назначение выпрямителя в блоке питания?

2. Каковы три схемы выпрямителей, используемых в блоках питания?

3. В чем отличия в работе этих трех схем?

4. Каковы преимущества одного выпрямителя перед другим?

5. Какая схема выпрямителя является лучшей? Почему?

27-3. ЦЕПИ ФИЛЬТРАЦИИ

Выпрямитель выдает пульсирующее напряжение постоянного тока, которое не годится для питания большинства электронных цепей, поэтому в блоках питания, как правило, после выпрямителя стоит фильтр. Фильтр преобразует пульсирующее напряжение в гладкое напряжение постоянного тока.

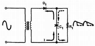
Простейшим фильтром является конденсатор, включенный параллельно выходу выпрямителя (рис. 27–11). На рис. 27–12 сравнивается выходное напряжение выпрямителя без фильтра и с фильтрующим конденсатором.

Введение в электронику - _41.jpg_2

Рис. 27–11. Однополупериодный выпрямитель с емкостным фильтром.

Введение в электронику - _42.jpg_2

Рис. 27–12. Выходное напряжение однополупериодного выпрямителя без фильтра и с фильтрующим конденсатором.

Конденсатор работает в такой цепи следующим образом.

Когда на аноде диода положительный потенциал, по цепи течет ток. В это время фильтрующий конденсатор заряжается в полярности, показанной на рис. 27–11. За четверть периода входного сигнала конденсатор заряжается до максимального потенциала цепи.

Когда напряжение входного сигнала начинает падать, конденсатор разряжается через нагрузку. Скорость разряда конденсатора зависит от постоянной времени RC, а, следовательно, от сопротивления нагрузки. Постоянная времени разряда велика по сравнению с периодом переменного тока. Следовательно, период заканчивается раньше, чем конденсатор может разрядиться. Поэтому после первой четверти периода ток через нагрузку поддерживается разряжающимся конденсатором. Как только конденсатор начинает разряжаться, напряжение на нем уменьшается. Однако до того, как конденсатор полностью разрядится, начнется следующий период синусоиды. На аноде диода опять появится положительный потенциал, что позволит ему проводить ток. Конденсатор зарядится снова, и цикл повторится. В результате, пульсации напряжения сгладятся, и выходное напряжение фактически повысится (рис. 27–13).

Введение в электронику - _43.jpg_2

Рис. 27–13. Влияние фильтрующих конденсаторов различной емкости на выходное напряжение однополупериодного выпрямителя.

Чем больше емкость конденсатора, тем больше постоянная времени RC. Это приводит к более медленному разряду конденсатора, что повышает выходное напряжение.

Наличие конденсатора позволяет диоду в цепи проводить ток в течение короткого периода времени. Когда диод не проводит, конденсатор обеспечивает нагрузку током. Если нагрузка потребляет большой ток, то должен использоваться конденсатор большой емкости.

Емкостной фильтр в двухполупериодном или мостовом выпрямителе ведет себя точно так же, как и описанные емкостной фильтр в однополупериодном выпрямителе. На рис. 27–14 показано выходное напряжение двухполупериодного или мостового выпрямителя. Частота пульсаций этого напряжения вдвое больше, чем у однополупериодного выпрямителя.

Введение в электронику - _44.jpg_2

Рис. 27–14. Влияние фильтрующих конденсаторов различной емкости на выходное напряжение двухполупериодного или мостового выпрямителя.

Когда к выходу выпрямителя подсоединяется емкостной фильтр, конденсатор не успевает сильно разрядиться до начала следующего импульса.

Выходное напряжение достаточно высокое. Если используется конденсатор большой емкости, то выходное напряжение равно максимальному напряжению входного сигнала. Следовательно, конденсатор лучше фильтрует напряжение в двухполупериодной цепи, чем в однополупериодной.

Назначение фильтрующего конденсатора — сглаживание пульсаций постоянного напряжения выпрямителя. Качество работы фильтра определяется величиной пульсаций, остающихся в постоянном напряжении. Величину пульсаций можно уменьшить путем использования конденсатора большей емкости или-путем увеличения сопротивления нагрузки. Обычно сопротивление нагрузки определяется при расчете цепи. Следовательно, емкость фильтрующего конденсатора диктуется допустимой величиной пульсаций.

Оригинальный текст книги читать онлайн бесплатно в онлайн-библиотеке Knigger.com