Введение в электронику - Страница 100
Предположим, что сначала триггер находится в исходном состоянии. Тогда первый тактовый импульс установит его в единичное состояние (Q = 1). Второй тактовый импульс переведет триггер в исходное состояние (Q = 0). Поскольку триггер имеет два состояния, то он может определить только два уровня тактовых импульсов.
На рис. 34–10 изображена форма выходных импульсов триггера.

Рис. 34–10. Форма входных и выходных импульсов JK-триггера, установленного для счета.
Заметим, что уровень на выходе Q высокий (1) после каждого нечетного импульса, и низкий (0) после каждого четного импульса. Следовательно, когда на выходе высокий уровень, прошло нечетное количество импульсов. Когда на выходе низкий уровень, импульсов либо не было вообще, либо прошло их четное количество. Какой из этих случаев имел место — неизвестно.
Простой триггер имеет ограниченную последовательность счета, 0 и 1. Для увеличения емкости счетчика необходимы дополнительные триггеры. Максимальное количество двоичных состояний, которым может обладать счетчик, зависит от количества триггеров в счетчике. Оно может быть выражено следующей формулой:
N = 2n,
где N — максимальное количество состояний счетчика, n — количество триггеров в счетчике.
Двоичные счетчики делятся на две категории: асинхронные и синхронные, в зависимости от того, как используется последовательность тактовых импульсов.
Асинхронный означает неодновременный. По отношению к операциям счета асинхронность означает, что триггеры изменяют свое состояние неодновременно. Это обусловлено тем, что источник тактовых импульсов не соединен с тактовым входом каждого разряда. На рис. 34–11 изображен двухразрядный счетчик, соединенный для работы в асинхронном режиме. Каждый триггер счетчика называется разрядом.

Рис. 34–11. Двухразрядный счетчик.
Заметим, что выход Q- первого разряда связан с тактовым входом второго разряда. Второй разряд изменяет свое состояние только при изменении состояния выхода первого разряда. Вследствие задержки сигнала триггером, второй триггер изменяет свое состояние неодновременно с подачей тактового импульса. Следовательно, два триггера переключаются неодновременно, что является результатом асинхронного режима работы.
Асинхронные счетчики обычно называют счетчиками пульсаций. Входной тактовый импульс сначала принимает первый триггер. Второй триггер не реагирует на сигнал в тот же самый момент, вследствие его задержки первым триггером. В многоразрядном счетчике задержка имеет место на каждом триггере, так что влияние входного тактового импульса как бы «пульсирует» проходя через счетчик.
На рис. 34–12 изображен трехразрядный двоичный счетчик и графики синхронизации для каждого разряда. Для отображения счетной последовательности приведена таблица истинности.

Рис. 34–12. Трехразрядный двоичный счетчик.
Синхронный означает одновременный. Синхронный счетчик — это счетчик, в котором все разряды получают тактовый импульс одновременно, что достигается параллельным соединением их тактовых входов (рис. 34–13).

Рис. 34–13. Двухразрядный синхронный счетчик.
Синхронный счетчик также называют параллельным счетчиком, так как тактовые входы всех триггеров соединены параллельно.
Синхронный счетчик работает следующим образом. Сначала счетчик устанавливается в исходное состояние, при этом оба триггера имеют на выходе состояние 0. Когда подается первый тактовый импульс, первый триггер переключается, и на его выходе появляется высокий уровень сигнала. Второй триггер не переключается вследствие задержки между подачей входного сигнала и реальным изменением состояния выхода. Следовательно, выходное состояние второго триггера не изменяется. Когда подается второй тактовый импульс, первый триггер переключается, и на его выходе появляется низкий уровень. Поскольку на входе второго триггера был высокий уровень, он переключается, и на его выходе появляется высокий уровень. После четырех тактовых импульсов счетчик вернется в исходное состояние. На рис. 34–14 изображена временная диаграмма работы двухразрядного синхронного счетчика для четырех тактовых импульсов.

Рис. 34–14. Форма входных и выходных импульсов двухразрядного синхронного счетчика.
На рис. 34–15 изображен трехразрядный двоичный счетчик и временная диаграмма его работы. На рис. 34–16 изображен четырехразрядный двоичный счетчик и его логическое обозначение.

Рис. 34–15. Трехразрядный двоичный счетчик и временная диаграмма.

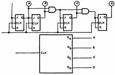
Рис. 34–16. Логическая схема и обозначение четырехразрядного синхронного счетчика.
Одним из применений счетчиков является деление частоты. Простой триггер выдает один импульс на каждые два входных импульса. Следовательно, он является устройством для деления на 2, выходная частота которого вдвое меньше входной. Двухразрядный двоичный счетчик является устройством деления на 4, выходная частота которого вчетверо меньше входной тактовой частоты. Четырехразрядный двоичный счетчик является устройством деления на 16, выходная частота которого в 16 раз меньше входной тактовой частоты (рис. 34–17).

Рис. 34–17. Счетчик в качестве делителя частоты.
Двоичный счетчик с п разрядами делит тактовую частоту на 2n. Трехразрядный счетчик делит тактовую частоту на 8 (23), четырехразрядный на 16 (24), пятиразрядный на 32 (25) и т. д. Заметим, что коэффициент счета счетчика равен коэффициенту деления частоты.
Десятичные счетчики имеют коэффициент счета, равный десяти или десять состояний в последовательности счета. Обычным десятичным счетчиком является двоично-десятичный счетчик, выдающий последовательность в двоично-десятичном коде (рис. 34–18). Элементы И и ИЛИ регистрируют появление девятого состояния и возвращают счетчик в исходное состояние к началу следующего тактового импульса. На рис. 34–19 изображено логическое обозначение десятичного счетчика.

Рис. 34–18. Синхронный двоично-десятичный счетчик.

Рис. 34–19. Логическое обозначение десятичного счетчика.