Военные радиоигры - Страница 7
Как только луч света попадает на фоторезистор (вы поразили мишень), на входе эмиттерного повторителя появляется импульс тока (напряжения). После усиления этот импульс в положительной полярности попадает на базу транзистора Т3, и он закрывается. Напряжение на коллекторе транзистора Т3 достигает напряжения питания, транзистор Т4 открывается, и в обмотке реле Р1 появляется ток. Реле срабатывает, включая сигнальное устройство, указывающее, что вы попали точно в центр мишени.
После этого через резисторы R9 и R11 и участок коллектор—эмиттер транзистора Т4 начинает перезаряжаться конденсатор С4. Как только напряжение на базе транзистора Т3 достигнет такой величины, что этот транзистор откроется, через него потечет ток. Напряжение на коллекторе Т3, а следовательно, и на базе Т4 уменьшится настолько, что Т4 закроется и все устройство перейдет в первоначальное состояние, то есть в режим ожидания. В этом положении ток через обмотку реле P1 прекратится и контакты реле разомкнутся.
При мгновенном переключении мультивибратора ток в обмотке реле P1 резко прекращается и возникают большие обратные токи, так называемые экстратоки. Такое явление наблюдается всегда, когда прерывается ток, идущий через индуктивность.
В опытах с электромагнитами на уроках физики, при изучении явлений индукции и самоиндукции, вы, наверное, заметили, что при размыкании контактов, включающих ток в катушку, между ними проскакивает большая искра. Неосторожный экспериментатор, замыкающий цепь неизолированными проводами, даже при очень небольшом первичном источнике тока, например от батареи КБС-Л-0,50, ощущает довольно сильный удар током.
Для того чтобы экстратоки, возникающие в цепи реле Р1 — транзистор Т4, не вывели последний из строя, так как напряжения, вызванные этими токами, превышают допустимые на участке коллектор — эмиттер, параллельно обмотке реле включают диод Д3. Через этот диод замыкаются экстратоки, и транзистор оказывается вне опасности.
Все устройство транзисторной мишени питается от трех батарей типа КБС-Л-0,50. Несколько необычное включение источников питания вызвано тем, что, если питать ждущий мультивибратор и усилитель от одной батареи (особенно если батареи не новые), все устройство работает нечетко и возможны либо ложные срабатывания, либо при попадании в мишень спусковое устройство не сработает вовсе.
Поэтому для четкой работы пришлось разделить источники питания. Спусковое устройство питается от всех трех батарей, включенных последовательно, а усилитель на Т2 — только от двух из них (Б1). Разделение батарей выгодно еще и потому, что для питания усилителя вполне достаточно напряжения 6–7 в, а для четкой работы спускового устройства с электромеханическим реле или счетчиком напряжение желательно побольше — 8–9 в. Общий потребляемый ток транзисторной мишенью не превышает 7—10 ма.
Конструкция транзисторного варианта мишени может быть произвольной. На рисунках 18 и 19 показан один из вариантов размещения деталей мишени на монтажной плате (рис. 20).

Рис. 18. Размещение деталей на плате транзисторной мишени.

Рис. 19. Монтаж транзисторной мишени.

Рис. 20. Разметка монтажной платы.
В данном варианте монтажа основой платы служит пластина дюралюминия размерами 120x60 мм. Транзисторы установлены в специальные панели, провода питания и выходные цепи к исполнительному устройству прикреплены на пятиконтактной колодке. Резисторы, конденсаторы и диоды установлены с нижней стороны монтажной платы и припаяны к выводам панелек для транзисторов и монтажных планок со штырьками. Вместо дюралюминиевой платы можно использовать гетинаксовую или текстолитовую таких же размеров. В этом случае детали припаивают к контактным штырькам из медной луженой проволоки, забитым в отверстия, просверленные непосредственно в плате.
Детали для транзисторной мишени используют любые, лишь бы номиналы их соответствовали приведенным на принципиальной схеме. Если необходимо сделать мишень переносной, то нужно взять малогабаритные детали (резисторы типа УЛМ или МЛТ, конденсаторы типов ЭМ, ЭТО или К-50). Вместо диода Д2Е можно применить любой из серии Д2 или Д9, а вместо Д7Е можно использовать Д7 с любым буквенным индексом, а также Д226.
Транзисторы могут быть любые низкочастотные из серии МП39—МП42 или П13—П16. Важно только, чтобы статический коэффициент усиления по току βст был у этих транзисторов не менее 30–40.
Напоминаем, что, прежде чем приступить к монтажу, необходимо проверить исправность деталей. После сборки следует убедиться в правильности всех соединений по монтажной и принципиальной схемам и только после этого включать питание.
Налаживание мишени сводится к такому подбору величин резисторов R2, R3, R5, R7, R8, R11 и конденсаторов С2, С3 и С4, чтобы при освещении фоторезистора карманным фонарем четко срабатывало исполнительное устройство. Налаживание нужно производить при обычном дневном или электрическом свете, стремясь к тому, чтобы на фоторезистор не попадал прямой свет от окна или электрической лампочки. Налаживание мишени— дело наиболее сложное.
Импульс света от лампочки, установленной в пистолете, очень мал, и поэтому из мишени нужно «выжать» все, что она может дать, то есть очень тщательно настроить все ее каскады. При налаживании может оказаться, что номиналы резисторов и конденсаторов будут отличаться от указанных на схеме в два-три раза. Этого не следует бояться, так как сопротивление фоторезистора ФС-К1 может отличаться от использованного в схеме, приведенной на рисунке 17, и коэффициент усиления транзисторов тоже может быть другим.
Транзисторную мишень можно питать от сети через выпрямитель, схема которого изображена на рисунке 21.

Рис. 21. Принципиальная схема выпрямителя для питания транзисторной мишени.
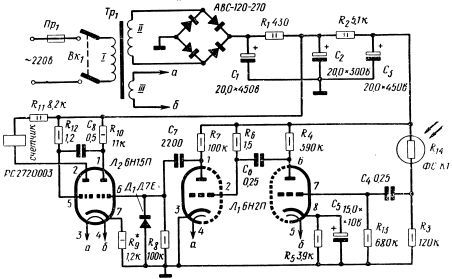
Более чувствительную мишень, позволяющую стрелять с расстояния до 10 м, следует собирать на радиолампах. Блок-схема такой мишени и принцип действия ее такие же, как у транзисторной. Тот же фоторезистор типа ФС-К1 является чувствительным элементом. Затем следует двухкаскадный усилитель и спусковое устройство (ждущий мультивибратор), в нагрузке которого установлено исполнительное реле или электромеханический счетчик.
Принципиальная схема ламповой мишени изображена на рисунке 22.

Рис. 22. Принципиальная схема ламповой мишени.
Положительный импульс напряжения, возникающий в момент попадания света на фоторезистор, выделяется на нагрузочном резисторе R3 и через конденсатор С4 попадает на управляющую сетку правой половины лампы Л1, работающей усилителем входного импульса. Анодной нагрузкой лампы служит резистор R4, с которого снимают усиленный импульс. В ламповой схеме мишени, в отличие от транзисторной, входной импульс можно подавать прямо на усилитель, не устанавливая согласующих каскадов. Это возможно потому, что входное сопротивление лампового каскада достаточно большое и первый каскад может работать в режиме усиления.
Второй каскад усиления собран на левой половине двойного триода Л1. Усиленный импульс поступает на вход второго каскада через конденсатор С6. Резистор R5 и конденсатор С5 образуют ячейку автоматического смещения на управляющей сетке правой половины лампы Л1. Анодный ток, проходя по резистору R5, создает на нем падение напряжения. Полярность этого напряжения такова, что на катоде лампы образуется положительный потенциал, а на заземленном конце резистора — отрицательный. Этот отрицательный потенциал попадает на сетку через резистор утечки R3. Импульс напряжения, возникающий на фоторезисторе, имеет сложную форму и содержит много переменных составляющих. Чтобы на управляющую сетку правой половины лампы не попадала переменная составляющая в обратной полярности с приходящим импульсом и не создавалась таким образом отрицательная обратная связь, уменьшающая усиление каскада, установлен конденсатор С5. Через этот конденсатор переменная составляющая усиливаемого сигнала замыкается на общий провод, минуя резистор R5.