Военные радиоигры - Страница 19

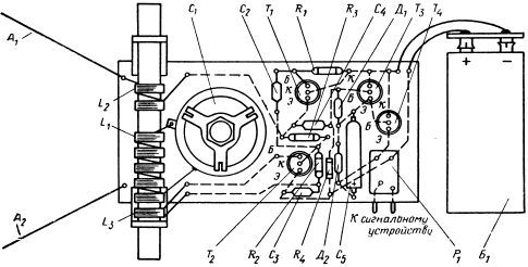
Рис. 65. Монтажная плата электронного сторожа.
Резистор R5 можно установить в том случае, если реле P1 малочувствительно и ток транзисторов недостаточен для четкой работы реле. От источника питания через резистор R5 в обмотку реле P1 проходит небольшой ток, который подмагничивает сердечник обмотки реле и облегчает его срабатывание при появлении тока через транзисторы Т3 и Т4.
Электронные сторожа, о которых мы рассказали, могут быть использованы не только для «военных» целей.
Такие сторожа могут сослужить хорошую службу при организации различных аттракционов и веселых игр с самым неожиданным результатом. Об этом стоит подумать тем, кто хочет, чтобы пионерские сборы, школьные или семейные торжества и праздники были по-настоящему веселыми и интересными.
Мы рассказали только о некоторых применениях радиоэлектроники в приложении к военным играм. Воспользовавшись описаниями самых различных по назначению электронных устройств, вы сможете так вооружить участников игры «Зарница» или просто военизированного похода новейшей техникой, что ваш отряд при наличии, конечно, смекалки и военной хитрости станет непобедимым.
Существует еще много самых разнообразных электронных игрушек, имеющих более «мирное» применение, но это уже тема другой книжки.
Для тех, кто воспользуется описанием устройств, о которых мы рассказали, и, самое главное, захочет их сделать для себя или для товарищей, мы даем небольшое приложение. Оно поможет конструктору подыскать замену той или иной детали, если он не сможет достать именно ту, которая указана в описании устройства.

Приложение












