Военные радиоигры - Страница 16
Рис. 53. Размещение деталей в корпусе фоноавтомата.
После окончания сборки электронная часть автомата начинает работать сразу. Не подключая громкоговоритель, надо убедиться, что контакты реле замыкаются и размыкаются с достаточной скоростью, которую можно менять с помощью переменного резистора. Ток, потребляемый мультивибратором от источников питания при отсоединенном громкоговорителе, около 3 ма.
Установив требуемую частоту переключения контактов реле, присоединяют громкоговоритель. Частота «выстрелов» несколько понизится. Если она будет недостаточно большой, нужно снова подобрать все детали мультивибратора, потому что при подключенном громкоговорителе изменение сопротивления резистора R2 мало влияет на частоту «выстрелов».
При включении громкоговорителя потребляемый ток возрастает до 30 ма. Такой расход тока продолжается очень короткое время, и поэтому емкости трех батарей типа КБС-Л-0,50, включенных последовательно, хватит на 40–50 часов непрерывной «стрельбы», то есть практически на целый поход, и даже останется на тренировки.
Чтобы усилить громкость стрельбы, нужно увеличить напряжение батареи (взять две КБС-Л-0,50). Одновременно с усилением громкости возрастет и расход тока от батареи до 50 ма. Это не страшно, так как запаса электроэнергии в автомате вполне достаточно.
Если есть возможность установить в корпусе автомата еще одну батарею, то можно мультивибратор питать от одной батареи типа «Крона» (она занимает мало места), а громкоговоритель — от двух-трех батарей КБС-Л-0,50. Раздельное питание мультивибратора и громкоговорителя позволит устанавливать любую скорострельность. Схема включения двух батарей показана на рисунке 55.
Во время выстрела из огнестрельного оружия, кроме громкого звука, видна и вспышка света. Наш фоноавтомат создает только звуки выстрелов. Заменив громкоговоритель лампочкой от карманного фонаря, мы сможем получить фотоавтомат. «Фотос» по-гречески значит «свет», и это автоматическое «оружие» позволяет получить вспышки после каждого «выстрела».
Вспышки света лампочки от карманного фонаря хорошо заметны в темное время суток. Особенно эффектны они, если лампочку, помещенную на конце ствола, закрыть оранжевым колпачком от сигнального фонаря — указателя поворотов для мотоцикла.
Простейший фотоавтомат можно питать только от одной батареи для карманного фонаря типа КБС-Л-0,50. В этом случае следует устанавливать лампочку 2,5 в 0,16 а. Для лампочки 6,3 в 0,28 а следует использовать две батареи, включенные последовательно. Нужно помнить, что в обоих случаях напряжение питания больше, чем напряжение, на которое рассчитаны лампочки. Поэтому нельзя включать их на продолжительное время и нужно следить, чтобы контакты реле фотоавтомата не были долго замкнуты, иначе лампочка может перегореть.
Во время работы фотоавтомата контакты реле включают лампочку на очень короткое время, и она, давая яркую вспышку, перегореть не успевает. Вспомните экономичный фонарь, там было точно такое же устройство.
Схема подключения лампочки вместо громкоговорителя на рисунке 54 показана пунктиром.

Рис. 54. Схемы включения громкоговорителя и лампочки, работающей от отдельной батареи.
Такой автомат или пулемет, дающий только световые вспышки при выстреле или только звук выстрела (даже очень громкий), не создает полного представления о настоящем оружии.
Выход из этого положения можно найти, если объединить фотоавтомат и фоноавтомат в одно устройство, которое мы назвали «фотофоноавтоматом», или «автоматом системы ФФ». Название это мы придумали по аналогии с названием хорошо послужившего во время Великой Отечественной войны пистолета системы ТТ. Такое название взято по первым буквам Тульский (место, где был изготовлен пистолет) и Токарев (фамилия конструктора пистолета).
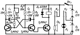
Наш автомат системы ФФ содержит в себе электронную часть, позволяющую одновременно получать громкий звук «выстрела» и вспышку света. На рисунке 55 изображена принципиальная схема электронной части автомата системы ФФ.

Рис. 55. Принципиальная схема автомата системы ФФ.
Это тоже несимметричный мультивибратор, собранный на транзисторах T1 и Т2, к которому добавлен усилитель тока на транзисторе Т3. Контактная группа реле Р1 должна иметь два нормально разомкнутых контакта К1 и К2. Один контакт (К1), замыкаясь, включает громкоговоритель Гр1, другой контакт (К2) при срабатывании реле включает лампочку Л1. В момент «выстрела» слышится звук и видна вспышка света.
Схема мультивибратора осталась такой же, как и в простом фоноавтомате. Усилитель тока необходимо добавить для более четкой работы мультивибратора, колебания которого могут срываться при одновременном включении лампочки и громкоговорителя. Кроме этого, для питания автомата системы ФФ нужно два источника. От одной батареи типа КБС-Л-0,50 питается лампочка Л1, а мультивибратор и громкоговоритель — от этой же батареи, к которой добавлено последовательно еще две такие же.
Размеры платы, на которой собирают детали автомата системы ФФ, выбирают произвольные, зависящие от габаритов конструкции. Реле P1 взято типа РЭС-6.
Для уверенной работы в этой схеме нужно разобрать реле, удалить обмотку и намотать новую проводом ПЭЛ 0,12. Новая обмотка должна содержать 2000 витков. Расположение деталей на плате показано на рисунке 56.

Рис. 56. Расположение деталей на плате автомата.
Все схемы электронной «начинки», о которых мы рассказали, не обеспечивают достаточно яркой вспышки и громкого звука «выстрела». Кроме этого, устройства фоно- и фотоавтоматов и автомата системы ФФ расходуют много энергии от батарейки. Эти недостатки можно устранить, собрав автомат системы ФФ по схеме, приведенной на рисунке 57.

Рис. 57. Принципиальная схема усовершенствованного автомата системы ФФ.
В этом автомате можно использовать две маленькие батарейки типа «Крона», запаса энергии которых будет достаточно для нескольких «боев». В то же время батарейки «Крона» значительно легче, чем КБС-Л-0,50, и занимают гораздо меньше места.
Схема усовершенствованного автомата ФФ состоит из мультивибратора, такого же, как и во всех предыдущих автоматах. Кроме мультивибратора, в этой схеме есть еще спусковое устройство — ждущий мультивибратор. Назначение мультивибратора — создавать «выстрелы». Спусковое устройство, точно такое же, как было описано в электронном тире, предназначено для того, чтобы включать обмотку реле на очень короткое время. Это позволит уменьшить расход электроэнергии от батарей.
Для питания фотофоноавтомата использованы две батареи типа «Крона», каждая напряжением 9 в. Лучше использовать батареи дисковых малогабаритных аккумуляторов 7Д-0,1.
При нажатии на спусковой крючок автомата Вк1 включается питание на мультивибратор и спусковое устройство. Мультивибратор генерирует прямоугольные импульсы с частотой 5—10 гц. С такой же частотой срабатывает спусковое устройство, на вход которого поступают импульсы с мультивибратора. Реле P1 переключает свои контакты К1 и К2 с частотой мультивибратора. До того как мы нажали на спусковой крючок, конденсаторы С5 и С6 зарядились от источника питания до напряжения 9 в. Цепь зарядки выглядит так: минусовый полюс батареи Б2, резисторы R9 и R10, верхние по схеме контакты К1 и К2, минусовые обкладки конденсаторов C5 и С6, плюсовые обкладки этих конденсаторов, положительный полюс батареи Б1.