Военные радиоигры - Страница 14
После окончания монтажа нужно тщательно проверить правильность соединений деталей и соответствие монтажа принципиальной и монтажной схемам. Только после этого можно включать питание.
Общий ток, потребляемый радиокомпасом, не должен превышать 3–4 ма. Измеряют ток миллиамперметром, включив его в разрыв провода после выключателя питания Вк1. Можно миллиамперметр присоединить прямо к контактам разомкнутого выключателя.
При токе больше указанного надо немедленно выключить питание и проверить правильность монтажа или найти неисправную деталь. Следующий этап налаживания радиокомпаса — измерение режимов транзисторов. В разрыв проводов, указанных на схеме (см. рис. 40) крестиком, включают миллиамперметр. Токи, потребляемые каждым каскадом, должны соответствовать указанным на принципиальной схеме. Если измеренные величины будут значительно (раза в три-четыре) отличаться от данных, следует искать неисправность в схеме или проверить качество деталей. Если различие небольшое, нужно изменить значение резисторов, помеченных звездочкой.
После установки нормального режима работы по постоянному току переходят к настройке входного контура. Обычно при исправных деталях и правильном монтаже при вращении ротора конденсатора С1 удается принять работу какой-то местной радиостанции. Настройку входного контура лучше всего производить при одной штыревой антенне, имеющей круговую диаграмму направленности. Если используется рамочная или магнитная антенна, то при вращении конденсатора С1 следует менять и положение приемника или антенны, так как она имеет направленные свойства.
Если не удается принять ни одной станции, можно временно подключить к концам катушки L1 еще один конденсатор переменной емкости и попробовать настроиться на станцию с его помощью, оставляя конденсатор С1 в положении наибольшей емкости. Когда станция найдена, второй конденсатор переменной емкости заменяют конденсатором постоянной емкости. Если же и вторым конденсатором не удалось найти в рабочем диапазоне радиокомпаса уверенно слышимой радиостанции, нужно увеличивать число витков катушки L1. Громкость работы радиокомпаса зависит от положения катушки связи L2 по отношению к L1. Поэтому, когда будет найдена хорошо слышимая станция, надо попробовать перемещать катушку связи по стержню ферритовой антенны, добиваясь увеличения громкости.
После того как приемник радиокомпаса будет уверенно работать, подключают обе антенны и пробуют определить направление на станцию по максимальной громкости. Это направление различается не очень четко, и лучше определять его по минимальной слышимости.
Полезно к радиокомпасу сделать и шкалу, как в обычном компасе (рис. 47).

Рис. 47. Компас.
Радиокомпас может быть использован не только для определения направления, когда невозможно ориентироваться каким-либо другим способом. Можно, например, отыскать «вражеский» штаб или другой важный объект «противника». Условно этот объект обозначают цветными флажками или бумажками в виде круга диаметром не менее 50 м и ставят задачу найти объект с расстояния в несколько километров от него. «Разведчикам» указывают только «азимут» и примерное расстояние до объекта. «Азимутом» будем считать в данном случае угол между направлением на радиостанцию (или противоположное ему) и направлением на разыскиваемый объект. Направление необходимо определять по радиокомпасу.
«Лихо мерили шаги две огромные ноги…»
Эти слова, наверное, знакомы каждому из вас. Но одно дело — приятные воспоминания о дяде Степе и совсем другое, когда самому приходится «мерить» шаги, и не только мерить (по-настоящему измерять длину своего шага), но и в тяжелом походе считать пройденное расстояние по числу шагов. Такая задача очень часто встречается при движении по азимуту с настоящим компасом или с радиокомпасом. И поручать это ответственное дело нужно только самому внимательному и аккуратному участнику похода. Положение счетчика шагов незавидное. Все идут, перебрасываясь шутками, любуются окружающей природой (если «противник» далеко) или соблюдают строжайшую тишину и скрытность передвижения, когда «враг» рядом. А тот, кому поручено считать шаги, должен ни на минуту не забывать об этом, и сбиваться со счета он просто не имеет права. Иначе весь отряд может заблудиться или прийти совсем не туда, куда нужно. Если кому-нибудь приходилось в походе считать шаги, тот знает, как это неприятно и утомительно.
Существует несколько разновидностей приборов-шагомеров. Но они не совсем удобны, а часто стоят дорого. Поэтому лучше сделать самодельный шагомер. Особенно интересно сделать шагомер электронный.
Чтобы понять, как работает такой счетчик, посмотрим на его блок-схему (рис. 48).

Рис. 48. Блок-схема счетчика шагов.
Контакты датчика замыкаются при каждом шаге и включают спусковое устройство. Спусковым оно названо, очевидно, по аналогии со спусковым крючком винтовки. При нажатии на спусковой крючок освобождается пружина бойка и раздается выстрел. При замыкании контактов датчика отпирается транзистор Т2 (запирается транзистор Т1) — спусковое устройство образует («выстреливает») на выходе схемы электрический импульс (рис. 49).
Этот импульс поступает в электромеханический счетчик и поворачивает барабан с цифрами на одно деление.
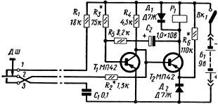
Принципиальная схема шагомера изображена на рисунке 49.

Рис. 49. Принципиальная схема шагомера.
В спусковом устройстве работают транзисторы Т1, Т2 и диоды Д1 и Д2. Обмотка электромеханического счетчика Сч включена в коллекторную цепь транзистора Т2. Датчик шагов ДШ имеет три контакта. Когда пешеход делает шаг, то есть переставляет ногу, контакты 1, 2 датчика замкнуты. При этом конденсатор С1 заряжается через контакты выключателя Вк1, резистор R1, контакты 1, 2 датчика до напряжения батареи Б1, питающей прибор.
В это время транзистор Т1 открыт, так как на его базу через резистор R3 подается отрицательное напряжение смещения, а транзистор Т2 закрыт. Как только будет сделана первая пара шагов, контакты 1 и 2 разомкнутся, а контакты 2 и 3 замкнутся. При этом заряженный конденсатор C1 отрицательной обкладкой оказывается подключенным через резистор R2 к базе транзистора Т2 и открывает его. В этот момент в обмотке счетчика появляется значительный ток, магнитное поле которого притягивает якорь, а связанная с якорем «собачка» поворачивает на один зубец храповое колесо счетчика.
Резисторы R3, R5 и конденсатор С2 образуют времязадающую цепь обратной связи. Она определяет время, в течение которого транзистор Т2 открыт. При деталях, указанных на схеме шагомера, оно ограничено 0,1 сек. За это время происходит перезарядка конденсатора С2 через резисторы R3, R5, открытый транзистор Т2 и диод Д1.
Как только конденсатор С2 перезарядится, все устройство независимо от положения контактов датчика принимает исходное состояние: транзистор Т1 открывается, а транзистор Т2 закрывается. А как только контакт 2 датчика замкнется с контактом 1, снова начинает заряжаться конденсатор C1. За время одного шага этот конденсатор полностью зарядится, и шагомер будет готов к новому отсчету.
Диод Д1 предупреждает пробой транзистора Т2. Дело в том, что в момент, когда транзистор Т2 закрывается, энергия, запасенная индуктивностью обмотки счетчика, стремится поддерживать убывающий ток. Мгновенное увеличение этого тока, называемого экстратоком, опасно для транзистора. Диод Д1 замыкает на себя положительные полуволны экстратока размыкания и таким образом защищает транзистор от пробоя. Когда конденсатор С1 накапливает заряд, прибор потребляет от батареи ток не более 2 ма, а в момент разряда, когда срабатывает электромеханический счетчик, ток увеличивается до 40 ма.