Военные радиоигры - Страница 13
Схема детекторного каскада похожа на схему каскада усилителя ВЧ. Различие состоит в том, что смещение на базу транзистора Т2 задается только автоматически, так как отсутствует делитель напряжения. Термокомпенсация в этом каскаде выполнена по более простой схеме, и режим работы транзистора выбран таким, что проявляются его детектирующие свойства.
Высокочастотное напряжение, поступившее на базу транзистора детектора, по своей форме очень сложное, потому что оно содержит несущую частоту и низкочастотный (звуковой) сигнал. Такое напряжение называют модулированным.
Радиоволны очень низких (звуковых) частот не могут распространяться на большие расстояния, поэтому нельзя сразу превратить звуковые колебания в радиоволны и передавать в эфир. Хорошо распространяются на большие расстояния высокие частоты (радиочастоты). Поэтому и нужно на передатчике создать модулированные колебания, как бы запечатать в конверт высоких радиочастот низкочастотный (звуковой) сигнал. В приемнике необходимо снова разделить эти частоты, произвести демодуляцию, то есть детектирование сигнала.
В результате детектирования получают раздельно высокочастотную составляющую принятого сигнала (несущую), низкочастотную (звуковую) составляющую и постоянную составляющую. Высокочастотная и постоянная составляющие продетектированного сигнала нам не нужны. Нас интересует только звуковая частота, то есть сигнал, содержащий музыку или речь.
Назначение деталей R6, R7 и C5 такое же, как в каскаде усилителя ВЧ, с той лишь разницей, что на нагрузке детекторного каскада выделяется усиленный низкочастотный сигнал. Конденсатор С6 служит для того, чтобы избавиться от высокочастотной составляющей продетектированного сигнала, замкнув ее через емкость этого конденсатора на общий провод. Постоянную составляющую на следующий каскад не пропустит конденсатор связи С7.
Следующий каскад — усилитель низкой частоты — необходим потому, что продетектированный сигнал (его низкочастотная составляющая) настолько мал, что мы сможем услышать его только при приеме очень мощных и близко расположенных радиостанций.
Назначение резисторов R8, R9 и R10 и конденсатора С9 аналогично первому каскаду приемника. Они предназначены для создания режима работы транзистора по постоянному току и подачи автоматического смещения на базу транзистора Т3. Нагрузкой оконечного каскада усилителя НЧ служат головные телефоны Тлф. Для улучшения качества звучания параллельно головным телефонам включен конденсатор С8. Выключение питания радиокомпаса производят выключателем Вк1, с помощью которого разъединяют один из проводов, ведущих к батарее питания.
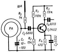
Как уже указывалось, лучшие результаты при определении направления на радиостанцию во время ориентировки на местности можно получить, используя рамочную антенну. На рисунке 42 показана часть схемы радиокомпаса (его входная часть), в котором использована рамочная антенна.

Рис. 42. Входная цепь радиокомпаса.
Радиокомпас собирают в корпусе от карманного приемника, выпускаемого специально для радиолюбителей. Корпус можно изготовить самим, склеив его из любой пластмассы. Размеры корпуса 108x68x28 мм. В корпусе размещают плату с деталями радиокомпаса и источники питания. На лицевой панели устанавливают керамический подстроечный конденсатор типа КПК-3 и выключатель питания. Последний может быть самодельным, изготовленным из полосок гартованной латуни (контакты реле).
Для выключения приемника можно использовать любой тумблер или выключатель, желательно малогабаритный.
Ферритовую антенну удобно расположить сверху корпуса радиокомпаса, а снизу укрепить гнезда для включения головных телефонов.
Внешний вид радиокомпаса показан на рис. 43.

Рис. 43. Внешний вид радиокомпаса.
Весь монтаж радиокомпаса размещен на гетинаксовой плате толщиной 1 мм и размерами 60x74 мм. Расположение деталей на плате показано на рисунке 44, а монтажная схема соединения деталей — на рисунке 45.

Рис. 44. Монтаж радиокомпаса.

Рис. 45. Монтажная схема радиокомпаса.
Все детали приемника фабричные, за исключением ферритовой (рамочной) антенны. Антенна состоит из круглого сердечника диаметром 8 мм и длиной 110 мм, используемого в вещательных транзисторных приемниках. Катушка индуктивности L1 намотана на бумажной гильзе длиной 45 мм, плотно надеваемой на ферритовый стержень. Она содержит 250 витков, уложенных равными секциями по 50 витков. Катушка связи L2 имеет 25 витков, уложенных на подвижной бумажной гильзе длиной 6 мм. Обе катушки намотаны проводом ПЭЛШО 0,12. Такая антенна рассчитана для работы в диапазоне длинных волн. На средних волнах число витков следует уменьшить соответственно до 100—80 и 10.
Рамочная антенна может быть круглой или квадратной формы. Диаметр круга или сторона квадрата рамочной антенны, вообще говоря, зависит от длины волны принимаемой радиостанции. Чем длиннее волна, тем больше размеры рамочной антенны. Для радиокомпаса, работающего на длинных или средних волнах, вполне достаточна круглая рамочная антенна с диаметром 40–50 см, такой же длины должна быть и сторона квадратной рамки.
Рамочную антенну изготовляют из медного изолированного провода диаметром 0,6–0,8 мм. Число витков рамки зависит от ее размеров и длины волны принимаемой радиостанции. При указанном диаметре (стороне квадрата) рамка для работы на средних волнах имеет 16 витков с отводом от второго витка. На длинноволновом диапазоне следует применять рамку, состоящую из 35–40 витков с отводом от четвертого витка. Витки проводов круглой рамочной антенны помещают в оболочку от коаксиального кабеля или обматывают несколькими слоями изоляционной хлорвиниловой ленты.
Круглая рамочная антенна с помощью изоляционных прокладок соединяется со штыревой, которая обеспечивает ей жесткость. Основанием штыревой и рамочной антенн служит пластина из изоляционного материала, на которой укрепляется и радиокомпас. Конструкция радиокомпаса с антеннами может быть произвольной, в зависимости от вкуса и возможностей радиолюбителя.
Внешний вид круглой рамочной антенны, сочлененной со штыревой и приемником, показан на рисунке 46.

Рис. 46. Круглая рамочная антенна, сочлененная со штыревой.
Конденсаторы С2, С3, С4, С5, С6, С8 — керамические, типа КЛС или КДС, электролитические конденсаторы С7 и С9 — типа ЭМ или фирмы «Тесла». Все резисторы — типа МЛТ и УЛМ. Номиналы деталей могут отличаться от указанных на схеме на 20 % в сторону уменьшения или увеличения, что не скажется на работе приемника. Можно использовать детали больших габаритов, при этом увеличатся размеры радиокомпаса.
Транзистор Т1 должен иметь коэффициент усиления βст порядка 30–50. Можно применить и другие типы высокочастотных маломощных транзисторов, например П420—П422, П416 и др.
Низкочастотные транзисторы Т2 и Т3 должны иметь коэффициент усиления 50–80. На их месте можно использовать любые низкочастотные маломощные транзисторы. Монтажные соединения надо вести голым медным луженым проводом диаметром 0,2–0,5 мм. Контактные штырьки на монтажной плате можно не устанавливать, используя выводы деталей для крепления их на плате.
Перед сборкой радиокомпаса следует проверить исправность деталей: конденсаторы и резисторы должны соответствовать тем номиналам, которые указаны на принципиальной схеме; катушки рамочной или магнитной антенны не должны иметь обрывов; батарея питания — обеспечивать необходимое напряжение.