Военные радиоигры - Страница 12
Как определять направление по максимуму и минимуму сигналов принимаемой радиостанции, поясняет рисунок 39.

Рис. 39. Определение направления по кардиоидной диаграмме (ША — штыревая антенна, МА — магнитная антенна).
Если при изготовлении такого «радиокомпаса» у вас возникнет вопрос, какая антенна лучше — ферритовая или рамочная, то советуем отдать предпочтение рамочной. У нее диаграмма направленности острее и минимум и максимум приема выражены значительно резче.
Самодельный радиокомпас
Заводской транзисторный приемник в любом походе лучше использовать по прямому его назначению. Веселая музыка, последние известия, проверка времени — вот для чего нужен вещательный приемник в походе. Радиокомпас лучше сделать только радиокомпасом и использовать его для определения направлений маршрута.
Схема и конструкция радиокомпаса очень просты, и изготовить его может даже малоопытный радиолюбитель.
Для радиокомпаса нам потребуются 3 транзистора, 10 резисторов, 8 конденсаторов постоянной емкости и 1 переменной, немного монтажного провода, наушники и батарея для карманного фонаря. Ну и, конечно, ферритовая или рамочная антенна, которую изготовляют самостоятельно.
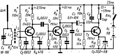
Схема радиокомпаса изображена на рисунке 40.

Рис. 40. Принципиальная схема радиокомпаса.
Это простейший приемник, собранный по схеме прямого усиления, сокращенно обозначаемой формулой I–V-I. Это означает, что приемник имеет один каскад усиления по высокой частоте, детектор и один каскад усиления по низкой частоте.
Радиоволны местной или иногородней мощной радиостанции наводят в контуре L1С1 магнитной антенны и на штыревой антенне очень небольшие высокочастотные напряжения. Через катушку связи L2 это напряжение поступает на вход усилителя высокой частоты, который собран на транзисторе Т1. Входной контур (контур магнитной антенны) настраивается с помощью конденсатора переменной емкости в резонанс с электромагнитными колебаниями (радиоволнами) принимаемой радиостанции. Это означает, что на контуре будет выделено напряжение с частотой только одной, нужной нам радиостанции, сигналы же других радиостанций, работающих в то же самое время на частотах, отличных от резонансной частоты контура L1C1, не будут «пойманы» этим контуром.
Резисторы R1, R2, R3 и R4 служат для создания определенного режима работы транзистора по постоянному току. С помощью этих резисторов на коллекторе, эмиттере и базе транзистора получают необходимые напряжения питания, обеспечивающие заданный режим работы.
Резисторы R1 и R2 образуют делитель (они включены между полюсами батареи источника питания), со средней точки которого снимается напряжение смещения на базу транзистора Т1. Обычно это напряжение равно 0,1 части от общего напряжения питания. В соответствии с этим и выбирают величины сопротивлений резисторов (110 ком и 15 ком). Резистор R3 называют нагрузкой каскада усилителя высокой частоты (ВЧ). На этом сопротивлении выделяется усиленное напряжение высокой частоты. Чем больше сопротивление этого резистора, тем значительнее будет на нем падение напряжения, то есть больше усиление каскада. Однако устанавливать очень большое сопротивление в цепи коллектора нельзя, потому что в этом случае на коллекторе будет слишком маленькое напряжение питания и транзистор будет иметь плохие усилительные свойства. Выбирают какое-то оптимальное значение сопротивления резистора нагрузки, при котором на коллектор поступает достаточное напряжение питания и в то же время на этом сопротивлении выделится заметно усиленное напряжение высокой частоты. Резистор R4 служит для создания дополнительного автоматического смещения на базе транзистора Т1. Ток эмиттера работающего транзистора, проходя по этому резистору, создает на нем падение напряжения тем большее, чем больше ток эмиттера. Это напряжение со знаком плюс поступает на базу через резистор R2 и катушку связи L2.
Конденсатор С2 служит для того, чтобы на резисторе R2 не падало напряжение высокочастотной составляющей усиливаемого сигнала. Дело в том, что это напряжение создает отрицательную обратную связь, уменьшающую общее усиление каскада.
В связи с тем, что пользоваться радиокомпасом придется при самых различных условиях, в нем необходимо предусмотреть температурную стабилизацию. Транзисторы очень чутки к колебаниям окружающей температуры. При изменении температуры, при которой работает транзистор, изменяется и коэффициент его усиления. В некоторых случаях каскад, собранный на нем, может оказаться запертым и все устройство перестанет работать.
Нестабильность работы транзисторных усилителей можно значительно уменьшить, подав на базу транзистора небольшое отрицательное смещение со специального делителя. Одновременно с этим в цепь эмиттера транзистора включают резистор автоматического смещения.
На рисунке 41 изображена схема оконечного усилителя радиокомпаса.

Рис. 41. Элементы термостабилизации транзисторного каскада.
Резисторы R8, R9 и R10 являются элементами термостабилизации. Сопротивление резистора автоматического смещения и сопротивления резисторов R8, R9 делителя выбирают такими, чтобы начальное отрицательное напряжение на базе по отношению к эмиттеру было равно 0,1–0,3 в. Значения сопротивлений этих резисторов подбирают при налаживании, и они могут значительно отличаться от указанных на схеме. Величины этих сопротивлений зависят от режима работы транзистора и напряжения источников питания.
Практически величина сопротивления резистора R10 в маломощных усилителях НЧ (низкой частоты) может изменяться от 400 ом до 3 ком, а сопротивление R8 — от 50 до 100 ком. Сопротивление резистора R9, как правило, составляет 0,1 часть от величины R8.
Как же осуществляется стабилизация режима работы транзистора?
При изменении окружающей температуры ток коллектора вследствие нестабильности свойств транзистора изменяется. Допустим, что он увеличился. Следовательно, увеличилось и падение напряжения на резисторе автоматического смещения R10. Со знаком «плюс» это смещение через резистор R9 попадает на базу транзистора и уменьшает его усилительные свойства, а значит, и коллекторный ток. Это происходит потому, что общее смещение на базе, которое складывается из отрицательного напряжения, поступающего с делителя R8, R9 от источника питания, и положительного напряжения смещения, поступающего с резистора R10 становится менее отрицательным и транзистор подзапирается. Уменьшение коллекторного тока возвращает транзистор в прежний режим, компенсируя влияние изменения температуры.
Такой способ термокомпенсации широко используется в маломощных транзисторных усилителях.
Конденсатор С2 (см. рис. 40) служит для того, чтобы высокочастотный сигнал, для которого емкость этого конденсатора представляет очень небольшое сопротивление, мог беспрепятственно попасть на общий плюсовой провод и на эмиттер транзистора Т1. Напомним, что входом каскада усилителя ВЧ является база— эмиттер транзистора и усиливаемый сигнал должен быть включен между базой и эмиттером транзистора.
Усиленный сигнал через конденсатор связи С4 поступает на базу второго каскада нашего приемника. Этот каскад — транзисторный детектор. В обычных приемниках предпочтение отдают диодным детекторам, в радиокомпасе лучше использовать транзисторный, потому что, кроме детектирования, он еще усиливает принятый сигнал.