Военные радиоигры - Страница 10
Как же работает такой электронный переключатель?
При замыкании контактов выключателя Вк1 на мультивибратор подается напряжение питания, и он начинает генерировать П-образные импульсы. Емкости конденсаторов С2 и С3 неодинаковы, и положительные импульсы будут по длительности не равны отрицательным. Нагрузкой одного из транзисторов мультивибратора служит обмотка реле, которое отрегулировано с преобладанием: при отсутствии тока в транзисторе и обмотке реле якорь будет находиться у одного из контактов. Это произойдет тогда, когда транзистор Т2 закрыт. При прохождении импульса через этот транзистор и обмотку реле якорь перебросится к противоположному контакту. После того как транзистор закроется, якорь вернется в прежнее положение.
В то время, когда якорь реле находится, допустим, у правого контакта, конденсатор С4 зарядится почти до напряжения батареи. Цепь заряда — минусовый вывод батареи, замкнутые контакты Вк1, резистор R7, минусовая обкладка конденсатора С4, плюсовая обкладка этого же конденсатора и второй полюс батареи. Резистор R7 служит для того, чтобы немного ограничить начальный ток заряда и предотвратить искрение при переключении контактов.
Как только якорь реле перебросится в левое по схеме положение и замкнет левый контакт Л, конденсатор начнет разряжаться на электрическую лампочку Л1. Запаса энергии, которую накопил конденсатор, достаточно, чтобы лампочка вспыхнула. Реле перебрасывает якорь с частотой генератора, переключая лампочку фонаря при указанных на схеме деталях примерно 10 раз в секунду. Причем время горения лампочки будет в несколько раз меньше, чем паузы, во время которых происходит зарядка конденсатора С4. Энергия батареи расходуется очень экономно.
Включать такой фонарь без электронного переключателя нельзя, так как для четкой работы необходимо напряжение батареи порядка 9 в, а лампочку нужно взять на напряжение 2,5–3,5 в. Частоту вспышек можно уменьшить с помощью переменного резистора R3, сделав видимым мигание лампочки.
Конструктивно электронный переключатель может быть выполнен по-разному в зависимости от типа используемого фонаря. Детали переключателя лучше взять малогабаритные, тогда он легко поместится в корпусе фонаря. Можно собрать его и в отдельной упаковке — небольшой пластмассовой или металлической коробочке, которую конструктивно объединить с фонарем.
Налаживание переключателя сводится к подбору величин емкостей конденсаторов С2 и С3. В качестве реле использовано электромеханическое реле типа РЭС-10, паспорт PC 4 524 308.
Транзисторы используются любые низкочастотные. Батареи питания в данной конструкции фонаря — аккумуляторы 7Д-0,1. Можно применить батарею «Крона» или две КБС, включенные последовательно. В этом случае фонарь получится громоздким, зато одного комплекта питания хватит на весь поход.
Конденсаторы С1, С2 и С4 могут быть типа К-50, ЭМ и ЭТО, резисторы — типа MЛT или УЛМ. Диод Д1, служащий для уменьшения экстратоков при резком переключении тока в обмотках реле, можно взять типа Д7 с любым буквенным индексом или Д226.
Электродный переключатель можно собрать по схеме, приведенной на рисунке 28.

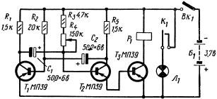
Рис. 28. Принципиальная схема электронного переключателя 3,7 в.
Это тоже несимметричный мультивибратор, который переключает контакты реле. В связи с тем, что здесь переключается непосредственно батарея, а не накопительный конденсатор, и напряжение батареи питания всего 3,7 в, а не 9 в, реле не будет четко срабатывать от прямоугольных импульсов, поступающих от мультивибратора. Их нужно усилить. Для этой цели в схеме установлен еще один транзистор — Т3. Он работает усилителем мощности. Реле здесь использовано такое же, как и в предыдущей схеме.
Некоторые реле этого типа при установке в переключатель работают не очень четко. Ток, даже усиленный транзистором Т3, оказывается мал. В этом случае надо отогнуть контактные пружины реле и тем самым ослабить давление пружин на якорь реле.
Назначение остальных деталей в переключателе точно такое же, как и в предыдущем. Транзисторы могут быть любыми низкочастотными из серии МП40—МП42, резисторы типа MЛT 0,25 или УЛМ. Переменный резистор — типа СПО или любой другой.
Конструкция переключателя тоже произвольная и зависит от размеров корпуса карманного фонаря.
Для примера на рисунке 29 показано размещение деталей на небольшой плате из любого изоляционного материала (текстолит, оргстекло) толщиной 0,5–1,5 мм.

Рис. 29. Фонарь с батареей 3,7 в.
Размеры платы рассчитаны на фонарь в прямоугольном металлическом корпусе. Поместить ее с деталями в корпус фонаря довольно трудно. Прежде всего необходимо удалить пружинящие контакты, к которым присоединяется батарея. На передней стенке фонаря надо просверлить отверстие для ручки переменного резистора. Резистор укрепляют на передней стенке гайкой. Корпус фонаря в том месте, куда вставляется монтажная плата, нужно оклеить тонким картоном или гетинаксом, чтобы монтажные соединения платы не замкнулись между собой через металлические стенки футляра.
Собрав схему переключателя (первого или второго), не вставляйте ее в корпус фонаря и не включайте питание. Сначала тщательно проверьте правильность соединений. Не перепутаны ли детали при монтаже, не замкнуты ли между собой монтажные провода, не затекло ли при пайке олово, которое может образовать ненужные и даже опасные соединения в монтажной схеме. Только убедившись, что все сделано точно в соответствии с принципиальной схемой, включайте батарейку. Реле начнет работать сразу же, если все соединения правильны.
Меняя величину сопротивления переменного резистора, вы заметите, что изменяется и частота вспышек. Окончательную регулировку частоты вспышек нужно производить в темноте. Вращайте ручку регулятора до тех пор, пока частота вспышек станет малозаметной. В этом положении следует оставить переменный резистор, так как фонарь будет потреблять наименьшее количество энергии от батареи, а светит так, как будто лампочка горит непрерывно.

Рис. 30. Фонарь с батареей 9 в.
На рисунке 30 показано размещение деталей электронного переключателя в круглом корпусе карманного фонаря.

Радиокомпас и шагомер

Компас — необходимая принадлежность любого похода. Мы знаем, как ходить по азимуту, как пользоваться картой и ориентироваться по солнцу и звездам.
Но представьте себе, что компас разбит в жарком бою с «противником», а тяжелые серые тучи не дают возможности хоть на минуту увидеть солнце или звезды. Да еще если мы блуждаем по лесу, где нет заметных ориентиров, а все деревья похожи одно на другое. Такой случай может быть не только в военизированном походе, но и во время самого обычного будничного похода за грибами. Есть еще одно средство для определения нужного нам направления — радиоволны.
Во всем мире работают тысячи вещательных и служебных радиостанций. Радиоволны несут на своих гребнях веселую музыку, различные сообщения и служебные телеграммы. Радиоволны распространяются вдоль земной поверхности, уходят в космос и затухают в толще Земли. В любое время суток, включив приемник, мы можем услышать десятки вещательных радиостанций. Может быть, правда, такой случай, когда ни одна радиоволна не проникнет в место приема. Это бывает на Дальнем Севере или Юге, близ полюсов Земли, во время магнитных бурь и ионосферных возмущений.