В помощь радиолюбителю. Выпуск 9 - Страница 1
Annotation
В данном выпуске приведены краткие описания и принципиальные схемы конструкций, ранее опубликованных в радиолюбительской литературе, которых вполне достаточно для сборки и налаживания каждой схемы. Учтены интересы начинающих радиолюбителей самого разного возраста.
Для широкого круга читателей.
Составитель: Никитин Вильямс Адольфович
Глава 1
1.1. Блок питания для «Славы»
1.2. Сетевой миниатюрный
1.3. Блок питания для компьютера типа «Балтик»
1.4. Блок питания на ТВК-110ЛМ
1.5. Источник питания повышенной мощности
1.6. Экономичный блок питания
Глава 2
2.1. Самый простой…
2.2. Прибор для проверки исправности транзисторов
2.3. Испытатель транзисторов средней и большой мощности
2.4. Испытатель транзисторов со стрелочным индикатором
2.5. Испытатель мощных транзисторов
Глава 3
3.1. Экономичный приемник с фиксированной настройкой
3.2. Простой карманный приемник
3.3. Экономичный радиоприемник
3.4. Приемник с синхронным детектором
3.5. Малогабаритный приемник
Глава 4
4.1. Сигнализатор «Прикройте холодильник»
4.2. Сигнализатор разрядки аккумулятора
4.3. Универсальное сигнальное устройство
4.4. Двухтональный мелодичный сигнализатор
4.5. Сигнализатор с нарастанием громкости
Глава 5
5.1. Таймер со светодиодной индикацией
5.2. Простой таймер к приемнику
5.3. Таймер со звуковой сигнализацией
5.4. Электронный таймер
5.5. Таймер управляет вентилятором
Приложение
Литература
Составитель: Никитин Вильямс Адольфович
«В помощь радиолюбителю»
Выпуск 9
(Электроника своими руками)
Глава 1
БЛОКИ ПИТАНИЯ
1.1. Блок питания для «Славы»
Верхало Ю. [1]
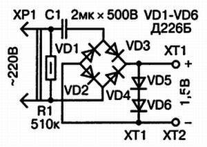
Хотя этот миниатюрный блок питания предназначен для замены элемента 373 в электромеханическом будильнике, его можно использовать и для питания других устройств, если они рассчитаны на напряжение питания 1,5 В и потребляемый ток не более 300 мА. Принципиальная схема блока приведена на рис. 1.

Рис. 1. Принципиальная схема блока питания
Малые габариты блока обеспечиваются отсутствием сетевого трансформатора и использованием гасящего конденсатора С1.
В качестве выпрямителя применяется диодный мост VD1-VD4, который нагружен двумя последовательно включенными в прямом направлении диодами VD5, VD6. Такое включение эквивалентно включению стабилитронов.
Резистор R1 предназначен для разряда гасящего конденсатора после отключения блока питания от электросети.
В связи с отсутствием разделительного сетевого трансформатора все элементы этого блока питания и подключенного к нему питаемого устройства находятся под напряжением сети, и необходимо остерегаться поражения электрическим током.
1.2. Сетевой миниатюрный
Янцев В. [2]
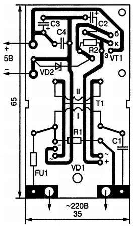
Габариты этого блока питания — 70х40х40 мм, выходное стабилизированное напряжение — 5 В ± 10 %, наибольший ток нагрузки — 200 мА. Принципиальная схема блока питания показана на рис. 2.

Рис. 2. Принципиальная схема сетевого миниатюрного блока питания
Первичная обмотка сетевого трансформатора подключается к сети переменного тока через гасящий конденсатор С1, а вторичная нагружена на диодный мост VD1. Выпрямленное напряжение с фильтрующего конденсатора С2 поступает на стабилизатор напряжения, выполненный по классической схеме на транзисторе VT1 и стабилитроне VD2. Выходное напряжение дополнительно сглаживается конденсаторами С3 по низкой частоте и С4 — по высокой. Резистор R1 предназначен для разряда гасящего конденсатора после отключения блока питания от электросети. Сопротивление резистора R2 обеспечивает оптимальный ток стабилитрона.
Трансформатор Т1 собирается на магнитопроводе Ш10х10.
Автор в статье приводит следующие намоточные данные трансформатора: первичная обмотка — 4600 витков провода ПЭВ-1 диаметром 0,1 мм, вторичная обмотка — 250 витков провода ПЭВ-1 диаметром 0,3 мм.
Налаживание устройства сводится к подбору емкости конденсатора С1, на котором должно падать 100–120 В переменного напряжения. Кроме того, нужно подобрать сопротивление резистора R2: ток через него, который находится делением напряжения на конденсаторе С2 на сопротивление R2, должен быть примерно равен 30 мА.
Все элементы схемы размещаются на печатной плате, как показано на рис. 3.

Рис. 3. Печатная плата сетевого миниатюрного блока питания
1.3. Блок питания для компьютера типа «Балтик»
Сапожников М. [3]
Схема этого сетевого блока питания обеспечивает получение выходного стабилизированного напряжения 5 В при токе нагрузки до 4 А. Принципиальная схема блока приведена на рис. 4.

Рис. 4. Принципиальная схема блока питания для компьютера
Сетевое напряжение трансформируется и поступает на выпрямительный диодный мост VD1-VD4 с фильтрующим конденсатором С2. Конденсатор С1 предназначен для снижения уровня помех в электросети. Электронный стабилизатор выходного напряжения собран на составном проходном транзисторе VT2, VT3 и аналоге стабилитрона — одном элементе микросхемы DD1 типа 4И-НЕ. Входное напряжение этого элемента образовано падением напряжения на резисторе R1 от тока, протекающего с вывода питания микросхемы (вывод 14) через входную цепь микросхемы на выводы входа (выводы 1, 2, 4, 5), резистор R1 на общий провод. Логический элемент используется в качестве усилителя постоянного тока. Конденсатор С6 предохраняет схему от самовозбуждения за счет отрицательной обратной связи по переменному току. Транзистор VT1 применен в диодном включении. Конденсаторы С3-С5 снижают выходное сопротивление блока по высокой частоте.
Установка выходного напряжения производится подбором сопротивления резистора R1. Сетевой трансформатор Т1 должен обеспечить напряжение вторичной обмотки не менее 7 В при токе 5 А.
1.4. Блок питания на ТВК-110ЛМ
Нечаев И. [4]
Предлагаемый блок питания вырабатывает двуполярное стабилизированное напряжение, регулируемое одновременно в пределах от 5 до 25 В с помощью одного переменного резистора при токе нагрузок до 1 А. Схема защищена от перегрузки по току в одном или обоих каналах, при которой выходное напряжение обоих каналов одновременно резко уменьшается. Принципиальная схема блока показана на рис. 5.
