В помощь радиолюбителю. Выпуск 12 - Страница 8
Терморезистор R и резисторы R1-R4 образуют мост постоянного тока, в одну диагональ которого включен источник питания G1 с выключателем S2, а в другую — измеритель разбаланса моста. Измерение температуры тела производится при положении переключателя S1, показанном на схеме. Измерение разбаланса производится операционным усилителем при включении стрелочного прибора РА1 с добавочным резистором R7 в цепь отрицательной обратной связи. Элементы R8, С2 и С3 осуществляют частотную коррекцию. Конденсатор С1 препятствует влиянию наводок на операционный усилитель.
В нижнем положении переключателя S1 накоротко замыкается резистор R5, что приводит к увеличению коэффициента усиления операционного усилителя, а неинвертирующий вход переключается к движку переменного резистора R3. В результате полное отклонение стрелки микроамперметра соответствует изменениям температуры всего на 4 °C.
Движком R3 можно смещать стрелку прибора на середину шкалы при установленной температуре.
Операционный усилитель μА709 можно заменить на К153УД1А. В схеме используется микроамперметр РА1 с током полного отклонения стрелки 100 мкА. Терморезистор выбирается малых размеров для уменьшения необходимого времени измерения. Его сопротивление при температуре +20 °C может находиться в пределах от 500 до 5000 Ом.
Глава 6
УПРАВЛЕНИЕ ОСВЕЩЕНИЕМ
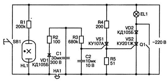
6.1. Звонок включает свет в прихожей
Александров И. [24]
Когда посетитель нажимает кнопку квартирного звонка, хозяину приходится добираться до входной двери в темноте, так как выключатель освещения прихожей всегда находится у входной двери. Предлагаемое устройство устраняет эту проблему.
Его принципиальная схема приведена на рис. 37.

Рис. 37. Принципиальная схема автомата
При нажатии посетителем кнопки SB1 переменное напряжение электросети 220 В оказывается приложено к звонку НА1, и он начинает звонить. При этом почти мгновенно заряжается конденсатор С1. Постоянная времени его заряда составляет всего 3 мс, так что за 10 мс он зарядится полностью, а посетитель даже не успеет снять палец с кнопки. Заряжается также и конденсатор С2, что приводит к отпиранию тиристора VS1, а падением напряжения на резисторе R5 отпирается тиристор VS2, благодаря чему зажигается вполнакала лампа EL1 в прихожей. Лампа продолжает гореть и когда посетитель отпустит кнопку, так как конденсатор С2 будет подзаряжаться от конденсатора С1 накопленным в нем количеством электричества. Поэтому после нажатия звонковой кнопки свет в прихожей может гореть примерно 30–40 с. Этого времени вполне достаточно, чтобы хозяин прошел в прихожую и с помощью выключателя Q1 зажег лампу в полный накал.
Неоновая лампочка HL1 подключена к напряжению сети через ограничительный резистор R1 постоянно, и удобнее всего вмонтировать ее в кнопку звонка. В качестве этой лампочки можно использовать ТН-0,2 или ТН-0,5. Мощность лампы (или ламп) освещения прихожей практически неограниченно.
6.2. Регулятор яркости светильника с плавным включением
Нечаев И. [25]
Этот регулятор предназначен для плавной регулировки яркости лампы накаливания в пределах от нуля до максимума, кроме того, при включении яркость также нарастает плавно, чем обеспечивается продление срока службы лампы.
Принципиальная схема устройства приведена на рис. 38.

Рис. 38. Принципиальная схема регулятора яркости
При замыкании контактов выключателя SB1 каждым полупериодом сетевого напряжения через резистор R5 начинает заряжаться конденсатор С2. По мере его заряда нарастает яркость свечения лампы светильника. Транзистор VT1 в это время заперт, так как постоянная времени заряда конденсатора С1 через резистор R1 значительно больше постоянной времени заряда С2. По мере заряда С1 сопротивление канала полевого транзистора VT1 уменьшается и яркость свечения лампы нарастает. Таким образом, время нарастания яркости определяется емкостью С1. После выключения светильника конденсатор С1 разряжается в течение 100 с. Поэтому повторное включение в течение этого срока не будет сопровождаться плавным нарастанием яркости.
Амплитудное значение сетевого напряжения составляет 311 В. Поэтому вместо тиристора КУ202К, для которого предельное напряжение в запертом состоянии составляет 300 В, нужно использовать тиристор КУ202М или КУ202Н.
Следует учесть, что вся система находится под напряжением сети переменного тока. Поэтому налаживание следует выполнять с соблюдением правил техники безопасности.
Эскиз печатной платы показан на рис. 39.

Рис. 39. Эскиз печатной платы регулятора яркости
6.3. Сенсорный выключатель светильника
Нечаев И. [26]
Предлагаемое устройство обеспечивает включение лампы светильника с помощью сенсора, то есть с полной гальванической развязкой пользователя и электросетью.
Принципиальная схема сенсорного выключателя приведена на рис. 40.

Рис. 40. Принципиальная схема сенсорного выключателя
Устройство питается от сети переменного тока напряжением 220 В с помощью выпрямительного моста VD5-VD8. В одну диагональ моста включена лампа светильника, а в другую — тиристор VS1. Лампа горит только в том случае, если тиристор открыт. Максимальная мощность лампы определяется допустимым выпрямленным током диодов моста и при использовании диодов КД105Б составляет 100 Вт.
Цифровая часть схемы содержит микросхемы DD1 — четыре триггера Шмитта и DD2 — два D-триггера, из которых используется только один. В исходном состоянии после подключения схемы к сети триггер Шмитта DD1.1 благодаря положительной обратной связи через резистор R1 генерирует положительные импульсы с частотой повторения примерно равной 10 кГц. Через резистор R2 и конденсатор связи С2 эти импульсы поступают на вход 12 триггера DD1.2. Переменным резистором R2 устанавливают минимальный уровень импульсов, при котором срабатывает DD1.2. Импульсная последовательность на выходе 11 DD1.2 приводит к заряду конденсатора С4 через диод VD1 во время импульса и к разряду этого конденсатора через резистор R4 — во время паузы. В связи с тем, что постоянная времени заряда меньше, чем разряда, напряжение на С4 нарастает и достигает максимума. Тогда на выходе элемента DD1.3 образуется низкий уровень, также низким будет уровень на прямом выходе 1 элемента DD2.1, и высокий уровень создается на выходе элемента DD1.4 и на базе транзистора VT1. Поэтому транзистор заперт и также заперт тиристор VS1, а лампа светильника не горит.
Прикосновение к сенсору Е1 приводит к появлению емкости на землю, благодаря чему уровень импульсов, поступающих на вход 12 DD1.2, уменьшается. Поэтому элемент DD1.2 не переключается, конденсатор С4 не заряжается, на выходе DD1.3 и на выходе 1 элемента DD2.1 образуется высокий уровень, а на выходе DD1.4 и на базе транзистора VT1 — низкий. В результате отпираются транзистор VT1 и тиристор VS1, что приводит к зажиганию лампы светильника.