В помощь радиолюбителю. Выпуск 12 - Страница 1
Annotation
В данном выпуске приведены краткие описания и принципиальные схемы конструкций, ранее опубликованных в радиолюбительской литературе, которых вполне достаточно для сборки и налаживания каждой схемы. Учтены интересы начинающих радиолюбителей самого разного возраста.
Для широкого круга читателей.
Составитель: Никитин Вильямс Адольфович
Глава 1
1.1. Мини-тестер
1.2. Омметр с линейной шкалой
1.3. Измеритель индуктивности с линейной шкалой
1.4. Измеритель емкости на ИМС
1.5. Генератор 3Ч
1.6. Простой RC-генератор
Глава 2
2.1. «Электрический стул» для носа
2.2. Устройство для лечения магнитным полем
2.3. «Антимигреневый» генератор
2.4. Помощник для слепых
2.5. Горный воздух в комнате
Глава 3
3.1. Сторожевое устройство
3.2. Сирены личной охраны
3.3. Детектор вибраций [14]
3.4. Охранное устройство
Глава 4
4.1. Электронная «приманка» для рыб
4.2. Береговой лот
4.3. Автомат кормит аквариумных рыб
4.4. Электромеханический «рыболов»
Глава 5
5.1. Термометр с полупроводниковым датчиком. [20]
5.2. Электронный термометр
5.3. Быстродействующий термометр
5.4. Медицинский термометр
Глава 6
6.1. Звонок включает свет в прихожей
6.2. Регулятор яркости светильника с плавным включением
6.3. Сенсорный выключатель светильника
6.4. Светорегулятор с выдержкой времени
Приложение
Литература
Составитель: Никитин Вильямс Адольфович
«В помощь радиолюбителю»
Выпуск 12
(Электроника своими руками)

Глава 1
ИЗМЕРИТЕЛЬНЫЕ ПРИБОРЫ
1.1. Мини-тестер
Жердев А. [1]
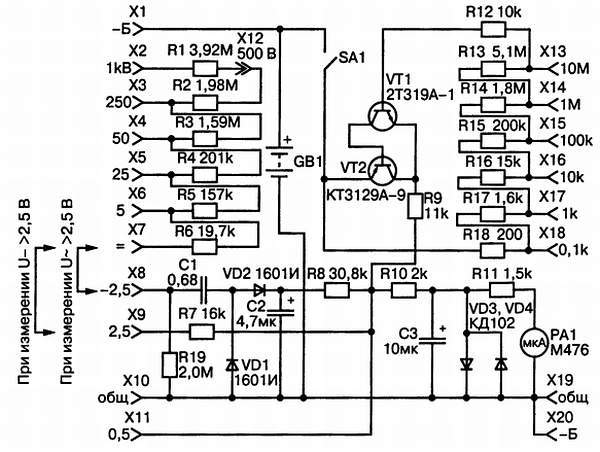
Миниатюрный тестер, собранный по схеме, приведенной на рис. 1, состоит из вольтметра постоянных и переменных напряжений и омметра.

Рис. 1. Принципиальная схема мини-тестера
В качестве стрелочного прибора РА1 используется микроамперметр типа М476 с током полного отклонения стрелки 125 мкА, который применяется в аудиомагнитофонах для установки уровня записи. Сопротивления добавочных резисторов R10 и R11 обеспечивают полное отклонение стрелки микроамперметра при подаче на клемму X11 постоянного напряжения 0,5 В, а на клемму Х9 напряжения 2,5 В благодаря добавочному резистору R7. Резисторы R1-R6 служат для получения пределов измерения 5, 25, 50, 250 и 1000 В при соответствующем использовании клемм Х6, Х5, Х4, Х3 и Х2. Измерения постоянного напряжения производятся при подключении перемычки между клеммами Х9 и Х7.
Для измерения переменного напряжения схема содержит выпрямитель с удвоением напряжения, собранный на диодах VD1 и VD2 и конденсаторах С1 и С2. Для отклонения стрелки микроамперметра на всю шкалу при подаче на клемму Х9 эффективного значения переменного напряжения 2,5 В используется добавочный резистор R8. Для измерения напряжений, превышающих 2,5 В, используется перемычка между клеммами Х8 и Х7 и те же клеммы Х2-Х6, что и при измерениях постоянных напряжений, с теми же пределами измерений.
Для включения омметра используется ключ SA1. Резистор Rx, сопротивление которого необходимо измерить, подключается между клеммой «Общ» и одной из клемм Х13-Х18.
Если сопротивление резистора Rx составляет, например, 100 кОм и он подключен к клемме Х15, к батарее GB1 оказывается присоединено последовательное соединение резисторов R18, R17, R16, R15 и Rx. При этом падение напряжения на резисторе Rx оказывается равным:
Это напряжение поступает на вход составного эмиттерного повторителя, собранного на транзисторах VT1, VT2.
С выхода эмиттерного повторителя напряжение такой же величины поступает на вольтметр через добавочный резистор R9, сопротивление которого выбрано так, что в точке соединения R9 и R10 оказывается напряжение 0,5 В, что соответствует полному отклонению стрелки микроамперметра. В связи с чрезвычайно малым током базы транзистора VT1, резисторы R14, R13 и R12 на работу схемы не влияют. Если поочередно в качестве Rx подключать резисторы разных сопротивлений, можно отградуировать шкалу прибора.
Остальные элементы схемы имеют следующее назначение. Резистор R19 обеспечивает необходимую утечку конденсатора С1. Резистор R10 с конденсатором С3 образуют фильтр нижних частот для гашения пульсаций выпрямленного напряжения. Диоды VD3, VD4 защищают стрелочный прибор от возможных перегрузок.
1.2. Омметр с линейной шкалой
Серебров Н. [2]
Принцип измерения сопротивлений этим прибором состоит в том, что пропускается стабильный ток через измеряемый резистор и образующееся на нем падение напряжения измеряется вольтметром.
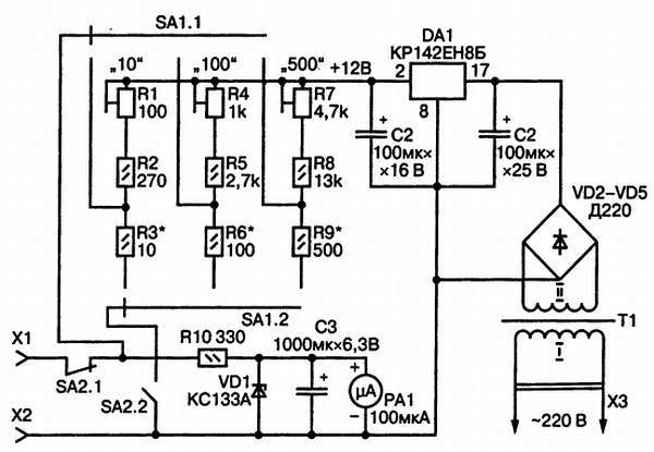
Принципиальная схема омметра приведена на рис. 2.

Рис. 2. Принципиальная схема омметра с линейной шкалой
Рассмотрим работу прибора при положении переключателей, показанном на схеме.
Питание омметра осуществляется от сети переменного тока напряжением 220 В через сетевой трансформатор Т1. Напряжение вторичной обмотки II выпрямляется диодным мостиком VD2-VD5, сглаживается конденсатором С2 и стабилизируется микросхемой DA1. Стабилизированное микросхемой DA1 напряжение 12 В проходит с вывода 2 микросхемы через подстроечный резистор R1, резистор R2, контакты переключателя пределов измерения SA1, контакты переключателя рода работ SA2 и измеряемый резистор, подключенный к клеммам X1 и Х2, на общий провод. Ток в этой цепи определяется резисторами R1 и R2, сопротивление которых значительно больше, чем у измеряемого резистора. Поэтому изменение его сопротивления в широких пределах не влияет на протекающий через него ток. Падение на нем напряжения измеряется вольтметром, собранным на резисторе R10 и микроамперметре РА1. В связи с тем, что ток в цепи постоянен и не зависит от сопротивления измеряемого резистора, падение на нем напряжения прямо пропорционально сопротивлению этого резистора, и пригодна шкала микроамперметра, имеющая 100 делений.
Если переключить SA2 в положение, при котором SA2.1 разомкнется, a SA2.2 замкнется, включится режим калибровки, вместо измеряемого в схему включится эталонный резистор R3 и подстроечным резистором R1 стрелку вольтметра нужно будет установить на последнее деление шкалы. На двух других пределах измерения производятся аналогично.
Резисторы R3, R6 и R9 должны точно соответствовать указанным номиналам. Стабилитрон VD1 и конденсатор С3 служат для защиты стрелочного прибора от перегрузок и резких бросков стрелки. В качестве трансформатора можно использовать выходной трансформатор кадров от старых ламповых телевизоров ТВК-110А, ТВК-110ЛМ, ТВК-110Л2. Используется та из вторичных обмоток, которая намотана более толстым проводом (сопротивление которой меньше).