Удивительная физика - Страница 72
Чем хороши тепломеханические гибриды?
Мы уже имеем современные, аэродинамических форм автомобили, оснащенные мощными экономичными двигателями внутреннего сгорания. КПД карбюраторных двигателей уже доведен до 30—35 %, дизелей – до 40—43 %. Но помните великого Станиславского с его знаменитым: «Не верю!»? Давайте и мы проверим, так ли это на самом деле.
1 кг бензина или солярки при сгорании выделяет 46,1 МДж. А легковой автомобиль, прошедший 100 км со средней для городского движения скоростью 40—60 км/ч, расходует на механическую работу по своему перемещению 20 МДж. Выходит, при КПД двигателя около 40 % расход топлива на 100 км должен быть около 1 кг! Спросите даже у опытных таксистов, сколько они расходуют топлива на 100 км пути в городе, и вы узнаете, что реальный КПД двигателя не более 10 %. В чем же дело? Почему КПД оказался отброшенным к временам Бенца и Даймлера и даже дальше?
Здесь хочется ответить вопросом на вопрос: а каков будет КПД крупной тепловой электростанции, если ее энергией питать… одну электролампочку? Еще меньше.
Любой тепловой двигатель рассчитан на определенную мощность, и КПД его максимален при мощности, близкой к максимальной. Если автомобиль, например легковой, будет эту мощность расходовать целиком, то ехать он должен со скоростью 150—200 км/ч. При этом почти вся энергия уйдет на «взбалтывание» воздуха – аэродинамические потери. Если же ехать со средней скоростью 60 км/ч (что для города даже много, она составляет для крупных городов 40—20 и менее км/ч), то двигатель не будет использовать даже десятой части своей мощности. Почти как лампочка, питаемая всей электростанцией. Вот и выходит КПД ниже Бенцовского.
Предположим, что КПД двигателя – это отношение механической энергии, выделенной для перемещения автомобиля, к тепловой энергии сгоревшего топлива. С КПД всего автомобиля сложнее, но давайте условно считать им отношение минимальной работы перемещения автомобиля к тепловой энергии сгоревшего топлива на этом же перемещении. Рассмотрим результаты зависимости этих КПД от скорости автомобиля. Что же мы получаем? Наиболее экономичное движение автомобиля наблюдается на скорости 40—50 км/ч для грузовиков и 60—70 км/ч для легковых автомобилей. Минимальный расход топлива при этом даже называется контрольным расходом, но КПД двигателя – ниже 10 %.
А двигатель развивает максимальный КПД при полной или почти полной мощности. Как же быть, если двигатель эффективно работает только на своей полной мощности, которая почти никогда не нужна? Может быть, не нужны автомобилям такие мощные двигатели? Нет, нужны, и эта мощность почти постоянно растет. Автомобиль с мощным двигателем становится динамичным, маневренным, безопасным, а стало быть, престижным…
А можно, чтобы было как в домашнем холодильнике: поработал, накопил холод – отключился? Накопленный холод делает свое дело, а как потеплеет, терморегулятор снова включит холодильник. Раньше, когда холодильники не имели терморегуляторов и «молотили» постоянно, они были очень неэкономичны.
Автомобильный двигатель вырабатывает механическую энергию, а мы знаем, что существуют накопители этой энергии – пружины, сжатый газ, маховики. Поработал двигатель на полной мощности с высоким КПД, передал энергию в накопитель – отключился, а автомобиль работает на этой накопленной энергии.
Реально ли это? Да, это реально, такие гибриды теплового двигателя и накопителей существуют, и расходуют они топлива в 2 с лишним раза меньше по сравнению с обычным двигателем. Накопитель гибрида помогает использовать энергию на спусках и торможениях, чтобы не гасить ее в тормозах. А это еще более повышает экономичность автомобиля.

1 – двигатель; 2 – сцепление; 3 – бесступенчатая трансмиссия; 4 – карданная передача; 5 – привод к ведущим колесам; 6 – маховик
Несмотря на то что встречаются гибриды и с электрическим накопителем, экономичнее, конечно, накапливать механическую энергию движения без преобразований. На рис. 291 показана компоновочная схема такого гибрида с тепловым двигателем и маховиком на легковом автомобиле. Это одно из исполнений на опытном образце, таких вариантов существует много. Здесь роль бесступенчатого звена может выполнять и гидростатическая или электрическая передача, и вариатор. В наших, отечественных гибридах, в частности, разработанных и испытанных автором, эту роль выполнял механический вариатор. Конечно же, экономичнее всего та передача, которая не преобразует механическую энергию двигателя в другие виды, а именно вариатор.
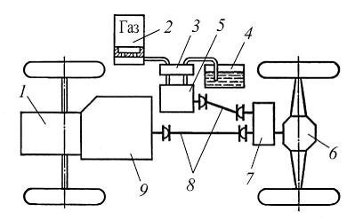
Ну а как же другие накопители механической энергии – пневматические, гидропневматические, пружинные? Годны ли они для гибридов? К сожалению, ни пружины, ни резина для этого дела не подходят – слишком малы их накопительные возможности. А вот газ – пожалуйста! Особенно с гидравликой – гидрогазовые или гидропневматические накопители.

1 – двигатель; 2 – гидрогазовый накопитель; 3 распределитель; 4 бак; 5 гидронасос-мотор; 6 ведущий мост автомобиля; 7 – редуктор; 8 карданные валы; 9 коробка передач
Схема гибридного силового агрегата с функцией и рекуператора энергии представлена на рис. 292. Подобный гибрид, изобретенный с участием автора для городского автобуса, был изготовлен и испытан. Гидрогазовый накопитель; накопитель вмещал 80 л масла, а гидромашина была мощностью 140 кВт. Особенно хорошо работала система в режиме рекуператора. При торможении автобуса соединенная с его трансмиссией гидромашина, работая в режиме насоса, закачивала в накопитель масло, сжимая газ. Автобус сбавлял скорость и останавливался. Для последующего разгона масло из накопителя направлялось в гидромашину, которая на сей раз работала в режиме мотора и разгоняла автобус. При торможении с 40 км/ч автобус при отключенном двигателе разгонялся до 30 км/ч, вызывая восторг и удивление всех присутствующих зевак. Представьте себе, что многотонная машина тихо и плавно трогается с места и разгоняется при остановленном двигателе (что было видно всем присутствующим через открытый задний двигательный отсек).
Аналогичные опыты были проведены фирмой «Вольво» (Швеция) и показали почти тот же результат – экономилось от 30 до 50 % топлива и значительно снижалась токсичность выхлопных газов. Но система была слишком сложной для серийного производства.
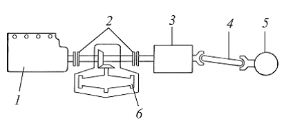
Отчасти можно считать гибридной установку с газом, сжатым в баллонах и питающим привод автомобиля – пневмокара (рис. 293).

Дело в том, что воздух при расширении сильно охлаждается, и подогрев его сильно повышает внутреннюю энергию газа, а следовательно, и пробег машины. Подобная схема изображена на рисунке 294. Если подогревать газ достаточно сильно, то установка выдаст больше энергии, чем в нее «закладывали». Таким образом, получается нечто вроде гибрида теплового двигателя и пневматического накопителя.

1– горелка; 2 – змеевик; 3 – баллон со сжатым воздухом; 4 – цилиндр двигателя
Автор еще в молодые годы изготовил для себя и ездил на подобном гибриде, показанном на рис. 295. Устройство настолько просто, что его легко построить самому. Баллон с углекислотой – от огнетушителя; пневматический гайковерт – с заводского конвейера (официально – из магазина); змеевик в емкости – от соседского самогонного аппарата. Остальное – из велосипеда и металлических труб. В емкость змеевика заливается кипяток, вентиль баллона открывается – и поехали!