У-2/по-2 - Страница 8
отклонение руля направления (вправо и влево) по 18°
Отклонение элерона от хорды: вверх 23° вниз 22°
Допуск ±2°

ВИД СПЕРЕДИ

ВИД СБОКУ

ВИД СЗАДИ
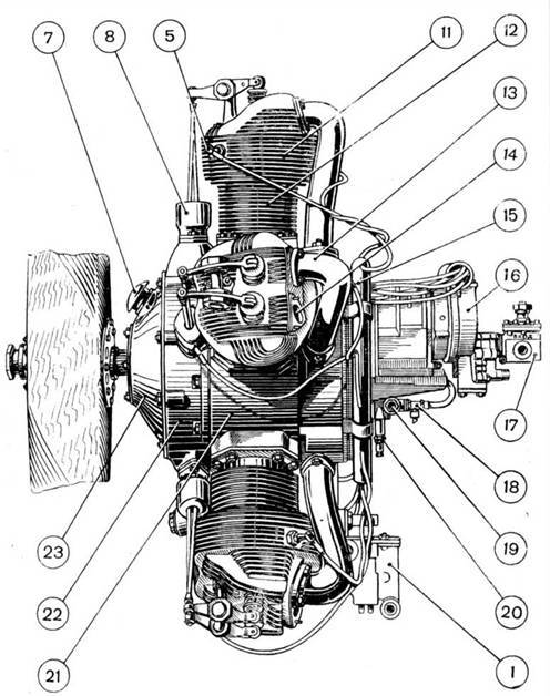
НАИМЕНОВАНИЕ ПОЗИЦИЙ 1. Карбюратор КП-А (или Б) 2. Маслоотстойник 3. Тяги толкателей 4. Втулка пинта 5. Свечи 6. Проводники зажигания 7. Суфлер 8. Маслоуловительные колпачки 9. Коромысла 10. Пружины клапанов 11. Головка цилиндра 12. Гильза цилиндра 13. Всасывающий патрубок 14. Выхлопное окно 15. Коллектор проводов зажигания 16. Магнето БСМ-5 17. Бензиновый насос БНК-12АС 18. Штуцер для замера давления выходящего масла 19. Фильтр маслонасоса 20. Редукционный клапан маслонасоса 21. Средняя часть картера 22. Передняя крышка картера 23. Носок картера 24. Масляный насос МИМ-11 25. Штуцер термометра (2 шт.) 26. Штуцер входа бензина из бака в бензонасос 27. Бобышка для крепления мотора к мотораме (10 шт.) 28. Штуцер поступления бензина в карбюратор 29. Задняя крышка картера 30. Штуцер входа масла в нагнетающую систему 31. Штуцер входа масла в откачивающую систему 32. Вход бензина в карбюратор 33. Штуцер выхода масла из откачивающей помпы

ВЕРХНИЙ УЗЕЛ РАЗЪЕМА ФЮЗЕЛЯЖА И НИЖНИЙ УЗЕЛ РАЗЪЕМА ФЮЗЕЛЯЖА


НИЖНИЙ КОРМОВОЙ УЗЕЛ
1. Узлы крепления маслобака 2. Противопожарная перегородка 3. Место расположения бензобака 4. Передняя кабина 5. Козырек кабины 6. Задняя кабина 7. Съемный обтекатель 8. Киль 9. Расчалки 10. Боковые стойки рамы 11. Верхние н яижние распорки рамы 12. Лонжерон фюзеляжа 13. Верхний узел разъема 14. Нижний узел разъема 15. Задний узел крепления крыла 16. Задний узел крепления кабана центроплана 17. Передний узел крепления крыла 18. Рамный шпангоут 19. Задний узел крепления шасси 20. Узел крепления бензобака 21. Узел крепления шасси и моторамы 22. Передний узел крепления кабана центроплана и моторамы 23. Труба нижнего крепления маслобака и мостика управления мотором 24. Лонжерон киля 25. Подкос стабилизатора 26. Швартовочная скоба 27. Вильчатый болт навески руля направления 28. Щека верхнего разъема 29. Щека нижнего разъема

ПЕРЕДНИЙ УЗЕЛ ВЕРХНЕГО КРЫЛА

ПЕРЕДНИЙ УЗЕЛ НИЖНЕГО КРЫЛА

ЗАДНИЙ УЗЕЛ ВЕРХНЕГО КРЫЛА

ЗАДНИЙ УЗЕЛ НИЖНЕГО КРЫЛА

КОРОБКА КРЫЛЬЕВ
1. Задний подкос 2. Диагональный подкос 3. Передний подкос 4. Крыльевая расчалка 5. Усиленная нервюра 6. Нормальная нервюра 7. Передний лонжерон 8. Задний лонжерон 9. Центроплан 10. Верхнее правое крыло 11. Нижнее правое крыло 12. Элерон нижний 13. Межэлеронные расчалки 11. Задний узел верхнего крыла 15. Передний узел верхнего крыла 16. Задний узел нижнего крыла 17. Передний узел нижнего крыла 18. Задний подкос кабана 19. Диагональный подкос 20. Расчалки кабана 21. Передняя несущая расчалка 22. Задняя несущая расчалка 23. Поддерживающие расчалки 24. Отверстие для причала самолета

ЭЛЕРОН
1. Узлы навески элерона 2. Лонжерон элерона 3. Лобовая обшивка 4. Рычаг управления элероном 5. Коробчатый раскос 6. Нервюра 7. Усиленная нервюра 8. Стрингер 9. Металлический обод 10. Задний лонжерон крыла 11. Узел навески элерона 12. Болт вильчатый 13. Элерон 14. Межэлеронная лента 15.. Серьга 16. Болт ушковый 17. Серьга

УЗЕЛ НАВЕСКИ ЭЛЕРОНА К КРЫЛУ

УЗЕЛ КРЕПЛЕНИЯ МЕЖЭЛЕРОННЫХ ЛЕНТ (НА НИЖНИХ ЭЛЕРОНАХ)

УЗЕЛ КРЕПЛЕНИЯ РЫЧАГА УПРАВЛЕНИЯ ЭЛЕРОНАМИ

СТОЙКИ КОРОБКИ КРЫЛЬЕВ И КАБАН
1. Задний подкос 2. Диагональный подкос 3. Передний подкос 4. Задний подкос кабана 5. Диагональный подкос 6. Передний подкос кабана 7. Передний верхний узел фюзеляжа (правый) 8. Узел крепления кабана к фюзеляжу (задний правый) 9. Расчалка кабана 10. Раскос фюзеляжа 11. Передняя вертикальная расчалка фюзеляжа 12. Верхний подкос моторамы 13. Средний подкос моторамы 14. Вильчатый болт 15. Контргайка 16. Стаканчик 17. Заклепка 18. Трубчатая заклепка 19. Труба 20. Вкладыш 21. Вкладыш 22. Распорная трубка 23. Трубчатая заклепка

УЗЕЛ КРЕПЛЕНИЯ КАБАНА К ФЮЗЕЛЯЖУ (ЗАДНИЙ ПРАВЫЙ)

ПЕРЕДНИЙ ВЕРХНИЙ УЗЕЛ ФЮЗЕЛЯЖА

СТОЙКИ КАБАНА

СТОЙКИ КОРОБКИ КРЫЛЬЕВ

ЗАДНИЙ УЗЕЛ КРЕПЛЕНИЯ СТАБИЛИЗАТОРА

СТАБИЛИЗАТОР И РУЛЬ ПОВОРОТОВ
1. Узлы навески руля высоты 2. Рычаг управления рулем высоты 3. Триммер 4. Рычаг управления костылем 5. Рычаг управлением рулем и правления 6. Стабилизатор 7. Узлы навески руля направления 8. Руль направления 9. Стрингер 10. Лонжерон 11. Руль высоты 12. Нервюра 13. Расчалка 14. Задний лонжерон стабилизатора 15. Лонжерон киля 16. Узел стабилизатора 17. Лонжерон руля высоты

УЗЕЛ НАВЕСКИ РУЛЯ НАПРАВЛЕНИЯ (ВЕРХНИЙ)

УЗЕЛ КРЕПЛЕНИЯ РЫЧАГА УПРАВЛЕНИЯ РУЛЕМ НАПРАВЛЕНИЯ

УЗЕЛ НАВЕСКИ РУЛЯ ВЫСОТЫ

УЗЕЛ РЫЧАГА УПРАВЛЕНИЯ РУЛЕМ ВЫСОТЫ

ШАССИ САМОЛЕТА
1. Передний подкос 2. Подножка 3. Тандер троса 4. Узел крепления шасси и подкосов моторамы к фюзеляжу (передний нижний) 5. Латунная прокладка 6. Обтекатель амортизации 7. Воздушный ниппель 8. Колпачок 9. Ось шасси 10. Тросовая расчалка 11. Трос заземления 12. Амортизационная стойка 13. Верхняя обойма (траверса) 14. Направляющая труба 15. Узел крепления стойки шасси на фюзеляже 16. Кардан 17. Стакан 18. Нижний лонжерон фюзеляжа 19. Кардан 20. Муфта шасси