Транзистор?.. Это очень просто! - Страница 40

Рис. 105. Фазоинвертор в схеме с разделенной нагрузкой.
Н. — Но это точное воспроизведение лампового фазоинвертора, в котором сопротивления нагрузки включаются в анодную и катодную цепи.
Л. — Ты узнал эту схему в ее «транзисторном» виде.
Н. — Все показанные тобой схемы для меня старые знакомые, ведь я хорошо помню их ламповые варианты.

Чудесная двухтактная схема
Л. — Однако на лампах нельзя осуществить двухтактную схему без фазоинвертора.
Н. — Мне не верится, что такое чудо можно сделать с транзисторами.
Л. — Тем не менее это факт, а чудо и в этом случае заключается в дополнительной симметрии транзисторов структур р-n-р и n-р-n. Проанализируй внимательно схему, где я изобразил два транзистора, включенных по схеме с ОЭ (рис. 106).

Рис. 106. Двухтактная схема без фазоинвертора, работающая на транзисторах с дополнительной симметрией, включенных по схеме с ОЭ.
Н. — Поступим, как обычно… Допустим, что первый полупериод входного сигнала делает обе базы более отрицательными. В этом случае транзистор структуры р-n-р усилит сигнал, а транзистор структуры n-р-n останется запертым. При следующем полупериоде, который сделает базы более положительными, транзистор р-n-р останется безучастным, а транзистор n-р-n пропустит коллекторный ток. Чудесно! Ловко! Умно!

Л. — Умерь свой энтузиазм, дорогой друг. Эта схема требует применения двух батарей (или но крайней мере батареи со средним выводом), что несколько усложняет положение. С этим же мы сталкиваемся и в аналогичном двухтактном каскаде при включении транзисторов по схеме с ОБ (рис. 107).

Рис. 107. Еще одна двухтактная схема без фазоинвертора, но с включением транзисторов по схеме с ОБ.
Н. — Действительно, эта схема должна работать так же хорошо, как и предшествующая. Здесь транзистор структуры р-n-р реагирует на положительные полупериоды сигнала, приложенного к его эмиттеру, а транзистор структуры n-р-n включается в работу при отрицательных полупериодах. Но я опасаюсь, что эти две батареи не очень удобно применять для питания других транзисторов, которые могут иметься в схеме.
А теперь я хочу просить тебя об одном одолжении. Я хотел бы собрать усилитель на транзисторах для своего портативного радиограммофона. Мог бы ты начертить мне практическую схему его оконечного каскада? Я хочу иметь достаточно мощный двухтактный усилитель.

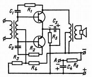
Л. — Вот схема, которую ты просишь, Незнайкин (рис. 108). Достаточно ли она ясна для тебя?

Рис. 108. Практическая схема двухтактного каскада с отрицательной обратной связью и температурной стабилизацией. Резистор R6 и конденсатор С4 образуют развязку цепей питания предшествующих каскадов.
Н. — Боже мой, на первый взгляд она совершенно классическая. Входной трансформатор… Параллельная обратная связь для каждого транзистора, осуществленная включением между коллектором и базой последовательно соединенных цепочек R1C1 и R2C2. Смещение задается делителем напряжения R3R4. Резистор R5 служит для ослабления влияния температуры; он блокирован конденсатором С3… Все это стало для меня уже совершенно обыденным. Однако какую роль играет в схеме развязка, состоящая из резистора R6 и конденсатора С4?
Л. — Принимая во внимание значительные изменения тока, отбираемого от источника питания мощными транзисторами в режиме В, целесообразно развязать этот источник, чтобы предотвратить реакцию на предыдущие каскады. Такова роль R6 и С4, к которым в точке А присоединяются коллекторные цепи каскадов, предшествующих выходному. Удовлетворен ли ты моим ответом?
Н. — Вполне, и я спешу приняться за работу. Поэтому позволь мне раскланяться с тобой.

Беседа двенадцатая
ОБЛАСТЬ ВЫСОКИХ ЧАСТОТ
Подробный анализ усиления колебаний звуковой частоты, который явился предметом предшествующих бесед, значительно облегчил задачу Любознайкина. Теперь он объяснит Незнайкину методы усиления колебаний высокой частоты. Он покажет, чем соответствующие транзисторные схемы похожи на ламповые и чем отличаются от них. В заключение он рассмотрит устройство автоматической регулировки усиления, используемое в усилителях промежуточной частоты на транзисторах.
Содержание: Граничная частота. Межкаскадная связь с помощью колебательных контуров. Затухание. Каскады высокой и промежуточной частоты. Емкость коллектор — база. Схема нейтрализации. Автоматическая регулировка усиления. Изменения внутренних емкостей и сопротивлений транзистора. Усиленная автоматическая регулировка усиления.
Жертва обстоятельств
Незнайкин. — Ты, очевидно, видишь, Любознайкии, что я одновременно горд и счастлив; горд, что успешно собрал первую — свою схему на транзисторах, и счастлив, что в моем чемодане с радиограммофоном имеется этот миниатюрный усилитель, который при более чем скромном аппетите дает громкое и чистое звучание.
Любознайкин. — Я очень рад, что ты сумел применить полученные на практике знания. Вот ты и удовлетворен нашими занятиями.
Н. — По правде говоря, не совсем, так как я хотел бы использовать свой усилитель не только со звукоснимателем, но также и в качестве низкочастотной части радиоприемника. Однако я не знаю, как сделать каскады, предшествующие усилителю низкой частоты.
Л. — Ну вот, познакомив тебя с усилителями низкой частоты, я стал жертвой обстоятельств и теперь должен рассказать тебе о каскадах высокой и промежуточной частоты, а также, разумеется, о преобразовании частоты и детектировании, потому что приемник на транзисторах практически имеет ту же «анатомию», что и приемник на лампах. Так начнем с усиления по высокой частоте.

Транзисторы на высоких частотах