Транзистор?.. Это очень просто! - Страница 38
Н. — Не иронизируй. В этой области все просто и ясно. Если речь зайдет о трансформаторной связи, то я рассчитаю отношение чисел витков, дающее наилучшее согласование каскадов. И поверь мне, извлечение квадратного корня меня не испугает… Если же встанет вопрос о резистивно-емкостной связи, то разве не ты научил меня определять нагрузочную прямую? Я так проведу ее, что, будучи касательной к гиперболе допустимой мощности, она позволит иметь наибольшую амплитуду сигналов на выходе, потому что рабочая точка будет находиться посередине.
Л. — Рискуя тебя огорчить, я должен сказать, что дело обстоит не так уж просто. На первый взгляд ты прав, но при расчете усилителей нужно также учитывать и имеющуюся на входе мощность, полосу усиливаемых частот, роль обратной связи, допустимый коэффициент искажений и еще массу других обстоятельств.
Н. — И тем не менее дело выглядит достаточно просто, когда прибегают к помощи семейства характеристик и нагрузочной прямой (рис. 98).

Рис. 98. На графике видно, как ток коллектора изменяется под воздействием приложенного на вход сигнала. Последний имеет максимально допустимую амплитуду.
Наш входной сигнал (сигналом можно считать как напряжение, так и ток) имеет право занимать часть нагрузочной прямой, ограниченную двумя точками: с одной стороны точкой А у где начинается изгиб характеристик, а с другой — точкой Б, в которой ток базы приближается к нулю.
Л. — Что, как ты знаешь, является причиной нелинейных искажений.
Н. — Бесспорно. Поэтому рабочую точку Р нужно выбрать на равном удалении от точек А и Б. В этом случае максимальная амплитуда входного сигнала будет РА или РБ или, вернее, разница между соответствующими значениями тока Iб или напряжения Uб. На моем рисунке эта амплитуда порядка 275 мВ. Она изменяет ток коллектора от 7 до 57 мА при среднем значении тока 32 мА, т. е. с амплитудой 25 мА.
Л. — Чудесно, Незнайкин. Надеюсь, что ты полностью удовлетворен работой своего транзистора.

Долой расточительство

Н. — Не совсем. Насколько все идет хорошо при большом сигнале, настолько же я прихожу в отчаяние от непомерного расхода энергии при слабых сигналах или в отсутствие усиливаемого сигнала. Какова бы ни была амплитуда, потребление тока всегда одинаково — оно соответствует точке Р. А ведь для слабых сигналов рабочую точку можно было переместить ниже на другую нагрузочную прямую, соответствующую меньшим токам, например в точку P' (рис. 99). В результате потребление энергии сократилось бы и мы сэкономили бы на батареях, которые обходятся довольно дорого.

Рис. 99. Когда амплитуда сигнала снижается, выгоднее переместить рабочую точку из Р в Р'.
Л. — Ты хочешь разорить выпускающие их фирмы?
Н. — Нет, но я считаю, что, слушая симфонию, нерационально затрачивать во время пианиссимо такую же мощность, какую требуют моменты игры всего оркестра. Однако я не вижу, каким способом можно было бы заставить рабочую точку перемещаться на нижнюю нагрузочную прямую, чтобы затрачивать только мощность, строго необходимую для воспроизведения без искажений сигналов разной величины.

Л. — Стремление избежать расточительства похвально. Поэтому я охотно укажу тебе соответствующие средства. Чтобы твоя рабочая точка могла переходить с одной нагрузочной прямой на другую, надо изменять напряжение смещения[19]. Оно должно повышаться с амплитудой сигнала, и это должен делать сам сигнал.

Н. — Как? Ведь сигнал — это переменный ток, а смещение — постоянный.
Л. — Ты знаешь превосходное средство для превращения переменного тока в постоянный: это выпрямитель. Именно его и применяют, чтобы получить переменное смещение.
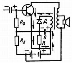
Вот практическая схема усилителя с «плавающей» рабочей точкой (рис. 100). Ты видишь, что усиленные сигналы, снимаемые с дополнительной обмотки выходного трансформатора, выпрямляются с помощью полупроводникового диода Д; они создают на выводах резистора R падение напряжения, которое делает точку X более или менее отрицательной. Конденсатор С сглаживает пульсации выпрямленного напряжения, так что его величина соответствует среднему значению усиливаемого сигнала.

Рис. 100. Выходной каскад с плавающей точкой смещения. Цепь автоматической регулировки смещения при увеличении амплитуды сигналов позволяет повысить напряжение смещения.
Н. — Да, это напоминает мне схему АРУ. Там мы тоже встречали конденсатор, который вместе с резистором придавал схеме АРУ инерционность подобно маховику-регулятору.
Л. — Сравнение весьма удачное, хотя наше устройство напоминает не столько обычную АРУ, сколько АРУ, работающую «наизнанку». Здесь тоже амплитудные изменения усиленных напряжений выпрямляются, после чего используются для управления смещением на входе. Действительно, напряжение прикладывается к общей точке резисторов R2 и R3, которые соединяют базу с отрицательным полюсом источника питания. Правильный выбор сопротивлений трех резисторов позволяет сделать смещение пропорциональным амплитуде сигналов. Таким образом, база становится здесь тем более отрицательной, чем сильнее сигналы. Но в отличие от знакомой тебе АРУ в ламповых приемниках увеличение отрицательного смещения в цепи базы транзистора структуры р-n-р не запирает его, а еще более открывает, увеличивая токи базы и коллектора.

Да здравствует режим В!

Н. — Твоя схема с плавающей точкой смещения мне очень нравится. Когда я буду собирать приемник на транзисторах, то непременно поставлю на выходе прекрасный двухтактный каскад с этим устройством, дающим скользящее напряжение смещения.
Л. — В двухтактной схеме, мой дорогой Незнайкин, можно сделать лучше: ты можешь приложить там постоянное смещение, достаточно малое, чтобы в состоянии покоя ток был почти равен нулю.
Н. — Не хочешь ли ты этим сказать об усилении в режиме В? В ламповых схемах это соответствует работе на нижнем изгибе анодно-сеточной характеристики.
Л. — Да, как раз о режиме В я и хотел поговорить с тобой. Ты должен выбрать для точки Р место, соответствующее очень небольшому, но не нулевому значению коллекторного тока, так как, если ты уйдешь слишком далеко, слабые сигналы окажутся на нелинейной части характеристики (рис. 101).