Транзистор?.. Это очень просто! - Страница 35
Н. — Какая же именно?
Л. — На его обмотки наводятся и затем усиливаются паразитные сигналы, которые могут стать причиной помех. Это исключает использование трансформатора там, где существуют сильные поля помех.

А вот и практические схемы

Н. — Вот в скольких грехах уличен мой бедный трансформатор!.. Могу ли я все же знать, как его включают, если соображения экономии и наличие помех не исключают возможности применения трансформатора?
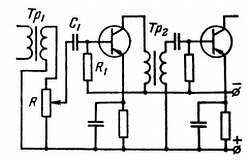
Л. — Трансформаторная схема связи транзисторов не отличается от аналогичной ламповой схемы. Как ты видишь, я изобразил здесь (рис. 88) два транзистора, включенных по схеме с ОЭ. Трансформатор Тр1служит для подачи сигнала на первый транзистор, а трансформатор Тр2 — для связи между первым и вторым транзисторами. У второго трансформатора во вторичной обмотке витков значительно меньше, чем в первичной. Если выходное сопротивление первого транзистора Rвых = 20 000 Ом, а входное сопротивление второго Rвх = 250 Ом, то для наилучшего согласования коэффициент трансформации должен быть
Н. — Я вижу, что напряжения смещения на базы подаются от делителей напряжения R1, R2 и R3, R4, а в цепях эмиттеров ты предусмотрел резисторы R5 и R6, служащие для компенсации влияния температуры.

Рис. 88. Схема трансформаторной связи между двумя каскадами (транзисторы включены по схеме с ОЭ). Сигнал на первый каскад подается также через трансформатор.
Л. — Браво, Незнайкин! Твоя прекрасная память совершенно не пострадала от гриппа.
Н. — Рассматривая твою схему, я спрашиваю себя, как ты будешь регулировать громкость звука?
Л. — Здесь я не предусмотрел регулирования усиления. Его можно было бы осуществить с помощью регулируемой отрицательной обратной связи. Но я считаю такой метод нежелательным. Прежде всего, он не позволяет снизить усилие до нудя, чтобы достигнуть полной тишины. А кроме того, одновременно с изменением громкости звука изменяется коэффициент искажений, причем он достигает максимума именно при наибольшей громкости звучания.
Н. — То есть тогда, когда искажения наиболее сложно устранить. Что же ты предлагаешь в этом случае?
Л. — В качестве регулятора громкости можно применять потенциометр R (рис. 89), чтобы по желанию снимать большую или меньшую часть напряжения, появляющегося на вторичной обмотке первого трансформатора. Ползунок этого потенциометра через конденсатор связи C1 соединен с базой первого транзистора. В новой схеме конденсатор применен и для связи между обоими транзисторами.

Рис. 89. Смешанная связь с помощью трансформатора, резистора и конденсатора. Потенциометр R служит для регулирования усиления (громкости).
Н. — Твой второй усилитель напоминает мне кентавра (мифическое существо у древних греков — получеловек-полулошадь), схемы его связи состоят наполовину из трансформаторов, наполовину из резисторов и конденсаторов.
Л. — Признаю, что в этой схеме мы теряем простоту «чистой» схемы на трансформаторах. Может быть, тебя больше удовлетворит логически вытекающая из нее схема со связью на автотрансформаторе (рис. 90), который обычно бывает понижающим, чтобы согласовать высокое выходное сопротивление предшествующего транзистора с меньшим входным сопротивлением следующего транзистора, полагая, что оба транзистора используются по схеме с ОЭ.

Рис. 90. Схема автотрансформаторной связи.
Н. — Это опять наполовину рыба, наполовину мясо.

Схема, состоящая только из резисторов и конденсаторов
Л. — Если смешанные схемы вызывают у тебя отвращение, то перейдем к усилителю на резисторах и конденсаторах, схема которого показана ниже на рисунке (рис. 91).

Рис. 91. Схема резистивно-емкостной связи.
Н. — Но она как две капли воды похожа на ламповую схему с резистивно-емкостной связью! Сопротивление резистора в цени коллектора R1, соответствует сопротивлению в анодной цепи, а сопротивления резисторов R2 и R3, определяющие потенциал базы, — младшие братья сопротивления утечки сетки. Что же касается конденсатора С, то меня удивляет, что он электролитического типа. Не лучше ли здесь применить хороший бумажный конденсатор на каких-нибудь 0,05 мкФ, который прекрасно справляется со своей задачей в ламповых усилителях?

Л. — Для нашего случая это было бы катастрофой. В ламповых схемах конденсатор С соединяется с резистором утечки сетки, сопротивление которого обычно составляет 0,5 МОм. В транзисторной же схеме суммарное сопротивление параллельно соединенных резисторов R2 и R3 равно примерно 1000 Ом, и, кроме того, они зашунтированы сопротивлением Rвх второго транзистора. Этого сопротивления фактически не существует, но тем не менее оно присутствует и имеет тот же порядок, что и совокупность сопротивлений резисторов R2 и R3, скажем, 1000 Ом.

Н. — А вместе все они имеют общее сопротивление 500 Ом, но я не вижу…
Л. — Минуту терпения! Мы можем нарисовать нашу схему несколько иначе (рис. 92).

Рис. 92. Та же схема, что и на рис. 91, но изображенная так, чтобы нагляднее показать делитель напряжения, состоящий из конденсатора связи С и параллельно соединенных резисторов R2, R3 и Rвх.
Из рисунка видно, что конденсатор С вместе с резисторами R2, R3 и сопротивлением Rвх образует делитель для выходного напряжения U предшествующего транзистора. Каково же его емкостное сопротивление?
Н. — Оно зависит от частоты тока и уменьшается при повышении этой частоты.
Л. — Разумеется, и если ты возьмешь конденсатор на 0,05 мкФ, которым ты так гордишься, и включишь его в цепь тока частотой 50 Гц, то емкостное сопротивление этого конденсатора С составит около 64 000 Ом, т. е. будет примерно в 130 раз больше параллельно соединенных сопротивлений R2, R3 и Rвх.