Транзистор?.. Это очень просто! - Страница 28

Л. — Да, однако в транзисторных схемах не следует делать обратную связь больше чем на два каскада, так как из-за внутренних емкостей, о которых я тебе только что говорил, в каждом каскаде происходит дополнительный сдвиг фазы. И если сделать обратную связь больше чем на два каскада, то дополнительный сдвиг может оказаться настолько большим, что заранее не узнаешь, какую фазу в результате получишь.
Н. — Иначе говоря, появится риск получить вместо отрицательной обратной связи положительную.
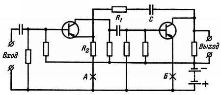
Л. — И в этом нет ничего удивительного… Но вот схема, которая должна тебе понравиться (рис. 62). В ней как раз два низкочастотных каскада с резистивно-емкостной связью. С выхода через конденсатор С мы снимаем с помощью резисторов R1 и R2 часть напряжения, чтобы подать его на эмиттер первого транзистора.

Рис. 62. Смешанная (последовательно-параллельная) схема обратной связи, охватывающей два каскада усилителя низкой частоты.
Н. — Ну и что дальше? Почему не на базу, как мы делали это в схеме с одним каскадом?
Л. — Потому что каждый каскад переворачивает фазу. Поэтому после двух каскадов сигнал должен совпадать по фазе с напряжением, приложенным ко входу. Значит, не может быть и речи о подаче выходного напряжения на базу (вместо отрицательной обратной связи мы получили бы ужасное самовозбуждение). Подавая же напряжение с выхода на эмиттер, мы создадим благоприятную отрицательную обратную связь. А кроме того, резистор R2 сам создаст в первом каскаде эффект последовательной обратной связи.
Н. — Чудесно! Вот схема, которая сделает моего дядю счастливым!
Каверзы южного солнца
Л. — Боюсь, что нет, так как насколько лучи тропического солнца будут благотворны для дяди, настолько они будут вредны для радиоприемника.
Н. — Ах, да! Я забыл о неприятностях, которые влечет нагрев полупроводниковых приборов. Может быть, следовало бы положить пузырь со льдом на приемник? А для начала скажи мне, как сказывается на работе радиоприемника увеличение тока транзисторов, вызываемое повышением температуры.

Л. — Я дал себе слово не говорить сегодня о характеристиках, которыми ты, кажется, изрядно насыщен. Просто представь себе, Незнайкин, что начальный ток коллектора удваивается при каждом повышении температуры на 8 °C, следовательно, при повышении температуры от нуля до +40 °C ток может увеличиться в 32 раза. Эго значит, что все выходные характеристики резко сместятся вверх. В результате рабочая точка (которая, позволь тебе напомнить, лежит при пересечении нагрузочной прямой с одной из коллекторных характеристик), влекомая общим передвижением характеристик вверх, переместится влево, вместо того чтобы находиться посередине нагрузочной прямой. Прощай тогда наша красивая симметрия! Прощай исключительная линейность усиления…

Н. — Какое бедствие! Ты меня сразил…, но не слишком, ибо я знаю твой метод: ты повергаешь меня в самую глубокую скорбь, а затем, как фокусник, вытаскивающий из цилиндра кролика, предлагаешь мне средство, которое спасает положение. Ну, так вытаскивай своего кролика!

Л. — Ты уже знаком с ним: нас еще раз спасет обратная связь. Являясь эффективным средством борьбы с искажениями, она поможет нам и в предотвращении медленных изменений режима питания, вызываемых влиянием температуры.
Н. — Значит, рассмотренные нами схемы обратной связи одновременно служат и для компенсации влияний температуры.
Л. — В известной мере да, когда они создают обратную связь и по постоянному току (схемы, показанные на рис. 61, б и 62, к этому случаю не относятся). Но в принципе для этой цели нужна более глубокая обратная связь.
Н. — Но тогда она будет слишком сильной для наших усиливаемых сигналов и чрезмерно снизит их усиление. Какой выход можешь ты предложить из этой «пиковой» ситуации?
Л. — Оставим в стороне сопротивления обратной связи, корректирующие усиливаемые сигналы, и займемся сопротивлениями, компенсирующими влияние температуры. В этом случае можно воспользоваться последовательной обратной связью, выполненной вот по такой схеме (рис. 63).

Рис. 63. Схема температурной стабилизации рабочей точки за счет последовательной обратной связи по постоянному току.
«Маленькая деталь»

Н. — Но я не замечаю существенного отличия от прежней схемы последовательной обратной связи для переменной составляющей напряжения: ты добавил только один конденсатор С.
Л. — Но это именно та «маленькая деталь», которая изменяет все. Этот конденсатор (обычно электролитический) имеет большую емкость и представляет для переменных токов значительно меньшее препятствие, чем резистор Ro.c. Поэтому через резистор Ro.c будет проходить только постоянная составляющая тока, и только она будет подвержена влиянию обратной связи.
Н. — Просто и остроумно, как яйцо Христофора Колумба. Но что делать, если мы одновременно пожелаем иметь обратную связь и по переменной составляющей?
Л. — Ничто не мешает нам включить в точке А последовательно с резистором Ro.c другой резистор обратной связи, который мы не будем блокировать конденсатором.
Н. — Это очевидно. А можно ли для стабилизации рабочей точки применить параллельную обратную связь по напряжению?
Л. — Разумеется, но тогда убирают конденсатор, который мы раньше включали как раз для того, чтобы не пропустить постоянную составляющую. На базу подают одновременно часть переменного и постоянного напряжения коллектора (рис. 64).

Рис. 64. Схема температурной стабилизации рабочей точки за счет параллельной обратной связи.
Н. — Но я не вижу здесь второго плеча делителя напряжения, который должен использоваться для достижения этой цели.
Л. — И это не случайно. Его функции выполняет входное сопротивление транзистора (сопротивление промежутка база — эмиттер).

Если же ты хочешь создать параллельную обратную связь только по постоянному току, то и здесь можно с помощью конденсатора устранить обратную связь по переменной составляющей, если составить сопротивление Rо. с из двух последовательно соединенных резисторов Rо. с1 и Rо. с2 (рис. 65).