Своя разведка - Страница 47
Приложение 1
Схемы специальной аппаратуры
Наличие специальной аппаратуры способно резко увеличить деловой потенциал разведчика в любой сложной игре.
Официальная продажа таких вещичек частично ограничена, хотя на диком рынке можно найти как фирменные образцы, так и топорные подделки отечественных фальсификаторов.
Они могут иметь значительную цену, не соответствующие обещаниям параметры и расшифрованные данные, играющие на руку вашим противникам, особенно если поставка сделана по индивидуальному заказу.
Излишние контакты способны привести к ненужным неприятностям. Но очень часто можно обойтись довольно примитивными средствами вполне самостоятельного изготовления. Другими поводами для подобной самодеятельности могут служить внезапно возникающая необходимость и ограниченные возможности финансового или ситуационного рода.
Схемы представленной ниже спецтехники предложены М. Шустовым, Г. Таем и прочими отечественными и зарубежными любителями и профессионалами. (Полезную дополнительную информацию на этот счет можно найти, к примеру, в справочной книге В.И. Андрианова, В.А. Бородина, А.В. Соколова «Шпионские штучки» (Спб. «Лань», 1996).








рис. 8

Рис. 9. Индикаторы для нахождения нужной телефонной линии
а) на неоновой лампе (трубка положена – горит в прямом направлении и не горит в обратном; трубка снята – не горит в любом положении; вызов – вспышки при противополярности);
б) на светодиоде (вспышка при вызове).

Рис. 10. Индукционные отводки для телефонной линии
а) с использованием сердечника от ферритовой антенны (катушка – 600 витков ПЭЛ 0,06 мм);
б) с использованием броневого сердечника (при подключении чашки раздвигают и одна жила линии вставляется вовнутрь магнитопровода; катушка – 600 витков ПЭЛ 0,06 мм).

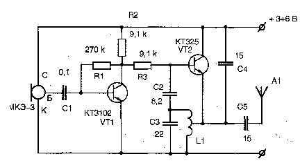
Рис. 11. Схемы последовательных радиожучков
а) диапазон: 65-108 МГц; дальность: 10-15 м; L1-8В, 0,5 d=4,L2– 3В, d=0,5;

Рис. 11. Схемы последовательных радиожучков (продолжение)
б) диапазон: 65-108 МГц; дальность: до 300 м; антенна: кусок провода 15-60 м, L1 – 2+2В, 0,5 ж 5; L2 – 2В 0,5 поверх L1.

Рис. 12. Телефонный радиожучок с кварцевой стабилизацией частоты, дающий излучение лишь при снимании телефонной трубки.
Диапазон: 65-108 МГц (зависит от частоты кварцевого резонатора); дальность: до 600 м; антенна: кусок провода 30-50 см, свернутый спирально, L1-7В 0,8 d=8 мм, L1-L2 – 100В 0,1 на МЛТ 0,25> 100 кОм; 7 витков провода ПЭЛ 0,8 (или аналогичного), диаметр катушки 8 мм.

Рис. 13. Схемы простейших радиозакладок (f-66-74 МГц)
a) L1-6В 0,5 d=4мм или 1,5мм;
б) L1-15В 0,5 d=4 мм; L2 —100В 0,1 на обломке спички;

Рис. 13. Схемы простейших радиозакладок (f-66-74 МГц) (продолжение)
в) L1-6+6B 0,4 d=4мм.

Рис. 14. Схема автоматического запуска магнитофона в момент снятия телефонной трубки

Рис. 15. Схема, включающая магнитофон при появлении звуков голоса
(встраивается в магнитофон, врезаясь в цепь питания (стабилизатора) двигателя; «А» и «Б»-к переключателю рода работы, чтобы на «А» подавался «+» при «воспроизведении» и «перемотке» , а на «Б» – сигнал с выхода усилителя записи.)

Рис. 16. Универсальный усилитель низкой частоты, работающий с микрофонами и индукционными отводками

Рис. 17. Импровизированный «игольчатый» микрофон

Рис. 18. Схема электрошокера-парализатора
Приложение 2
Поиск и обезвреживание взрывных устройств
1. Типы взрывных устройств
[По книге С.А. Ивлиева и др. «Поиск и обезвреживание взрывных устройств» (Москва, 1996).]
ВУ могут быть самыми разнообразными как по внешнему виду, так и по принципу действия.
Например, ВУ в виде сумки, кейса, чемодана могут взорваться при попытке сдвинуть их с места, поднять, открыть.
Взрыв может произойти и в результате срабатывания какого-либо механического или электромеханического взрывателя замедленного действия, без непосредственного воздействия на предмет, по истечении заданного времени замедления.
Если ВУ имеет радиовзрыватель, то взрыв также может произойти без контакта со взрывным устройством в любой момент времени по команде, переданной по радио.
Взрыв может быть осуществлен по проводам электровзрывной цепи путем подключения какого-либо источника тока.
Большое распространение получили взрывные устройства, срабатывающие при включении радиоприемника, телевизора или других предметов бытовой техники, работающих от электрической сети. Включением этих устройств замыкается электровзрывная сеть, в результате чего срабатывает электродетонатор или электрозапал и происходит взрыв заряда ВВ.
В автомобиле взрывное устройство может сработать при повороте ключа зажигания или даже в тот момент, когда ключ вставляется в замок зажигания либо включаются потребители энергии (фары, стеклоподъемники, стеклоочистители и т.д.).
В автомобиле взрыватель может быть установлен в выхлопной коллектор двигателя, в глушитель. При этом замыкание контактов произойдет после нагрева чувствительных элементов взрывателя (контактов) до определенной температуры.
Могут использоваться также взрывные устройства с часовым механизмом. Часы бывают механические, электромеханические или электронные. Такие взрывные устройства в состоянии срабатывать в любое установленное заранее время.