Справочное пособие по цифровой электронике - Страница 21
Силовой трансформатор подает низкое переменное напряжение на мостовой выпрямитель D1—D4. Выходное постоянное напряжение выпрямителя (примерно 17 В) сглаживается конденсатором С1. Светодиод D5, включенный через ограничительный резистор R1, показывает наличие постоянного напряжения в этой точке, т. е. является индикатором включения сети.
Нерегулируемое постоянное напряжение, действующее на конденсаторе С1, подается на входы регулируемого стабилизатора IС1, а через тумблер S2 — на Г-образный стабилизатор IC2. Выходное напряжение IC1 регулируется с помощью переменного резистора VR1, а ограничение тока устанавливается резистором VR2. Светодиод D6 показывает наличие напряжения на ТТЛ-выходе.
Конденсаторы С2, СЗ, С5 и С6 обеспечивают устойчивость блока питания по высоким частотам, а конденсаторы С4 и С7 служат для дополнительной развязки КМОП- и ТТЛ-выходов.
Монтаж и проверка. Все компоненты блока питания, за исключением силового трансформатора и органов управления, монтируются на стандартной печатной плате (24 полоски с 37 отверстиями). Монтаж компонентов на печатной плате Veroboard показана на рис. П2.2.

Рис. П2.2. Монтажная схема блока питания
Из рисунка видно, что нужно сделать шесть разрывов (разрезов) печатных проводников, с помощью кусачек или дрели с острым сверлом соответствующего диаметра.
Рекомендуется следующая последовательность монтажа: перемычки, конденсаторы, резисторы, мостовой выпрямитель, выходные пистоны и микросхемы. Микросхемы устанавливаются так, чтобы их теплоотводящие поверхности были выровнены в вертикальной плоскости для общего радиатора, который привинчивается к задней металлической стенке корпуса Verobox.
Перед окончательной установкой печатной платы мы настоятельно советуем внимательно проверить правильность монтажа ее отдельных компонентов, перемычек и разрывов печатных проводников.
Необходимо убедиться в правильной ориентации полярных компонентов, включая электролитические конденсаторы и мостовой выпрямитель, в надежности соединений, отсутствии выплесков припоя и замыканий между печатными проводниками. Нечего и говорить, что несколько минут, потраченных на контроль платы, сэкономят время в дальнейшем.
Когда плата тщательно проверена, ее нужно прикрепить горизонтально к корпусу Verobox. Спереди плата поддерживается с помощью двух изолирующих стоек, а сзади — теплоотводящим радиатором.
Монтаж органов управления, индикаторов и гнезд на передней панели показан на рис. П2.3.

Рис. П2.3. Монтаж элементов на лицевой панели
Соединения между этими компонентами осуществляются короткими изолированными проводами.
После окончания монтажа его нужно тщательно проверить, обратив особое внимание на предохранитель, трансформатор и сетевой выключатель. Затем можно подключиться к сети и с помощью мультиметра (включенного на измерение постоянного напряжения) убедиться в том, что напряжение на конденсаторе С1 находится в диапазоне от 15 до 18 В. Впоследствии следует измерить напряжение на ТТЛ- и КМОП-выходах. Если что-то оказывается не в порядке, воспользуйтесь рекомендациями, приведенными в гл. 1.
Компоненты. В блоке питания применяются следующие компоненты.
Резисторы (угольные, пленочные; 0,25 Вт): R1 = 1 кОм; R2 = 1 кОм; R3 = 220 Ом; потенциометры (линейные, проволочные): VR1 = 10 кОМ; VR2 = 50 Ом; конденсаторы: С1 = 4700 мкФ (электролитический, 25 В); С2 = С5 = 0,22 мкФ (полистироловый); С3 = С6 = 0,1 мкФ (полистироловый); С4 = С7 = 47 мкФ (электролитический, 25 В); полупроводниковые приборы: D1—D4 — мостовой выпрямитель, 220 В, 1,6 А (например, SKB2/02L5A); D5 — красный светодиод (с линзой); D6 — зеленый светодиод (с линзой); IC1—L200; IC2—7805.
Дополнительные детали: Т1 — силовой трансформатор, 20 или 24 В·А, с первичной обмоткой на 240 В (или двумя обмотками на 120 В, включенными последовательно) и вторичной обмоткой на 12 В (или две на 6 В) и ток 1,6 или 2 A; FS1 — быстроплавкий предохранитель на 1 А длиной 20 мм и держатель для него; S1 — миниатюрный двухполюсный поворотный выключатель на два положения, рассчитанный на 240 В; S2 — миниатюрный однополюсный поворотный переключатель на два положения; SK1—SK4 — гнезда диаметром 4 мм (два черных, одно красное и одно зеленое).
Радиатор Т0220 с теплоотводящей способностью 6,8 °C/Вт; корпус Verobox с размерами 205x140x75 мм; плата Veroboard с размерами 96x63 мм; односторонние пистоны 1 мм (14 шт.); изолирующие стойки (2 шт.); крепежные болты и гайки (6 шт.).
Спецификации
КМОП-выход
Диапазон регулируемого напряжения, В … От 3 до 15
Регулируемое ограничение по току, А … От 0,01 до 2
Выходное сопротивление, Ом … < 0,05 (при выходе 10 В и 1 А)
Помехи на выходе, мВ … < 0,5 (10 Гц—100 кГц)
Стабилизация, % … Лучше 1 (при указанных выходных параметрах)
ТТЛ-выход
Фиксированное выходное напряжение, В … 5 ± 0,2
Максимальный ток, А … 1
Ток короткого замыкания, мА … 750
Помехи на выходе, мВ … < 0,05 (10 Гц—100 кГц)
Стабилизация, % … Лучше 0,5 (при указанных выходных параметрах)
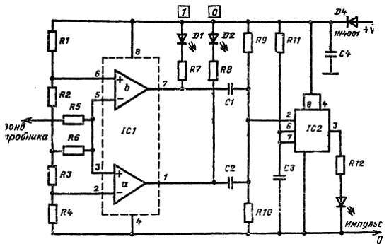
2.3. Логический пробник
Логический пробник очень удобен для индикации логических состояний в цифровых КМОП- и ТТЛ-схемах.
Описание схемы. Электрическая схема логического пробника показана на рис. П2.4.

Рис. П2.4. Принципиальная электрическая схема логического пробника
Сдвоенный компаратор IC1 определяет уровень напряжения на зонде, сравнивая его с напряжениями от резисторных делителей R1—R4. При стандартном питании +5 В напряжение в точке между R1 и R2 составляет примерно 2,5 В, а в точке между R3 и R4 — около 1,2 В. При отсутствии входного напряжения (зонд «плавает» в воздухе) напряжение на инвертирующем входе IC1b и неинвертирующем входе IC1a будет таким же, как и в точке между R2 и R3, т. е. равным примерно половине напряжения питания.
Входы IC1 включены так, что на выходе 1а (контакт 1) появляется низкий уровень, если зонд пробника воспринимает логический 0, а на выходе IC1b формируется низкий уровень, когда зонд воспринимает логическую 1. В любом случае будет светиться соответствующий светодиод D2 или D1, показывая логическое состояние, воспринимаемое зондом. В отсутствие логических 0 и 1 (неопределенное или высокоуровневое состояние, а также разомкнутая цепь) на обоих выходах IC1 действуют высокие уровни и ни один из светодиодов не светится.
Микросхема 1С2 представляет собой таймер 555, работающий н моностабильном режиме (см. гл. 4) и обеспечивающий необходимое расширение импульсов. Запускающий импульс формируется с помощью конденсаторов С1 или С2 и резисторов R9 или R10. Спадающий фронт образуется при переходе любого выхода микросхемы 1С1 с высокого на низкий уровень.
Длительность импульса таймера (и время свечения D3) определяется времязадающими элементами R11 и СЗ. Конденсатор С4 служит для сглаживания питания, а диод D4 защищает пробник от случайного неправильного подключения питания.
Монтаж. Все компоненты логического пробника монтируются на плате с девятью полосками, имеющими по 37 отверстий. Эту плату можно отрезать от стандартной платы Veroboard (24 полоски по 37 отверстий), сохранив ее часть для логического пульсатора.