Современный монтаж электропроводки и теплых полов - Страница 7
На рисунке 10 а показано крепление проводов марок АПВ, АППВ, АПН, АПРВ к бетонным и кирпичным основаниям по пристреливаемой проволоке, а на рисунке 10 б – при помощи пристреливаемых закрепов с полосками.

Рис. 10. Крепление проводов марок АПВ, АЛПВ, АЛН, АПРВ к бетонным и кирпичным основаниям: а – по пристреливаемой проволоке; б – по пристреливаемым закрепам с полосками: 1 – пластинка; 2 – дюбель-гвоздь; 3 – проволока; 4 – АПН 3x4; 5 – прокладка из электрокартона; 6 – стальная полоса; 7 – пряжка
Прокладка проводов по приклеенным элементам крепления. Пластмассовые или стальные детали крепления плоских проводов и кабелей марок АВРГ и АНРГ можно приклеивать к бетонным, железобетонным, керамзитобетонным, асбоцементным, кирпичным и керамическим основаниям, поверхность которых сухая, прочная, очищенная от пыли, грязи и копоти, при помощи специальных клеев, например, клей КНЭ-2/60 (кумаронатриевый электротехнический) или БМК-5К на основе акриловой смолы с наполнителем каолином.
Запрещается приклеивать провода непосредственно к строительному основанию.
Пластмассовые и металлические детали перед приклеиванием обезжиривают ацетоном или бензином. Качество и прочность приклеивания зависят от соблюдения технологии. Сначала необходимо зачистить основание металлической щеткой и нанести шпателем клей на строительное основание на площади, несколько превышающей размер приклеиваемой детали. Затем нанести клей на приклеиваемую деталь и прижать ее на 3–5 секунды к строительному основанию.
Приступать к электромонтажным работам можно после полного высыхания клея (20–25 час.). Клей можно применять только при температуре в помещении более 5 С и относительной влажности не более 70 %.
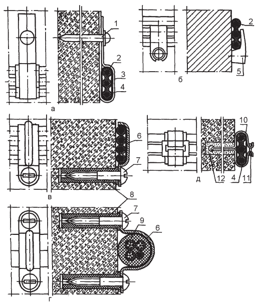
Выполняя монтажные работы с применением клея, необходимо соблюдать правила пожарной безопасности, принятые для легковоспламеняющихся жидкостей, избегать попадания клея на кожу рук, лицо и в глаза. На рис. 11 показаны некоторые другие способы крепления проводов и кабелей к бетонным, кирпичным и им подобным основаниям.

Рис. 11. Крепление проводов марок АПВ, АППВ, АПН, АПРВ и кабелей АВРГ и АНРГ к бетонным и кирпичным основаниям: а – при помощи полоски, прибиваемой дюбелем-гвоздем (ручная забивка); б – при помощи пластмассовых скоб; в и г – при помощи скоб с одной и двумя лапками; д – при помощи полоски, вмазанной в основание: 1 – дюбель-гвоздь; 2 – провод АПН 3×4; 3, 10 – полоска; 4 – прокладка из электрокартона; 5 – пластмассовая скоба; 6 – скоба; 7 – шуруп; 8 – капроновый дюбель; 9 – кабель АВРГ (АНРГ) 3×10 + 1×6; 11 – пряжка; 12 – алебастр
Прокладка по деревянным конструкциям. Плоские защищенные провода АППР и кабели в оболочке из трудносгораемых и несгораемых материалов разрешается прокладывать по деревянным стенам, перегородкам, потолкам и другим сгораемым конструкциям с креплением скобами.
Разрешается также прокладка по сгораемым конструкциям незащищенных проводов с поливинилхлоридной изоляцией с обязательной подкладкой под провода изолирующих несгораемых материалов, например, листового асбеста толщиной не менее 3 мм, выступающего с каждой стороны провода не менее чем на 10 мм.
Скрытая проводка внутри помещений выполняется в стальных водогазопроводных трубах (только во взрывоопасных зонах), тонкостенных и электросварных трубах (в пожароопасных помещениях), в гибких металлорукавах, коробах, в пластмассовых (полиэтиленовых, полипропиленовых и винипластовых), а также в резинобитумных трубах.
Прокладка по несгораемым основаниям. В жилых зданиях допускается несменяемая скрытая прокладка проводов АППВ, АПН, АППВС непосредственно по панелям несгораемых конструкций – под штукатуркой, в бороздах стен, в швах между панелями перекрытий и т. п., а также непосредственно под слоем мокрой штукатурки в толще основания или в сплошном слое алебастрового намета (рис. 12 а).

Рис. 12. Скрытая прокладка проводов: а – провода марок АППВС, АПН, АПВ по несгораемым основаниям под мокрой и сухой штукатуркой; б – тех же проводов по деревянным основаниям под сухой штукатуркой; в – по деревянным основаниям под мокрой штукатуркой: 1 – провод АППВС; 2 – алебастр; 3, 13 – мокрая штукатурка; 4 – гипсовый намет; 5 – гвоздь; 6 – алебастровая прокладка; 7 – полоска; 8 – сухая штукатурка; 9 – провод АПН или АПВ; 10 – рейка; 11 – дрань штукатурная; 12 – контур мокрой штукатурки
По деревянным основаниям, покрываемым сухой штукатуркой, провода заделывают сплошным слоем алебастрового намета или между двумя слоями листового алебастра (рис. 12 б).
По деревянным стенам и перегородкам, покрываемым мокрой штукатуркой, – под слоем штукатурки с подкладкой под провода листового асбеста толщиной не менее 3 мм или по намету штукатурки толщиной не менее 5 мм. Асбест или намет штукатурки укладывают поверх дранки или дранку вырезают по ширине асбестовой прокладки. Ширина асбестовой прокладки должна быть такой, чтобы асбест выступал не менее чем на 10 мм с каждой стороны провода.
По деревянным стенам и перегородкам, покрываемым слоем сухой гипсовой штукатурки, – в зазоре между стеной и штукатуркой в сплошном слое алебастрового намета или между двумя слоями листового асбеста толщиной 3 мм. При этом слой алебастрового намета или асбеста с каждой стороны провода должен быть не менее 10 мм.
При монтаже проводок плоскими проводами при скрытой электропроводке выполняют ряд операций:
• правка провода из бухты;
• разметка трасс;
• прокладка провода;
• крепление провода;
• изгибание и пересечение провода;
• проходы через стены и перекрытия.
Для правки плоских проводов один конец провода неподвижно закрепляется в тисках, после чего провод протягивают через суконку или рукавицу. При плавке однопроволочных проводов с ПВХ-изоляцией (ПВ, АПВ и др.) протягивать провода с большим усилием не рекомендуется, так как можно сдвинуть изоляцию.
Прокладку проводов выполняют участками: квартирный щиток – ответвительная коробка – штепсельная розетка; ответвительная коробка – выключатель; ответвительная коробка – светильник и т. п.
Провода соединяют между собой только в ответвительных коробках. Соединение проводов между собой вне коробок не разрешается. Провод нарезают на куски, равные длине отдельных участков. Провод укладывают с легким нажатием по всей длине прямого участка от коробки до поворота трассы и закрепляют алебастровым раствором (рис. 12 а).
При повороте провода разделительное основание вырезают для придания проводу возможности осуществить поворот в плоскости.
После укладки провода на повороте он закрепляется алебастровым раствором. Аналогично выполняется монтаж провода на всей оставшейся трассе до следующей коробки.
Обеспечение возможности соединения проводов. При монтаже проводки должна быть обеспечена возможность свободного выполнения соединений проводов в ответвительных коробках, коробках для выключателей и штепсельных розеток. Такая необходимость может возникнуть в период эксплуатации для ремонта или замены выключателей, штепсельных розеток, светильников. Поэтому концы провода с раздельными жилами вводят в коробки с запасом 5070 мм. После этого провод у коробки закрепляют.
Для присоединения к светильникам, штепсельным розеткам, выключателям открытой установки скрыто проложенных проводов на места выхода их из стен, перегородок и перекрытий надевают изоляционные трубки, фарфоровые или пластмассовые втулки или воронки для того, чтобы исключить излом проводов из-за их многократного изгибания.