Современный монтаж электропроводки и теплых полов - Страница 12
При прокладке стальных труб необходимо исключить проникновение пыли внутрь труб и соединительных коробок, для чего применяют уплотненные резьбовые соединения. Трубы можно соединять при помощи муфт с резьбой без уплотнений только в сухих и непыльных чердаках.
Трубы прокладывают с уклоном так, чтобы в них не могла скапливаться влага.
Соединения и ответвления медных или алюминиевых жил проводов и кабелей проводят в металлических соединительных (ответвительных) коробках сваркой, опрессовкой или с помощью сжимов, соответствующих материалу, сечению и количеству жил.
Ответвления от линий, проложенных на чердаке, к электроприемникам, установленным вне чердаков, допускается при условии прокладки как линии, так и ответвлений открыто в стальных трубах, скрыто в несгораемых стенах и перекрытиях.
Отключающие аппараты в цепях, питающих светильники, расположенных непосредственно на чердаках, устанавливают вне чердаков, например, у входа на чердак.
Стальные трубы, металлические корпуса светильников и другие металлические конструкции электропроводки должны быть занулены.
На чердаках запрещается прокладывать любые неметаллические трубы.
Учет израсходованной электроэнергии и расчет за нее с энергоснабжающей организацией производят по счетчику. Счетчик, как правило, монтируют на квартирном щитке вместе с необходимыми коммутационными и защитными аппаратами и устройствами. Допускается крепление счетчиков на деревянных, пластмассовых или металлических щитках.
Промышленность выпускает однофазные и трехфазные счетчики на различное напряжение и силу тока. Основные типы и характеристики счетчиков приведены в табл. 16.


В цепях однофазного тока активная энергия измеряется однофазными индукционными счетчиками непосредственного включения (рис. 20 а) или включениями через трансформатор тока (рис. 20 б). При включении через трансформатор тока показания счетчика умножаются на коэффициент трансформации трансформатора тока.

Рис. 20. Включение однофазного счетчика: а – однофазный счетчик непосредственного включения; б – включение однофазного счетчика через трансформатор тока; Г – генераторные зажимы; Н – зажимы для нагрузки
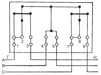
В трехпроводных цепях трехфазного тока с равномерной или неравномерной нагрузкой фаз энергия измеряется двухэлементными счетчиками, например типа САЗ-И670М или САЗ-И677 непосредственного включения (рис. 21) или включаемыми через измерительные трансформаторы тока (рис. 22). В обеих фазах трансформаторы тока должны иметь одинаковый коэффициент трансформации.

Рис. 21. Включение трехфазных счетчиков САЗ-И677 и САЗ-И684 непосредственно в трехпроводную сеть

Рис. 22. Схема включения счетчиков САЗ-И670М и САЗ-И681 через трансформаторы тока в трехпроводную сеть
Расход энергии определяется как произведение показаний счетчика на коэффициент трансформации трансформаторов тока и на коэффициент трансформации трансформаторов напряжения, если они применены.
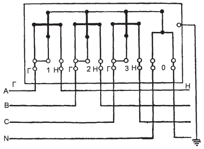
В четырехпроводной сети трехфазного тока при равномерной и неравномерной нагрузке фаз энергия может учитываться с помощью трех однофазных счетчиков, включенных, как показано на рис. 23, или с помощью трехэлементного четырехпроводного счетчика типа СА4 или СА4У (рис. 24). При учете тремя однофазными счетчиками расход энергии равен сумме показаний всех трех счетчиков, умноженный на коэффициент трансформации трансформаторов тока.

Рис. 23. Схема учета энергии в четырехпроводной сети при неравномерной нагрузке фаз с помощью трех однофазных счетчиков, включенных через трансформаторы тока

Рис. 24. Схема учета энергии в четырехпроводной сети при неравномерной нагрузке фаз с помощью трехфазного счетчика СА4 непосредственного включения
Перед счетчиком, который установлен на квартирном щитке, желательно установить рубильник или двухполюсный выключатель для безопасной замены счетчика.
Нагрузка к счетчику подключается обязательно через устройство защиты. Защитные устройства применяют для того, чтобы при неисправности внутренней электропроводки или при аварийной перегрузке сети обеспечивалось автоматическое ее отключение от магистральной линии. С этой целью в цепях разных проводов сети устанавливают предохранители, автоматические выключатели или аппараты защитного отключения.
Отключение должно происходить путем разрыва линии фазного провода. Поэтому предохранители, а также однополюсные защитные или коммутационные аппараты, например, автоматы А3161 или АБ25 устанавливают только в фазном проводе. Установка этих аппаратов согласно ПУЭ в нулевом проводе не допускается.
Линию нулевого провода можно разрывать только одновременно с линией фазного провода. Это обеспечивается двухполюсными коммутационными или защитными аппаратами. Можно применить и трехполюсный аппарат, но при однофазном (двухпроводном) вводе один из полюсов не используется.
На практике распространена установка предохранителей в линии не только фазного, но и нулевого провода, что противоречит требованиям действующих ПУЭ.
Установка предохранителей как в фазном проводе, так и в нулевом обосновывалась неквалифицированной эксплуатацией квартирной электропроводки. Действительно, если перегоревшую в линии одного провода плавкую вставку, грубо нарушая правила, заменяли проволочной перемычкой («жучком»), то защита обеспечивалась исправным предохранителем в линии другого провода. Кроме того, не исключалось, что на участке проводки до предохранителей будет утрачено внешнее различие между фазным и нулевым проводом. В этом случае наличие двух предохранителей позволяет безопасно произвести ремонтные работы, вывернув обе пробки. Напомним, что первоначально электрической энергией в быту пользовались преимущественно в жилых помещениях с токонепроводящими полами. Центральное отопление еще не было распространено, трубопроводы и радиаторы в комнатах отсутствовали. В этих условиях прикосновение к электроприбору с поврежденной изоляцией обычно не приводило к поражению электрическим током, и зануления корпусов, как средства повышения безопасности, не требовалось. Теперь электрификация быта вышла за пределы жилых комнат, а в комнатах все чаще стали встречаться заземленные трубопроводы отопления, водопровода, газа. Значит, возникла вероятность оказаться в контакте с землей или с заземленным металлическим предметом во время пользования электроприбором. В таких условиях повреждение изоляции создает опасность поражения электрическим током.
Одним из средств обеспечения безопасности является зануление, то есть соединение металлических нетоковедущих частей электрооборудования с заземленным нулевым проводом. Если же в цепи нулевого провода установлен предохранитель или автомат, то при определенных условиях он может сработать и отключить нулевой провод, а это равносильно отключению зануления, обеспечивающего безопасность работающего. Поэтому установка защитных аппаратов в нулевом проводе при наличии электроприборов, требующих зануления, недопустима.
Конец ознакомительного фрагмента.
Текст предоставлен ООО «ЛитРес».
Прочитайте эту книгу целиком, купив полную легальную версию на ЛитРес.