Современные лоджии, балконы и окна - Страница 3
Оконные блоки выпускаются разной ширины от 75 до 140 мм.
Внимание
При кладке кирпичной стены оконные проемы, как правило, выполняются с «четвертью», с наружной стороны «четверть» устраивается для уменьшения продувания шва между оконным блоком и стеной.
В настоящее время с появлением новых материалов, надежно защищающих от продувания и теплопотерь (например, когда швы между оконным блоком и стеной заделываются строительной пеной), оконные проемы могут устраиваться без «четвертей».


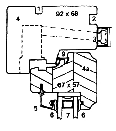
Рис. 3. Деревянный оконный блок с двойным остеклением и алюминиевой облицовкой:
1 – паз для соединения отдельных оконных блоков в единое целое (если это требуется); 2 – паз для установки футеровки (обкладки вокруг окна); 3 – вентиляционная прорезь, имеющая внутри сетку от насекомых (выполняется по желанию заказчика); 4 – вакуумимпрегнированная ель, защищенная от гниения, грибков и насекомых; 4а – ламинированная вакуумимпрегнированная ель; 5 – алюминиевый профиль; 6 – резиновый уплотнитель с проволокой внутри во избежание растяжения; 7 – воздушное пространство между стеклами в 16 мм является наиболее оптимальным; 8 – пластмассовая колодка, удерживающая алюминиевый профиль в нужном положении; 9 – резиновый уплотнитель между окном и оконной рамой; 10 – паз для установки водослива
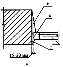
Для крепления оконных блоков в кладке стены необходимо заложить деревянные пробки размером 120x120x65 (h) мм, не менее чем по две штуки с каждой стороны проема. Шов по периметру между оконным блоком и стеной должен быть тщательно заполнен строительной пеной. При кладке стен оконные проемы по ширине должны быть больше на 30–40 мм ширины оконного блока (по 15–20 мм с каждой стороны) и по высоте – больше на 6590 мм высоты оконного блока.

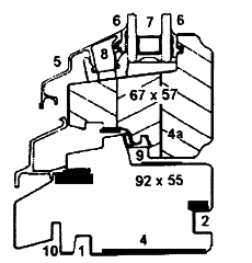
Рис. 4. Деревянный оконный блок с тройным остеклением и алюминиевой облицовкой:
1 – паз для соединения отдельных оконных блоков в единое целое (если это требуется); 2 – паз для установки футеровки (обкладки вокруг окна); 4 – вакуумимпрегнирован-ная ель, защищенная от гниения, грибков и насекомых; 4а – ламинированная вакуумимпрегнированная ель; 6 – резиновый уплотнитель с проволокой внутри во избежание растяжения; 7 – воздушное пространство между стеклами в 16 мм является наиболее оптимальным; 9 – резиновый уплотнитель между окном и оконной рамой; 10 – паз для установки водослива; 11 – вторая рама; 12 – расстояние между первой и второй рамами для большей тепло– и звукоизоляции
Со стороны улицы для защиты от атмосферных осадков в нижней части окна устанавливается отлив, как правило, металлический. Отлив обычно окрашивается в тот же цвет, что и оконные блоки с уличной стороны. Чтобы вода не попадала на стену, край отлива должен быть отнесен от стены не менее чем на 20 мм. Другой конец отлива заделывается в специальный паз оконного блока.
Со стороны помещения устанавливается подоконная доска. Подоконные доски бывают деревянные, ламинированные, из натурального камня (например, мраморные) и т. п. Один конец подоконной доски заделывается под оконный блок на глубину 50 мм, другой конец имеет свес в сторону помещения 100 мм и более.

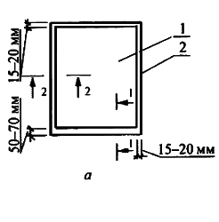
Рис. 5. Схема проема с «четвертью»:
1 – четверть; 2 – оконный блок
Размеры отлива и подоконной доски вычисляются следующим образом:
• длина отлива и подоконной доски должна равняться ширине оконного проема: глубина отлива назначается исходя из размера «а» (обычно это 65–70 мм) плюс 20 мм;
• глубина подоконной доски равняется «в» плюс 50 мм плюс 100 мм.
Мансардные окна. В помещениях мансардного этажа очень часто используются специальные мансардные окна, которые встраиваются непосредственно в скатную крышу (совмещенное с кровлей утепленное перекрытие). Уклон скатной крыши может быть от 15 до 90°.
В качестве примера рассмотрим мансардные окна фирмы «VELUX». Фирма выпускает мансардные окна трех типов:
• тип 1 – остекление – двухслойный стеклопакет, раму можно поворачивать на 180°, что позволяет легко мыть ее изнутри;
• тип 2 – остекление – энергосберегающий стеклопакет с повышенной прочностью и звукоизоляцией. Окно оборудовано вентиляционным клапаном и воздушным фильтром. Вентиляционная прорезь располагается наверху по всей ширине окна. Раму можно поворачивать на 180°;
• тип 3 – остекление – энергосберегающий стеклопакет с повышенной прочностью и звукоизоляцией. Рама имеет комбинированное открывание, т. е. ее можно поворачивать в двух плоскостях.
Окна изготавливаются из ламинированной высококачественной сосны с двойным покрытием водоэмульсионным лаком. Наружная обкладка, выполняемая из алюминия, окрашивается в серовато-коричневый цвет и не требует никакого ухода.



Рис. 6. Схема заполнения оконного проема:
а – фасад; б – сечение 1–1; в – сечение 2–2: 1 – оконный блок; 2 – оконный проем; 3 – отлив; 4 – строительная пена; 5 – подоконная доска; 6 – откос из штукатурки; 7 – откос из штукатурки снаружи
Современные лоджии, балконы и окна
Оклады окон выпускаются двух видов:
• для установки в крышах, покрытых плоскими и низкопрофилированными (высотой менее 8 мм) кровельными материалами. Например, плоские металлические листы;
• для установки в крышах, покрытых волнистыми высокопрофилированными (высотой 8 мм и более) кровельными материалами. Например, черепица, металлочерепица, профилированный настил и т. д.
Оклады обеспечивают водонепроницаемость и эстетичную установку мансардного окна в кровлю. Они окрашены тоже в серовато-коричневый цвет, что и наружная поверхность окон, и поставляются как готовое изделие для каждого размера окон.
Мансардные окна выпускаются следующих размеров: 78x98 (h) см, 78x118 (h) см, 78x140 (h) см, 78x160(h)см,114x118(h)см,114x140(h)см.
Окна могут быть укомплектованы:
• стержнем для открывания высокорасположенных окон (длиной 80 см и от 102 до 183 см),
• шнуром для открывания высокорасположенных окон (длиной 5 м),
• шторой, жалюзи.

Рис. 7. Пример установки мансардного окна:
1 – скатная крыша; 2 – мансардное окно; 3 – оклад
Глава II
Классификация окон
Для эстетической оценки сооружения расположение, разбивка и рисунок окон на фасаде здания играют решающую роль. Разнообразные эффекты возникают в результате акцентирования вертикального или горизонтального членения проемов, нейтрального или композиционно направленного распределения окон на стенах здания либо в результате более мелкого членения самих окон.
Органичные линии оконных переплетов вплетались в общий рисунок фасадов того времени, даря ощущение гармонии и покоя. И если глаза – это зеркало человеческой души, то окна дома – это отражение его внутреннего содержания. Если внешняя сторона входной двери, да и всего фасада при входе в дом забывается, то рисунок оконного переплета постоянно находится перед глазами.
В интерьере окно становится как бы рамой к картине мира, а ведь как часто из-за плохо подобранной рамы меркнет прекрасное произведение искусства. И, конечно же, нельзя не вспомнить о том, что окно подчас диктует стиль интерьера. В особенности это касается старых домов с искусно выполненной столяркой окон, которые сохранились до нашего времени и теперь украшают улицы наших городов, соперничая по красоте и, выигрывая в гармоничности у современных построек конца XX века, которым нужно отдать должное за их попытку переосмыслить наследие прошлых веков и создать новый стиль.