Шпионские штучки, или Секреты тайной радиосвязи - Страница 7

Рис. 2.2. Принципиальная схема простейшего микрофонного усилителя на n-p-n-транзисторе
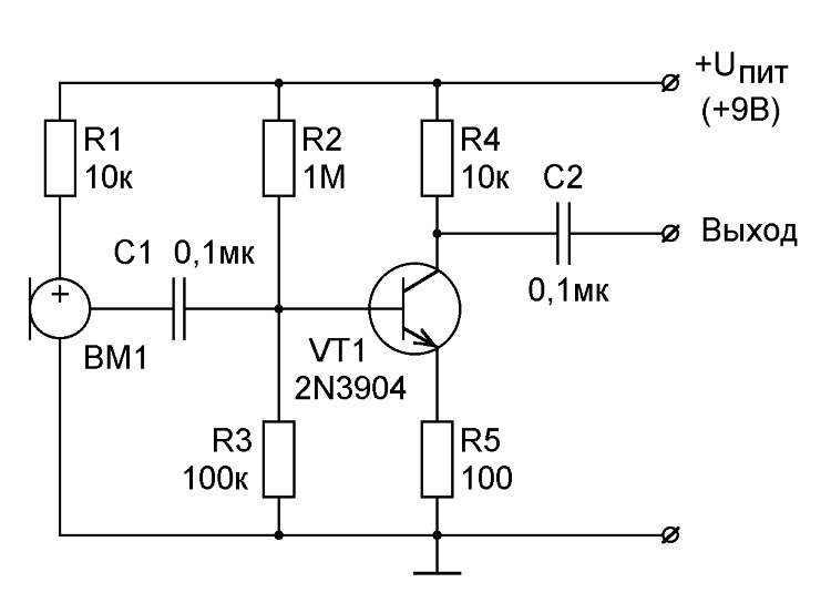
В рассматриваемой схеме сигнал, сформированный на выходе микрофона BM1, через разделительный конденсатор С1 поступает на базу транзистора VТ1, включенного по классической схеме с общим эмиттером. Конденсатор С1 обеспечивает развязку входной цепи усилителя и выходной цепи источника сигнала (микрофон BM1) по постоянному току. При отсутствии этого конденсатора сопротивление резистора R3 совместно с малым сопротивлением перехода база-эмиттер транзистора VТ1 шунтирует выход источника сигнала. Помимо этого выходное сопротивление микрофона оказало бы неприемлемое влияние на положение рабочей точки транзистора VТ1, изменив режим его работы. Аналогичные функции выполняет разделительный конденсатор С2, обеспечивая развязку по постоянному току выходной цепи микрофонного усилителя и входных цепей подключаемых к его выходу каскадов. Через резистор R1 на соответствующий вывод электретного микрофона BM1 подается напряжение, необходимое для штатного функционирования микрофона.
При отсутствии входного сигнала на базе транзистора VТ1, включенного по схеме с общим эмиттером, присутствует напряжение смещения, формируемое делителем R2, R3 из напряжения питания. Наличие напряжения смещения обеспечивает протекание тока между коллектором и эмиттером транзистора. Величина этого тока, который обычно называют коллекторным током, зависит от соотношения величин сопротивлений резисторов R2 и R3. Изменение этого соотношения приводит к смещению рабочей точки на характеристике транзистора VТ1 и, соответственно, к изменению его режима работы.
При поступлении сигнала на базу транзистора VТ1 происходит изменение тока базы, что вызывает соответствующее изменение величины коллекторного тока. В результате по аналогичному закону происходит изменение разности потенциалов на резисторе R4, выполняющем функцию нагрузочного резистора в цепи коллектора транзистора VТ1. Как уже отмечалось, при возрастании напряжения на базе транзистора VТ1 происходит падение напряжения на его коллекторе, и, наоборот, при падении напряжения на базе, напряжение на коллекторе увеличивается. Таким образом, выходное напряжение однокаскадного транзисторного усилителя будет находиться в противофазе входному напряжению.
Стабилизация положения рабочей точки транзистора
Для того чтобы усилительный каскад работал в нормальном, штатном режиме, то есть без так называемого переусиления, на характеристике транзистора необходимо выбрать соответствующую рабочую точку, положение которой определяется величиной коллекторного тока при определенном коллекторном напряжении. Обычно в схемах усилительных каскадов с общим эмиттером напряжение на коллекторе транзистора выбирается равным половине напряжения источника питания, поскольку при таком соотношении обеспечивается достижение наибольшей амплитуды неискаженного выходного сигнала.
Величина напряжения, формируемого на коллекторе транзистора VТ1 (рис. 2.2) при одном и том же коллекторном токе, зависит от величины сопротивления резистора R4, которая в различных схемах может находиться в пределах от 1 до 100 кОм. Малое сопротивление коллекторного резистора выбирается в том случае, когда транзистор VТ1 должен работать в режиме с малым коллекторным током (в каскадах, которые должны обеспечивать низкий уровень собственных шумов). В результате амплитуда выходного тока, и соответственно, напряжения, будет малой при малом уровне шумов. Такие каскады обычно используются в качестве входных. При выборе резистора R4 с большим сопротивлением коэффициент усиления каскада увеличивается. Величина сопротивления резистора R4 в пределах нескольких килоом выбирается для усилителей напряжения, от которых требуется больший выходной ток при малом выходном сопротивлении.
При отсутствии входного сигнала ток базы, определяемый соотношением величин сопротивлений резисторов R2 и R3, инициирует протекание коллекторного тока, который часто называется током покоя. Под влиянием каких-либо внешних воздействий, например, при нагревании корпуса транзистора, ток покоя может измениться, несмотря на то, что напряжение на базе остается неизменным благодаря постоянным параметрам элементов делителя R2, R3. Увеличение коллекторного тока приводит к увеличению падения напряжения на резисторе R4, поэтому напряжение на коллекторе транзистора VТ1 уменьшится. В результате уменьшится и напряжение между коллектором и эмиттером. Для большинства применяемых в звукоусилительной аппаратуре маломощных биполярных транзисторов падение напряжения коллектор-эмиттер на несколько десятых долей вольта приводит к переходу в режим насыщения, после чего транзистор перестает реагировать на изменения входного напряжения.
Избежать подобных неприятностей помогают специальные схемотехнические решения, обеспечивающие стабилизацию положения рабочей точки транзистора. Одно из них заключается в использовании цепи отрицательной обратной связи по току за счет подключения резистора в цепь эмиттера транзистора VT1. Принципиальная схема простейшего усилительного каскада со стабилизацией рабочей точки транзистора с помощью цепи ООС по току приведена на рис. 2.3.

Рис. 2.3. Принципиальная схема микрофонного усилителя со стабилизацией рабочей точки транзистора с помощью цепи ООС по току
При увеличении коллекторного тока падение напряжения на резисторе R5 также увеличится, что при постоянном напряжении на базе транзистора VТ1 приведет к уменьшению разности потенциалов между базой и эмиттером. Как следствие, изменится положение рабочей точки транзистора, поскольку уменьшится напряжение, обеспечивающее отпирание транзистора. Транзистор прикроется, а ток базы уменьшится, что приведет к соответствующему уменьшению коллекторного тока.
Как только ток коллектора уменьшится, температура транзистора понизится, а ток коллектора будет продолжать снижаться. При этом уменьшится и падение напряжения на резисторе R5 до первоначального значения. Таким образом происходит стабилизация рабочей точки транзистора VТ1 с помощью включенного в цепь эмиттера резистора R5. Чем больше величина сопротивления резистора R5, тем стабильнее работает каскад при изменении температуры. Однако с увеличением этого сопротивления будет уменьшаться рабочее напряжение между коллектором и эмиттером транзистора VТ1.
При поступлении на вход каскада переменного сигнала (в процессе работы в режиме усиления) через резистор в цепи эмиттера помимо постоянной составляющей проходит и переменная составляющая коллекторного тока. В результате на резисторе R5 будет формироваться переменное напряжение низкой частоты, которое также будет приложено к базе транзистора VТ1, то есть через этот резистор замыкается петля отрицательной обратной связи по току. Поскольку фаза этого напряжения противоположна фазе входного напряжения усилителя, результирующее напряжение на базе транзистора VТ1 окажется уменьшенным, что приведет к понижению коэффициента усиления каскада. В то же время эта ООС обеспечивает снижение вносимых каскадом искажений, хотя и за счет снижения коэффициента усиления сигнала. Помимо этого указанная обратная связь увеличивает входное сопротивление каскада. Тем не менее, в миниатюрных транзисторных радиопередатчиках для достижения максимальной амплитуды выходного сигнала резистор R5 из схемы микрофонного усилителя часто исключается.
Для того чтобы через резистор R5 проходила лишь постоянная составляющая коллекторного тока, параллельно этому резистору в цепи эмиттера транзистора VТ1 включается электролитический конденсатор С3 сравнительно большой емкости. При этом его отрицательный вывод соединен с шиной корпуса, а положительный вывод подключен к эмиттеру транзистора VТ1, на котором присутствует низкое положительное напряжение. Через этот конденсатор постоянный ток не проходит, поэтому на положение рабочей точки транзистора VТ1 конденсатор С3 не оказывает никакого влияния. Сопротивление этого конденсатора переменному току невелико, поэтому переменная составляющая коллекторного тока свободно проходит через конденсатор С3 на шину корпуса, не создавая на нем заметного напряжения низкой частоты. Принципиальная схема такого усилительного каскада, часто называемого классическим, приведена на рис. 2.4.