"Шпионские штучки 2" или как сберечь свои секреты - Страница 42

Рис. 4.16. Зарядное устройство для металлоискателя
Детали узла А1 металлоискателя, кроме разъемов, батареи и переменного резистора, смонтированы на небольшой печатной плате, которая вместе с батареей аккумуляторов размещена в небольшом корпусе — коробке из-под лекарств.
На крышке коробки крепят разъем, а через отверстие в дне пропускают двухпроводный шнур, концы проводов которого припаивают к разъему ХР2. Переменный резистор R2 крепят на боковой стенке коробки.
Сменные катушки диаметром до 100 мм изготавливают так. Сначала на оправке необходимого диаметра наматывают обмотку, которую обматывают слоем лакоткани, а поверх — медной луженой фольгой. Начало и конец обмотки из фольги не должны касаться друг друга, поэтом между ними оставляют зазор в несколько миллиметров.
Затем из фольгированного материала изготавливают основание в виде диска, на котором пайкой крепят разъем. С внутренней стороны на основании оставляют на краю кольцевую фольгированную полоску, не замкнутую на концах, а также полоску-проводник к разъему (с этой полоской соединяют контакты 2 и 4 разъема). К основанию припаивают фольговую обмотку катушки так, чтобы зазоры обмотки и кольцевой полоски основания совпали. В случае необходимости на основании размещают конденсатор С, выводы которого подпаивают к выводам 3 и 1 разъема, т. е. подключают параллельно катушке индуктивности.
После проверки катушки (омметром) и подбора конденсатора С1 (при налаживании металлоискателя) припаивают крышку из фольгированного материала, изготовленную наподобие основания с незамкнутой кольцевой полоской.
Катушки диаметром 100 мм и более можно изготовить аналогично описанным выше и соединять их с металлоискателем с помощью кабеля (обязательно экранированного) длиной 1,5…2 м. Индуктивность любой катушки должна быть примерно 1,25 мГн.
Для катушки диаметром (средним) 25 мм обмотка должна содержать 150 витков провода ПЭВ-1 0,1 мм; диаметром 75 мм — 80 витков ПЭВ-1 0,18 мм; диаметром 200 мм — 50 витков ПЭВ1 0,3 мм. Для катушек любого другого диаметра число витков приближенно определяют но формуле:

где W — число витков; L — индуктивность катушки, мкГн; D — средний диаметр катушки, см.
Настраивают металлоискатель в такой последовательности. После изготовления одной из сменных катушек, например самой малогабаритной, ее подключают к разъему XS1. Движок резистора R2 устанавливают в среднее положение и, подключив головные телефоны, подбором конденсатора СЗ добиваются звука низкого тока в них. При приближении к катушке металлического предмета тональность звука должна изменяться. Затем изготавливают катушку другого диаметра и, не припаивая крышку, подключают катушку к разъему XS1.
Желательно, чтобы индуктивность катушки получилась на 5…10 % меньше ранее изготовленной. Подбором конденсатора С1 (если это понадобится) добиваются звука примерно такой же тональности, что и в первом случае.
Аналогично изготавливают и настраивают катушки других размеров.
При зарядке батареи аккумуляторов необходимо помнить о правилах безопасности и не касаться токопроводящих частей устройства, например вилки ХР2. Чтобы сделать этот процесс более безопасным, можно воспользоваться для зарядки сетевым блоком питания с выходным напряжением 9… 12 В и подключать его к батарее GB1 (через контакты 4, 5 разъема XS1) через резистор сопротивлением 470…510 Ом.
Малогабаритный чувствительный металлоискатель
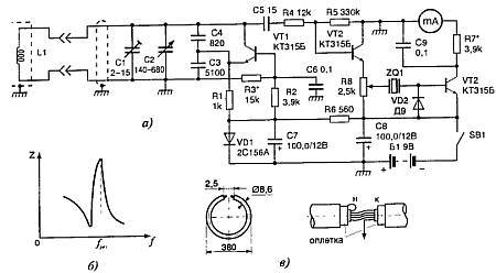
Металлоискатели, основанные на регистрации на биений, оказываются малочувствительными при поисках металлов со слабыми ферромагнитными свойствами, таких как, например, медь, олово, серебро. Повысить чувствительность металлоискателей этого типа невозможно, поскольку разность частот биения малозаметна при обычных методах индикации. Значительный эффект дает применение кварцованных металлоискателей. Металлоискатель, принципиальная схема которого приведена на рис. 4.17,а, состоит из измерительного генератора, собранного на транзисторе VT1, и буферного каскада — эмиттерного повторителя, собранного на транзисторе VT2, отделенных кварцевым резонатором ZQ1 от индикаторного устройства — детектора на диоде VD2 с усилителем постоянного тока на транзисторе VT3. Нагрузкой усилителя служит стрелочный прибор С током полного отклонения 1 мА.
Вследствие высокой добротности кварцевого резонатора малейшие изменения частоты измерительного генератора будут приводить к уменьшению полного сопротивления последнего, как это видно из характеристики, приведенной на рис. 4.17,б, а это, в конечном итоге, повысит чувствительность прибора и точность измерений.
Подготовка к поиску заключается в настройке генератора на частоту параллельного резонанса кварца, равную 1 МГц. Эта настройка производится конденсаторами переменной емкости С2 (грубо) и подстроечным конденсатором C1 (точно) при отсутствии около рамки металлических предметов. Поскольку кварц является элементом связи между измерительной и индикаторной частями устройства, его сопротивление в момент резонанса велико и минимальное показание стрелочного прибора свидетельствует о точной настройке устройства.
Уровень чувствительности регулируется переменным резистором R8.
Особенностью устройства является кольцевая рамка L1, изготовленная из отрезка кабеля. Центральную жилу кабеля удаляют и вместо нее продергивают шесть витков провода типа ПЭЛ 0,1–0,2 мм длиной 115 мм. Конструкция рамки показана на рис 4.17,в. Такая рамка обладает хорошим электростатическим экраном.

Рис. 4.17. Малогабаритный чувствительный металлоискатель
Жесткость конструкции рамки обеспечивается размещением ее между двумя дисками из оргстекла или гетинакса диаметром 400 мм и толщиной 5–7 мм.
В приборе использованы транзисторы КТ315Б, опорный диод — стабилитрон 2С156А, детекторный диод типа Д9 с любым буквенным индексом. Частота кварца может быть в интервале частот от 90 кГц до 1,1 МГц. Кабель — типа РК-50.
Металлоискатель с низкой рабочей частотой
Этот металлоискатель представляет собой относительно простое устройство, и имеет хорошую чувствительность и стабильность работы. Отличительной особенностью такого устройства является его низкая рабочая частота. Катушки индуктивности металлоискателя работают на частоте 3 кГц. Это обеспечивает, с одной стороны, слабую реакцию на нежелательные сигналы (например, сигналы, возникающие при наличии мокрого песка, мелких кусочков металла (металлической стружки) и т. д.), а с другой стороны, хорошую чувствительность при поиске скрытых предметов малого и среднего размеров, а именно металлических коробок, труб, монет и т. п. Прибор также можно использовать при поиске места для оборудования тайника под землей. Он достаточно хорошо обнаруживает скрытые на глубине водопроводные трубы и трассы центрального отопления.
Для реализации и настройки схемы требуется соответствующий навык и опыт, поэтому, если вы недостаточно уверенно себя чувствуете, сначала попробуйте свои силы при изготовлении более простых устройств, описанных выше.
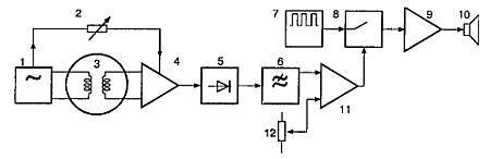
Блок-схема металлоискателя приведена на рис. 4.18.

Рис. 4.18. Блок-схема металлоискателя:
1 — генератор (3 кГц); 2 — дискриминатор; 3 — катушки металлоискателя; 4 — усилитель высокой частоты; 5 — детектор; 6 — фильтр низких частот; 7 — звуковой генератор; 8 — электронный ключ звукового сигнала; 9 — усилитель выходных сигналов; 10 — громкоговоритель; 11 — схема сравнения; 12 — регулируемое опорное напряжение