Шаг за шагом. Транзисторы - Страница 81
В действительности, конечно, в вычислительных машинах все происходит намного сложнее, но принцип остается тот же: числа представлены в виде электрических сигналов, в виде серий импульсов, и именно с этими сигналами машина производит всевозможные преобразования.
В электрических импульсах, включающих тот или иной элемент схемы, записана и программа действия машин. Например, вводятся в машину два числа А и Б и дается такая программа: «Умножить число А на число Б, затем прибавить число А к числу Б, разделить первый результат на второй…».
Работая по этой программе, машина будет всякий раз при любых вводимых в нее двух числах выдавать вам значение результирующей емкости при последовательном соединении двух конденсаторов или результирующего сопротивления при параллельном соединении резисторов.
В виде чисел-сигналов вводятся в машину описания самых разных событий и их характеристики. Возьмем, к примеру, машину, играющую в шахматы. Для нее обязательно производят предварительную числовую оценку фигур. Ферзя, например, оценивают в 10 условных единиц, ладью — в 5 единиц, пешку — в единицу и т. д. Имеют свои числовые оценки сдвоенная пешка, рокировка, давление на центральные поля и т. д.
Положение фигур, правила их передвижения и само передвижение, правила снятия фигур и т. п. также выражаются комбинациями цифр. Поэтому и каждый ход сводится к операциям над числами, и результат этого хода также представляет собой число, которое легко может быть превращено в определенное положение фигур на доске.
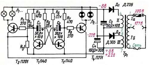
Можно построить переключатель гирлянд, который будет иллюстрировать работу логических элементов «и», «или», «не». Основа такого переключателя (рис. 124) — два мультивибратора (МВ1 и МВ2), два тактовых генератора, генерирующих прямоугольные импульсы разной длительности, например с периодом 1,5 сек и 1 сек. На два транзисторных реле (ТР1 и ТР2) эти импульсы подаются непосредственно с мультивибраторов, а на остальные транзисторные реле — через логические элементы. Так, импульсы, поступающие на транзисторное реле (ТР3) через элемент «или», будут зажигать свою гирлянду под действием сигнала любого из мультивибраторов.

Рис. 124. Скелетная схема (1) и диаграмма (2) работы переключателя гирлянд с «логикой».
Импульсы, отпирающие транзисторное реле (ТР5) через элемент «и», будут включать гирлянду лишь при появлении импульсов одновременно от двух мультивибраторов. Каждый из логических элементов можно снабдить еще и элементом «нe», который будет включать соответствующее транзисторное реле (ТР4 и ТР6) тогда, когда основное реле (ТР3 и ТР5) будет выключаться. При желании можно усложнить схему и ввести в нее еще ряд логических элементов. Можно, например, ввести элемент «или» («или»2), который будет зажигать гирлянду (Л7) от двух источников редко появляющихся импульсов («и» и «не»2). На рис. 124 под блок-схемой переключателя приведен график появления импульсов в гирляндах лампочек. Изменяя длительность импульсов тактовых генераторов, можно получить самые причудливые мигания лампочек, лишенные, казалось бы, всякого порядка.
Мы не приводим детальную схему «логического» переключателя не только из-за ее громоздкости, но еще и потому, что ее легко составит каждый, кто разобрался в предыдущей схеме. Во всяком случае, основные элементы будущей схемы — мультивибраторы и транзисторные реле — нам уже известны.
Логические элементы тоже построить нетрудно. Подав два сигнала на общий резистор и подобрав его величину так, чтобы под действием любого из этих сигналов на резисторе появлялось необходимое для мощного транзистора отпирающее напряжение, мы получим элемент «или». Уменьшив сопротивление резистора примерно вдвое и уменьшив тем самым отпирающее напряжение, можно добиться, чтобы оно достигало нужной величины лишь при совместном действии сигналов. Таким образом, мы получим элемент «и». Наконец, снимая отпирающее напряжение для транзисторного реле не с эмиттера, а с коллектора предыдущего каскада, можно получить элемент «не»: предварительно запертый постоянным напряжением мощный транзистор будет отпираться лишь тогда, когда прекратится ток в этом предварительном каскаде и на его коллекторе резко возрастет «минус».
Обе схемы «умных» переключателей хотя и не очень сложны, однако же и не очень просты. Во всяком случае, их налаживание требует понимания принципов работы транзистора, суммирования и вычитания напряжений и токов в сложных цепях, взаимного влияния элементов, входящих в единую электрическую цепь, и т. д. и т. п. Для тех, кто захочет начать с более простого переключателя, на рис. 113 приводится схема, которая не «рассуждает» и не «считает», а просто переключает две группы лампочек. В этой схеме мощные транзисторы (Т3Т4), способные переключать гирлянды лампочек, работают непосредственно от мультивибратора (Т1Т2). Собрав два таких мультивибратора с разными периодами импульсов, можно получить довольно эффектную систему переключения и от нее уже постепенно (например, добавляя триггеры или логические элементы) двигаться к более сложному, более «умному» переключателю.

Рис. 113. Схема электрическая принципиальная переключателя елочной гирлянды.
Данные трансформатора и самих гирлянд такие же, как для переключателя по схеме рис. 123.
Во всех схемах, о которых шла речь в этом разделе, транзисторы работают в ключевом режиме — они либо полностью заперты, либо полностью открыты. Транзистор в таком режиме действительно напоминает ключ (выключатель), замыкающий либо размыкающий электрическую цепь. Транзистор-ключ — один из самых популярных элементов электронной автоматики.
То, что было рассказано о применении транзисторов в автоматике, можно рассматривать лишь как приглашение заняться этой интересной областью. Каждый, кто захочет принять такое приглашение, сможет двинуться дальше под парусами богатой любительской литературы по электронной автоматике. Мы же на этом закончим знакомство с транзисторными ключевыми схемами и тем самым вообще закончим свое путешествие, считая, что первый шаг в транзисторную электронику сделан.
Что же можно сказать в конце нашего долгого пути?
Оглядываясь назад, можно отметить, что путь этот прошел по многим интересным территориям. Мы увидели немало конкретных практических транзисторных схем и, что особенно важно, познакомились с некоторыми общими принципами построения схем, с важными для транзисторной техники физическими процессами, с главными законами электрических цепей.
В то же время нужно честно признать, что многие важные и интересные проблемы нам так и не удалось внимательно рассмотреть. Всем известно, что «нельзя объять необъятное», но, оказывается, и «объятное» объять не так-то просто.
Хорошо было бы, например, подробней остановиться на том, что такое генератор тока и что такое генератор напряжения (см. стр. 222). Первое из этих условных названий относится к электрической цепи, в которой сопротивление нагрузка Rн значительно меньше, чем внутреннее сопротивление генератора Rг. Второе название относится к цепи, где, наоборот, Rн>>Rг.