Шаг за шагом. Транзисторы - Страница 70
Представьте себе, что у нас есть не один, а два работающих в классе Б одинаковых усилителя: один воспроизводит положительные полупериоды сигнала, другой — отрицательные. Теперь представьте себе, что оба усилителя работают на общую нагрузку. В этом случае мы получим в нагрузке нормальный переменный ток, получим неискаженный сигнал, как бы сшитый из двух половинок (рис. 107).

Рис. 107. Двухтактный каскад — это, по сути дела; два однотактных каскада, работающих на общую нагрузку.
Правда, для получения неискаженного сигнала из двух искаженных нам пришлось создать сравнительно сложную схему сшивания половинок (такая схема называется двухтактной), схему, по сути дела состоящую из двух самостоятельных усилительных каскадов. Однако, как это уже не раз бывало, наш проигрыш (в данном случае усложнение усилителя) приносит значительно больший выигрыш.
Общая мощность, которую развивает двухтактный усилитель, больше, чем мощность, которую дали бы в отдельности обе его половины. А «стоимость» одного ватта выходного сигнала оказывается значительно меньше, чем в однотактном усилителе. В идеальном случае (ключевой режим) один ватт выходного сигнала можно получить за такой же ватт потребляемой мощности, то есть в идеальном случае к. п. д. двухтактного усилителя может достигать 100 процентов.
Реальный к. п. д., конечно, меньше: практически он составляет 60–70 %. Но ведь в однотактном усилителе, работающем в классе А, мы получали к. п. д., равный 50 %, тоже только в идеальном случае. А реально однотактный усилитель позволяет получить к. п. д. не более 30–40 %. И поэтому в двухтактном усилителе каждый ватт выходной мощности обходится нам в два-три раза «дешевле», чем в однотактном.
Для переносной транзисторной аппаратуры повышение к. п. д. имеет особо важное значение. Чем выше к. п. д., тем меньше расход энергии коллекторной батареи при одной и той же выходной мощности. А это, в свою очередь, означает, что чем выше к. п. д., тем реже нужно будет менять эту батарею или тем меньше может быть батарея при неизменном сроке службы. Вот почему в миниатюрной транзисторной аппаратуре, в частности в миниатюрных приемниках, где, казалось бы, нужно экономить вес и место, применяют двухтактные усилители, включая для этого в схему целый ряд лишних деталей.
Практическая схема двухтактного усилителя встречалась нам в одном из приемников (рис. 45). Здесь двухтактный выходной каскад работает на общую нагрузку — громкоговоритель Гр1. Он включен через выходной трансформатор, имеющий отвод от средней точки. Благодаря этому каждое плечо двухтактного каскада как бы работает на свою половину выходного трансформатора и через нее наводит свою половинку тока (здесь полезно вспомнить хорошо известное вам примечание на стр. 26) во вторичной обмотке, то есть в цепи громкоговорителя.
С нижней части делителя R11R12 на базы обоих выходных транзисторов Т4 и Т5 подается очень небольшое смещение. Таким образом эти транзисторы почти заперты и потребляют в «режиме молчания» очень небольшой ток покоя. Это значит, что усилитель работает в классе АБ, Можно было бы повысить экономичность усилителя, переведя его в класс Б. Для этого нужно убрать смещение и запереть триоды, чтобы их отпирало лишь управляющее напряжение. Однако при работе в классе Б появляются некоторые трудно устранимые искажения (из-за загиба входной характеристики), и этот класс в усилителях НЧ используется реже. Класс С в этих усилителях вообще не используется из-за появления неустранимых искажений.
Управляющее напряжение на выходные транзисторы подается с так называемого фазоинверсного каскада, выполненного на транзисторе Т3 по трансформаторной схеме. Есть и другие схемы фазоинверторов, но все они выполняют одну и ту же задачу — создают два противофазных напряжения, которые необходимо подать на базы транзисторов двухтактной схемы.
Если на эти транзисторы подать одно и то же напряжение, то они будут работать не через такт, а синхронно, и поэтому оба будут усиливать только положительные или, наоборот, только отрицательные полупериоды сигнала. Чтобы транзисторы двухтактного каскада работали поочередно, нужно подавать на их базы противофазные напряжения. Тогда если во время одного полупериода отпирающий «минус» будет на базе Т4, а на базе Т5 будет запирающий «плюс», то во время следующего полупериода картина изменится и на базе Т5 будет «минус», а на базе Т4 «плюс». Таким образом, два противофазных напряжения будут поочередно отпирать транзисторы двухтактного каскада.
В фазоинверторе с трансформатором два управляющих напряжения получаются благодаря разделению вторичной обмотки на две равные части. А противофазными эти напряжения становятся потому, что заземлена средняя точка вторичной обмотки. Когда на верхнем (по схеме) ее конце появляется «плюс» относительно средней точки, на нижнем конце относительно этой точки оказывается «минус». А поскольку напряжение переменное, то «плюс» и «минус» все время меняются местами (рис. 108).

Рис. 108. Фазоинвертор создает два переменных напряжения, сдвинутых по фазе на 180°.
Трансформаторный фазоинвертор прост и надежен, его практически не нужно налаживать. Двухтактный усилитель для транзисторного приемника или небольшой радиолы можно собрать не только по схеме рис. 45, но и по одной из схем усилителя НЧ промышленного приемника. Например, по схеме приемников «Альпинист», «Нева-2», «Спидола» и др.
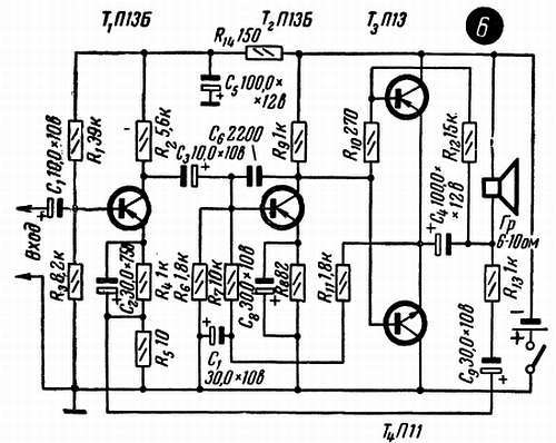
Желание избавиться от трансформаторов привело к созданию нескольких более сложных схем двухтактных усилителей. Одна из них приведена на рис. 104—6.

рис. 104—6
Как видите, на этой схеме нет ни выходного трансформатора, с помощью которого осуществляется «сшивание» двух половинок сигнала, ни трансформатора фазоинвертора (его часто называют согласующим трансформатором), с помощью которого на двухтактный каскад подаются два противофазных управляющих напряжения.
Как же решаются эти задачи в безтрансформаторном усилителе? В данном случае они решаются благодаря применению транзисторов с разной структурой — транзисторов типа n-р-n и р-n-р. Транзисторы n-р-n в сравнении с транзисторами р-n-р, если можно так сказать, делают все наоборот (рис. 104—6, 109).

Рис. 109. Если в двухтактном каскаде работают транзисторы с разной структурой (проводимостью), то можно обойтись и без фазоинвертора.
В частности, на коллектор им нужно подавать не «минус», а «плюс». Отпирает эти транзисторы уже не отрицательное, а положительное напряжение. Это значит, что на таких разных транзисторах можно собрать двухтактный выходной каскад без всякого фазоинвертора и подавать на их базы одно и то же управляющее напряжение, один и тот же сигнал. Отрицательный полупериод этого напряжения будет отпирать транзистор р-n-р (Т3), а положительный полупериод будет отпирать транзистор n-р-n (Т4), и таким образом транзисторы будут работать поочередно.
В коллекторной цепи транзисторов с разной структурой токи тоже, движутся в разных направлениях. И благодаря этому один из транзисторов создает положительную «половинку» выходного сигнала, а второй транзистор — отрицательную.