Шаг за шагом. Транзисторы - Страница 67
Второй каскад — триодный детектор — собран на транзисторе со структурой n-р-n по схеме с общим эмиттером. Эмиттер, как и должно быть у транзистора n-р-n, соединен непосредственно с «минусом» батареи, а сигнал на базу Т2 подается прямо с коллекторной нагрузки предыдущего каскада, с катушки L2. На этой катушке практически нет постоянного напряжения (рис. 38), во всяком случае оно не превышает нескольких милливольт. Поэтому можно считать, что на базе Т2 нет смещения и эмиттерный переход этого транзистора хорошо справляется с обязанностями детектора.
Нагрузкой служит входная цепь Т3 — эмиттерный переход третьего транзистора включен в коллекторную цепь Т2 так же, как обычно включается резистор нагрузки Rн. Таким образом усиленный сигнал из коллекторной цепи второго каскада попадает непосредственно во входную цепь третьего каскада, а смещение на базу Т3 подается через «резистор» — коллекторную цепь транзистора Т2. Все это очень похоже на непосредственную связь двух триодов в предыдущей схеме.
Но только там для того, чтобы создать непосредственную связь, мы вынуждены были включать первый транзистор «пары» по схеме ОК. Здесь благодаря применению триодов с разным типом проводимости непосредственная связь получается при схеме ОЭ, которая, как известно, дает большее усиление (рис. 74).
Магнитная антенна приемника выполняется так же, как в предыдущих случаях. Катушка L2 намотана на кольце из феррита Ф-1000; внешний диаметр кольца 8 мм, обмотка содержит 100 витков провода ПЭЛШО 0,1. Налаживание приемника сводится к подбору резистора R1, сопротивление которого может быть в пределах 20–80 ком.
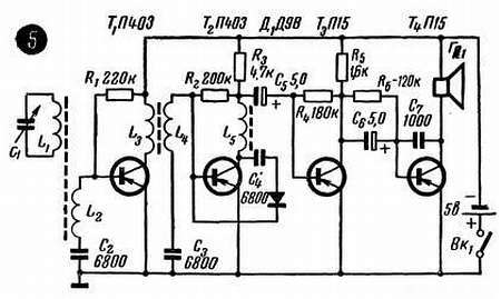
Следующие четыре приемника находятся на более высокой ступени: они позволяют без внешней антенны получить громкоговорящий прием сравнительно большого числа станций (рис. 97 — 5, 6, 7; рис. 45). Первый из них (97—5) — давний любительский приемник, собранный по схеме 2—V—3.

рис. 97—5
Вы, конечно, удивлены — на схеме видно всего четыре транзистора. Как же на них может работать пять усилительных каскадов — два высокочастотных и три низкочастотных? А дело в том, что один из транзисторов работает в так называемой рефлексной схеме — он одновременно усиливает и высокую, и низкую частоту.
Сама возможность двукратного использования транзистора не должна вызывать никаких сомнений. Сначала транзистор усиливает высокочастотный сигнал, затем этот сигнал детектируется, и его низкочастотная составляющая вновь усиливается тем же транзистором (рис. 102).

Рис. 101. В многокаскадный усилитель довольно просто включаются транзисторы разной структуры (разной проводимости).

Рис. 102. Рефлексный каскад сначала усиливает высокочастотный сигнал, а затем низкочастотный сигнал.
Основная трудность состоит в том, чтобы разделить высокочастотные и низкочастотные токи во входной и выходной цепи. Это можно сделать с помощью простейших фильтров, например, с помощью конденсатора С'ф, который замыкает высокочастотный сигнал сразу же после того, как он отработал на высокочастотной нагрузке — катушке, включенной в коллекторную цепь. Для низкочастотного коллекторного тока этих элементов — конденсатора С'ф и катушки — практически не существует, так как емкость С'ф слишком мала, чтобы замкнуть низкую частоту на «землю», а индуктивность катушки слишком мала, чтобы низкочастотный ток создал на ней ощутимое напряжение. Аналогично катушка связи с магнитной антенной, включенная в цепь базы, безболезненно пропускает на вход транзистора низкочастотную составляющую, поступающую с детектора. А конденсатор С''ф замыкает на «землю» только высокочастотный сигнал.
В практической схеме приемника рефлексным является второй каскад (рис. 97—5). С его высокочастотной нагрузки — с катушки L5 —сигнал подается на детектор и прямо с него обратно в цепь базы того же транзистора. Высокочастотные составляющие продетектированного сигнала даже не удаляются из детекторной цепи, и поэтому в этом рефлексном каскаде ко всему еще возможна некоторая обратная связь по высокой частоте. Низкочастотной нагрузкой каскада служит резистор R3.
Два последующих каскада усилителя НЧ выполнены по уже, по-видимому, привычной схеме (рис. 82). Отличительная особенность — подача смещения на базу транзистора Т4 прямо с коллектора транзистора Т3. Благодаря этому осуществляется некоторая термостабилизация (подробнее о ней будет рассказано дальше) обоих каскадов: если при нагревании меняется режим транзистора Т3, то в нужную сторону сдвигается смещение двух последних транзисторов.
Высокочастотные катушки L3, L4, L5 намотаны на восьмимиллиметровых кольцах из феррита НЦ-2000, причем первые две катушки, естественно, намотаны на общем кольце. Катушка L3 содержит 90 витков, L4 — 10 витков и L5 — 200 витков провода ПЭЛШО 0,12.
Схема приемника приведена нами в том виде, в каком она была опубликована в литературе десять лет назад, и при этом в ней сохранены даже не очень «красивые» схемные решения. Так, например, по-видимому, следовало бы разделить высокочастотные токи во входной цепи транзистора рефлексного каскада и устранить таким образом случайную обратную связь. Необходимо было изменить схему детектора, так как в приведенной схеме нет «законного» пути для постоянной составляющей продетектированного сигнала. Возможный вариант схемы детектора (рис. 97—5') следует дополнить конденсатором на 2–3 тыс. пф, включив его параллельно цепочке R'R".

рис. 97—5'
Следующий приемник (рис. 97—8), собранный по схеме 2—V—2, тоже не молод, но он уже весьма близок к современным любительским приемникам.

рис. 97—8
Из схемы по возможности исключены и те элементы, которые трудно изготовить, и те, которые затрудняют налаживание приемника. Все четыре усилительных каскада похожи друг на друга как две капли воды — везде (кроме, конечно, последнего каскада) нагрузкой служит резистор, везде смещение на базу подается от коллекторной батареи через резистор Rб (рис. 75). Разница в элементах высокочастотных и низкочастотных каскадов лишь в емкости переходных (разделительных) конденсаторов. Детектор выполнен по очень удобной схеме с удвоением напряжения, которую, кстати, стоило бы ввести в предыдущую схему. Приемник очень прост, легко налаживается и неплохо работает.
Единственный его недостаток — отсутствие термостабилизации.
Этот недостаток устранен в следующей схеме (рис. 97—9), которую, по-видимому, нет смысла подробно разбирать — все элементы нам уже знакомы.
