Шаг за шагом. От детекторного приемника до супергетеродина - Страница 75
Довольно близко к электронной автоматике примыкает телемеханика — управление на расстоянии. Постройка управляемых по радио действующих моделей кораблей, автомобилей и самолетов — это увлекательнейшее занятие, первый шаг к телеуправлению ракет, спутников и космических кораблей.
После того как радиолюбителями было открыто дальнее распространение коротких радиоволн, этот диапазон стал самым населенным. Здесь работают многие тысячи радиостанций, установленных на кораблях и в самолетах, искусственных спутниках и дрейфующих полярных станциях, в тракторных бригадах и геологических экспедициях. Но, несмотря на страшную «тесноту» на КВ диапазоне, шесть его участков: 10, 14, 20, 40, 80 и 160 м — навсегда закреплены за радиолюбителями как знак благодарности за их замечательное открытие.
Радиолюбители-коротковолновики сами строят небольшие радиостанции — приемники и передатчики — и с их помощью поддерживают связь друг с другом, проводят различные соревнования.
В последние годы наряду с короткими волнами радиолюбители все активнее начинают работать на УКВ. В этом диапазоне также имеется несколько любительских участков, на которых работает большое число радиостанций, в том числе и несколько сот школьных. На некоторых участках УКВ диапазона, так же как и на КВ, можно устанавливать дальние связи. На УКВ диапазоне проводятся такие интересные радиолюбительские соревнования, как «Полевой день» и «Охота на «лис». Участие в этих соревнованиях, также как и работа на КВ и УКВ радиостанциях, — это один из увлекательнейших видов спорта. Здесь радиолюбителям, как и в легкой атлетике или футболе, присваивают спортивные разряды и звания мастеров спорта.
Мы упомянули лишь об основных направлениях, в которых работает великая армия радиолюбителей. Но даже из этого короткого рассказа видно, что вы начали шагать по большому и интересному пути в радиоэлектронику, в одну из самых увлекательных и в то же время самых важных областей науки и техники.

Характеристики электронных ламп (справочные листы 184-219)












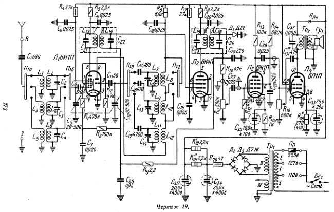
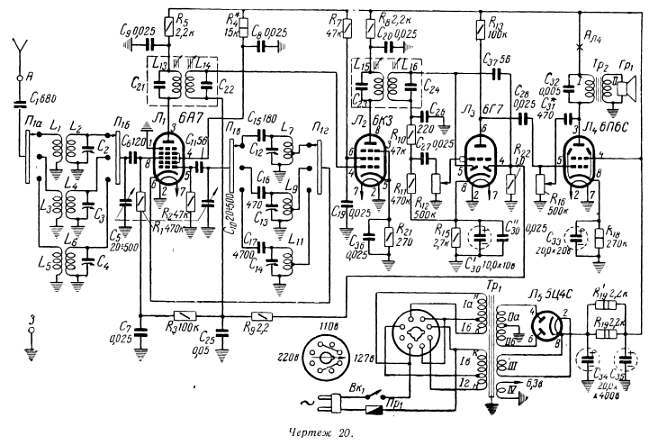
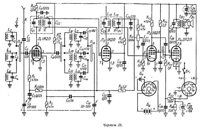
Чертежи (схемы и узлы радиоприемника)


















* * *
