Самоучитель по радиоэлектронике - Страница 7
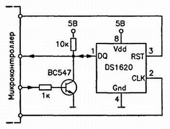
Широко распространенная микросхема типа DS1620 принадлежит к новому поколению специализированных схем, выполняющих широкий диапазон функций. Она размещена в простом корпусе DIP8. Однако для работы с микросхемой требуется микроконтроллер. На базе DS1620 можно создать термостат с двумя заданными порогами регулировки температуры (верхним и нижним). Микросхема может работать в режиме термометра в интервале температур от-55 до +125 °C. Результат измерения представляется в виде девятибитного сигнала с точностью 0,5 °C.
Для управления ИС микроконтроллером требуется три линии. Одна из них должна быть двунаправленной. Последнее требование выполняется редко. Чтобы его обойти, можно использовать простой каскад на транзисторе, включенном по схеме с общим эмиттером (рис. 1.19).

Рис. 1.19. Датчик температуры на микросхеме
Это позволяет заменить одну двунаправленную линию двумя обычными линиями, соединенными с входом и выходом каскада. Следует напомнить, что такая схема инвертирует сигналы, поступающие от микроконтроллера. Поэтому необходимо либо добавить инвертор, либо соответствующим образом изменить программу. Достаточно простой вариант программы обычно приводится в технической документации, которую рекомендуется приобрести вместе с микросхемой.
1.6. Механические и другие компоненты
1.6.1. Предохранитель
К выбору предохранителя следует отнестись со всей серьезностью, особенно если он находится в цепи питания, соединенной с сетью. Когда первые испытания схемы проведены, необходимо определить ток, потребляемый устройством, и умножить его на коэффициент, который в значительной степени определяется типом используемого трансформатора.
При выборе значения коэффициента следует помнить, что всплеск тока при включении может в 10 раз превышать ток, потребляемый в стационарном рабочем режиме. Сказанное относится к трансформаторам, имеющим значительную мощность. Если нет уверенности, стоит пожертвовать несколькими предохранителями и провести серию экспериментов по включению устройства, постепенно понижая номинальное значение тока предохранителя до выхода его из строя.
Для защиты низковольтных цепей (например, питающих реле) можно обратиться к предохранителям автомобильного типа, небольшим, недорогим и несложным в монтаже. Подобный предохранитель нетрудно смонтировать на основание в виде вилочной части стандартного двухконтактного разъема, розеточную часть которого можно припаять непосредственно к печатной плате.
1.6.2. Герконовое реле
Малогабаритные герконовые реле содержат герметизированные магнитоуправляемые контакты. Переключение инициируется магнитным полем, которое возникает при подаче питания на катушку реле. Чувствительность геркона к магнитному полю довольно высока, поэтому любой намагниченный элемент, расположенный вблизи реле, может нарушить его работу. Возможной причиной сбоя может стать, например, громкоговоритель, содержащий сильный магнит. При этом иногда возникает непростая для анализа ситуация: сбой проявляется только тогда, когда устройство находится на своем рабочем месте.
1.6.3. Реле с самоблокировкой
В электротехнике широко используется реле с самоблокировкой, у которого питание обмотки осуществляется через одну из пар контактов. Такая схема имеет ряд достоинств по сравнению со схемами, содержащими только выключатели. В частности, она позволяет избежать ситуации, когда нагрузка, отключившаяся из-за снятия напряжения питания, неожиданно включается снова при возобновлении питания. Используя реле, имеется возможность выполнять включение и выключение с помощью двух независимых кнопок. Для этого требуется реле, имеющее по крайней мере два нормально разомкнутых контакта.
На схемах, приведенных на рис. 1.20а, б, показаны два упомянутых варианта применения реле с самоблокировкой. Кроме этого, представлена схема включения индикатора отсутствия напряжения сети (рис. 1.20в).

Рис. 1.20. Варианты включения реле с самоблокировкой
Индикаторный светодиод подключен к батарейке или аккумулятору через нормально замкнутый контакт реле, катушка которого питается сетевым напряжением 220 В. Нажатие на кнопку (она должна быть рассчитана на напряжение сети) вызывает срабатывание реле, которое остается включенным после отпускания кнопки благодаря наличию параллельного ей замкнутого контакта. Одновременно разрывается цепь питания светодиода. Если напряжение сети отключается, реле возвращается в исходное состояние и светодиод зажигается. Когда напряжение сети восстанавливается, требуется повторное нажатие на кнопку, чтобы индикатор сбоя погас. При желании светодиод можно заменить зуммером.
1.6.4. Применение пьезоэлементов
В небольшом плоском пьезоэлементе возбуждаются механические колебания на звуковой частоте, равной частоте поданного на его контакты напряжения. Это позволяет использовать такой компонент в качестве зуммера. Наблюдается и обратный эффект: под воздействием механического напряжения на контактах пьезоэлемента возникает разность потенциалов, пропорциональная приложенной силе. При значительных усилиях пиковое значение разности потенциалов достигает десятков вольт. В таком режиме пьезоэлемент может использоваться в микрофонах.
Следует иметь в виду, что пьезоэлемент является высокоомным компонентом. Поэтому в большинстве случаев (если по цепи должен протекать хотя бы небольшой ток) параллельно ему необходимо подключить резистор с номиналом порядка 1 МОм.
1.6.5. Компоненты с поверхностным монтажом
Компоненты с поверхностным монтажом (КПМ) в основном применяются для серийного изготовления электронной аппаратуры. В литературе также встречается название «компоненты SMD», заимствованное из иностранных источников. Они обладают несомненными преимуществами: занимают сравнительно малую площадь, недороги (при массовом изготовлении), их можно быстрее смонтировать, поскольку не нужно сверлить печатные платы. Однако для любительских схем такие компоненты малопригодны. Для них сложно создать самодельную печатную плату, часто эти компоненты продаются только большими партиями. Кроме того, для их монтажа нужны специальные инструменты (паяльник, использующий горячий воздух).
Тем не менее бывают ситуации, когда КПМ могут понадобиться любителю. Во-первых, иногда их приходится применять из-за дефицита доступной поверхности платы (использование ИС в корпусах FLAT, LCC, PLCC, SO, FP, VSO). Во-вторых, такие компоненты нужны для замены неисправных элементов в существующей схеме. Для пайки КПМ можно использовать паяльник с очень тонким жалом, однако для этого требуется некоторая сноровка. Специальное жало можно изготовить, аккуратно поработав напильником и шкуркой. Срок службы такого инструмента ограничен, поэтому нагрев должен выполняться только на время пайки.
Одна из проблем использования КПМ связана с их маркировкой: надписи на миниатюрном корпусе обычно трудно прочесть. Кроме того, для КПМ и идентичных классических компонентов используются разные обозначения, что порождает значительные неудобства. Что касается логических микросхем, то здесь дело обстоит немного проще, поскольку основа обозначения остается постоянной. Например, стандартный компонент CD4001 переименован в 4001ВТ или Х4001. С диодами сложнее, поскольку, например, классический компонент 1N4148 получает маркировку BAS16 и т. д.
При отсутствии документации или справочной литературы от применения КПМ лучше отказаться. Тем более что обозначения аналогичных компонентов от разных производителей могут не совпадать. Расположение выводов приборов также может оказаться нестандартным.