Самоучитель по радиоэлектронике - Страница 6
1.4.10. Применение оптопар
Оптопары обеспечивают полную электрическую изоляцию между частями схемы, получающими питание от разных источников. Как и транзисторы, они применяются в устройствах коммутации (в частности, при передаче данных с использованием оптоэлектронных систем) или в аналоговых схемах (например, в стабилизаторах~напряжения).
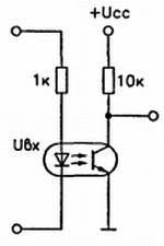
Отличительной особенностью оптопар является значительный разброд параметров от одного экземпляра к другому. Для проверки их характеристик достаточно построить небольшую схему, показанную на рис. 1.15.

Рис. 1.15. Схема включения оптопары
Уровень входного напряжения, нужного для переключения выходного транзистора в режим насыщения (низкоомное состояние), может изменяться на несколько вольт для разных экземпляров прибора одного типа. В цифровой электронике этот разброс не играет существенной роли при правильном выборе входного напряжения Uвх и сопротивления в цепи светодиода (чтобы переключение на выходе осуществлялось одинаково для всех приборов). В аналоговых схемах дело обстоит иначе, поэтому для обеспечения надежной работы необходимо предусмотреть ручную регулировку входного напряжения Uвх в достаточно широких пределах.
Наиболее распространенные оптопары имеют корпус DIP6. Два вывода относятся к светодиоду, а три — к транзистору, один вывод не задействован. Имеющийся вывод базы транзистора используется очень редко. Если этот вывод остается свободным, он, подобно антенне, может принимать сигналы различного рода помех, возникающие, например, в импульсных источниках питания. Не всегда легко определить, с какой точкой схемы допустимо соединить этот вывод, не нарушив работу транзистора. В этом" случае необходимо провести несколько тестов, не забывая о том, что неправильное подключение может иметь неприятные последствия для каскада, соединенного с выходом транзистора.
Проблемы такого рода не возникают при использовании более простой оптопары в корпусе DIP4, не имеющем вывода базы фототранзистора или включающем фотодиод. Следует иметь в виду, что для таких корпусов предусмотрены различные варианты расположения выводов. Некоторые типы оптопар исполняются в двух вариантах, единственное различие между которыми заключается в инверсном расположении выводов, соответствующих коллектору и эмиттеру фототранзистора.
1.4.11. Фотодиод ИК диапазона
В современных электронных схемах широко используются приборы, выполняющие функции генерации, детектирования или измерения излучения. Повышенное внимание в последние годы уделяется приборам ИК диапазона. Это связано с появлением и распространением устройств дистанционного управления, которыми оснащается практически вся аудио- и видеоаппаратура. Кодирование управляющих сигналов в таких устройствах постепенно стандартизируется, что расширяет область их применения.
Для детектирования сигналов ИК диапазона разработаны серийные модули, но радиолюбители могут без труда изготовить приемное" устройство самостоятельно. В качестве детектора излучения используется фотодиод ИК диапазона. Такой диод обладает чувствительностью и в видимой части спектра, поэтому искусственное освещение является для него источником помех. Для их подавления детектор должен быть защищен оптическим фильтром.
Как правило, корпус фотодиода обеспечивает широкую направленность приема излучения. С целью ослабления помех от посторонних оптических сигналов следует ограничить угол, в пределах которого излучение может попадать на прибор.
1.5. Датчики
1.5.1. Датчик освещенности
Классические полупроводниковые датчики освещенности, например фотодиоды и фототранзисторы, представляют собой диоды и транзисторы, у которых одна сторона корпуса пропускает. свет. Чтобы в этом убедиться, попробуйте аккуратно спилить верхнюю часть металлического корпуса транзистора. Затем подключите к нему напряжение, не присоединяя базу, и вы сможете констатировать, что протекающий по цепи коллектор-эмиттер ток реагирует на источник света, направленный на прибор (рис. 1.16). Аналогичный эксперимент можно провести и с диодом.

Рис. 1.16. Датчик освещенности
1.5.2. Датчик уровня жидкости
Для определения уровня жидкости часто используются свойства проводимости этой жидкости. Во избежание появления коррозии измерение ограничивают во времени, включая схему только на промежуток считывания или используя импульсный сигнал. Собственно датчик уровня может иметь металлические контактные пластины различной формы, закрепленные на стенке сосуда или просто погружаемые в жидкость. Базовая точка измерений всегда должна находиться на дне сосуда в постоянном контакте с жидкостью независимо от ее уровня. Датчик в виде отрезка многожильного ленточного кабеля, провода которого обрезаны до различной длины, а затем оголены и облужены, представляет собой оригинальное и не лишенное изящества решение (рис. 1.17).

Рис. 1.17. Датчик уровня жидкости
Электрическое подключение к схеме существенно упрощается за счет применения одного из многочисленных соединительных элементов, разработанных для кабелей такого типа. Одна жила ленточного кабеля (самая длинная) резервируется для фиксации базового уровня и при необходимости снабжается кабельным наконечником: Для механической сборки датчика можно применять специальные хомутики или отрезки клейкой ленты. По мере увеличения уровня жидкости все большее количество проводов датчика соединяется с заземленной базовой точкой через сопротивление жидкости, что легко зафиксировать по изменению потенциалов на выходах.
Следует учитывать, что жидкость (в частности, вода) может иметь высокое удельное сопротивление, поэтому иногда приходится обрабатывать выходные сигналы с помощью операционных усилителей.
1.5.3. Датчик температуры из транзистора
При измерении температуры высокая точность обычно не требуется, особенно когда речь идет только о фиксации превышения заданного порогового значения. Это относится, в частности, к схемам термической защиты, которыми оснащены устройства определенного класса. Долгое время в таких схемах использовались электромеханические датчики температуры, однако в настоящее время разработчики все чаще применяют электронные компоненты, необязательно специализированные. Измерить температуру можно и с помощью обычного транзистора, как это сделано в схеме на рис. 1.18.

Рис. 1.18. Измеритель температуры на транзисторном датчике
Собственно датчиком служит переход база-эмиттер первого транзистора, так как при нагревании напряжение на переходе существенно изменяется. Два других транзистора нужны для усиления снимаемого с датчика напряжения и для его преобразования в логический сигнал, который переключается при достижении заданной температуры (обычно 80-100 °C). В данном устройстве необходимо обеспечить хороший тепловой контакт между датчиком и радиатором, как и в случае монтажа охлаждаемых компонентов. Однако на этом контакте должно соблюдаться условие полной электрической изоляции во избежание сбоев логического сигнала.
1.5.4. Датчик температуры на микросхеме