Самоучитель по радиоэлектронике - Страница 33
Исправность высокочастотных диодов можно проверить включением их в схему работающего простейшего детекторного радиоприемника, как показано на рис. 4.11. Нормальная работа радиоприемника говорит об исправности диода, а отсутствие приема — о пробое.

Рис. 4.11. Схема проверки исправности ВЧ диода
Для применения в цифровых устройствах лучше всего использовать специальные импульсные диоды, имеющие малую длительность переходных процессов включения и выключения.
4.4.6. Проверка диодных мостов
Диодный мост иногда нелегко протестировать из-за соединения с вторичной обмоткой трансформатора. В таком случае его необходимо предварительно демонтировать. При проверке диодных мостов надо присоединить один из измерительных щупов к отрицательному или положительному выходу моста и протестировать подключенные к этому выводу диоды.
Для проведения полной проверки необходимо выполнить восемь тестов (по два на каждый диод). При этом полезно иметь под рукой эквивалентную схему, которая отражает внутреннее строение диодного моста.
4.4.7. Проверка впаянных компонентов
Чтобы не отпаивать некоторые особенно чувствительные к нагреву компоненты с целью их тестирования можно рассечь дорожки металлизации на печатной плате, соединяющие этот компонент с другими. После этого, обеспечив электрическую изоляцию, можно провести тестирование таким же образом, как и при отпайке компонентов. Не рекомендуется рассекать одновременно несколько дорожек, а сразу после окончания проверки исходное соединение следует восстановить.
4.4.8. Проверка тиристоров
Простейший способ проверки тиристоров представлен на рис. 4.12. Сопротивление исправного тиристора составляет несколько мегаом, а пробитого — близко к нулю. Если анод исправного тиристора соединить на мгновение с управляющим электродом (УЭ), прибор покажет сопротивление короткого замыкания.

Рис. 4.12. Проверка тиристора с помощью мегомметра
4.4.9. Проверка транзисторов
Чтобы проверить исправность полупроводникового транзистора, не включенного в схему, на отсутствие коротких замыканий, необходимо измерить сопротивления между его электродами.
Поскольку транзистор состоит из двух переходов, причем каждый из них представляет собой полупроводниковый диод, проверить транзистор можно таким же образом, как и диод. Для этого омметр подключают поочередно к базе и эмиттеру, к базе и коллектору, к эмиттеру и коллектору, меняя полярность подключения. На рис. 4.13 показано, как измеряют прямое и обратное сопротивление каждого из переходов. У исправного транзистора прямые сопротивления переходов составляют 30–50 Ом, а обратные — 0,5–2 МОм. При значительных отклонениях от этих величин транзистор можно считать неисправным.
С транзистором p-n-р типа производят те же действия, но полярность напряжения должна быть обратной. Остается проверить переход коллектор-эмиттер, который не должен пропускать ток. При проверке ВЧ транзисторов напряжение батареи омметра не должно превышать 1,5 В. Следует также иметь в виду, что транзисторы Дарлингтона иногда имеют защитный диод, включенный между коллектором и эмиттером. Для более точной проверки необходимо использовать специальные приборы.

Рис. 4.13. Проверка транзистора с помощью омметра
Многие модели современных мультиметров имеют специальные гнезда для подключения транзисторов с целью проверки их исправности. Наличие такого прибора значительно упростит работу радиолюбителя и ускорит проверку. Для этого желательно измерить обратный ток коллектора, обратный ток эмиттера и ориентировочное значение коэффициента усиления по току. Пригодность транзистора определяется сравнением полученных при измерении данных с данными, указанными в паспорте транзистора.
При измерениях параметров отдельного транзистора можно выявить обрывы электродов и замыкания в транзисторах, но это же можно сделать и при измерениях в схемах с транзисторами. При этом нужно иметь в виду, что применяемый измерительный прибор должен обладать достаточно большим внутренним сопротивлением. При проведении электрических измерений можно сделать следующие выводы:
• при обрыве цепи базы напряжения базы и эмиттера отсутствуют, напряжение коллектора повышено;
• при обрыве цепи эмиттера напряжение коллектора повышено, напряжение базы почти нормальное, напряжение на эмиттере приблизительно равно напряжению базы;
• при обрыве цепи коллектора напряжения на всех электродах транзистора уменьшаются;
• при обрыве базы внутри транзистора напряжение базы близко к нормальному, напряжение эмиттера уменьшается, а напряжение коллектора повышается;
• при замыкании эмиттера и коллектора внутри транзистора напряжение базы изменяется незначительно, напряжение эмиттера возрастает, напряжение коллектора падает.
4.4.10. Проверка транзисторов без выпаивания
При ремонте бытовой радиоаппаратуры часто возникает необходимость проверить исправность полупроводниковых транзисторов без выпаивания из схемы. Один из способов проверки — измерение омметром сопротивления между выводами эмиттера и коллектора при соединении базы с коллектором (рис. 4.14а) и соединении базы с эмиттером (рис. 4.14б). При этом источник коллекторного питания отключают от схемы. Если транзистор исправен, в первом случае омметр покажет малое сопротивление, во втором — порядка нескольких десятков или сотен килоом.

Рис. 4.14. Схема проверки исправности транзистора
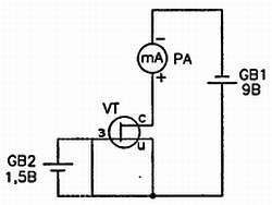
4.4.11. Проверка полевых транзисторов
Из многочисленных параметров полевых транзисторов практическое значение имеют только два: IС НАЧ — ток стока при нулевом напряжении на затворе и S — крутизна характеристики. Эти параметры можно измерить, используя простую схему, изображенную на рис. 4.15. Для этого потребуется миллиамперметр РА, например из состава мультиметра, батарея GB1 напряжением 9 В («Крона» или составленная из двух батарей 3336Л) и элемент GB2 напряжением 1,5 В (например, элемент АА).

Рис. 4.15. Проверка полевого транзистора
Сначала вывод затвора соединяют проволочной перемычкой с выводом истока. При этом миллиамперметр зафиксирует первый параметр транзистора — ток стока IС НАЧ. Записывают его значение. Затем снимают перемычку и подключают вместо нее элемент GB2. Миллиамперметр покажет меньший ток в стоковой цепи. Если теперь разность двух показаний миллиамперметра разделить на напряжение элемента, полученный результат будет соответствовать численному значению параметра S проверяемого полевого транзистора.
При измерении параметров полевого транзистора с р-n переходом и каналом пятила полярность включения миллиамперметра РА, батареи GB1 и элемента GB2 должна быть обратной.
4.4.12. Проверка элементов питания
Проверку гальванических батарей и сухих элементов осуществляют с помощью вольтметра при подключенной нагрузке (рис. 4.16). Нагрузкой может быть или лампа накаливания с соответствующим номинальным током, или резистор R, сопротивление которого рассчитывается по закону Ома (величина потребляемого тока берется порядка 100–200 мА). Для сухих элементов (1,5 В) напряжение, измеренное под нагрузкой, не должно быть меньше 1,36 В, а для гальванических батарей 4,5 В — от 3,8 до 4 В.