Самоучитель по радиоэлектронике - Страница 16
2.8.2. Диодные выпрямители
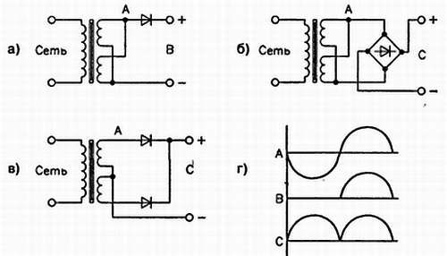
Чтобы создать источник постоянного напряжения питания, используют однополупериодное или двухполупериодное выпрямление. Типичные схемы выпрямителей приведены на рис. 2.41.
Первый вариант (с одиночным диодом, рис. 2.41а) применяется редко из-за низкого КПД и высоких пульсаций выходного напряжения. Наиболее популярен двухполупериодный мостовой выпрямитель, содержащий четыре диода (рис. 2.41б).
Многие трансформаторы имеют две вторичные обмотки, которые можно соединить последовательно, чтобы получить схему со средней точкой и двумя диодами (рис. 2.41в). Она выполняет ту же функцию, что и мостовой выпрямитель, но дешевле и занимает меньше места. На рис. 2.41 г показана форма сигналов в различных точках: до выпрямителя (А), на выходе однополупериодного (В) и двухполупериодного (С) выпрямителя.

Рис. 2.41. Схемы выпрямителей
2.8.3. Повышение выходного напряжения
Интегральные схемы стабилизаторов напряжения с фиксированным выходным напряжением в основном нужны для широко используемых значений. Для промежуточных величин приходится применять регулируемые стабилизаторы, которые не всегда найдешь в нужный момент. Однако можно изменить уровень на выходе стабилизатора постоянного напряжения. Для этого надо сместить потенциал опорного электрода (для корпусов ТО220 это положительный вывод, расположенный посередине), присоединив к нему один или нескольких диодов (рис. 2.42а). Добавление каждого диода увеличивает выходное напряжение приблизительно на 0,6 В.
Таким образом, микросхема 7812 в сочетании с тремя диодами обеспечит выходное напряжение 13,8 В, необходимое для зарядки свинцового аккумулятора на 12 В.
Того же эффекта можно добиться при подключении к опорному электроду делителя (соответствующая схема и формула, позволяющая расчитать выходное напряжение, показаны на рис. 2.42б). Регулировка коэффициента деления с использованием потенциометра дает возможность соответствующим образом изменять напряжение на выходе.

Рис. 2.42. Схема повышения выходного напряжения стабилизатора на диодах (а) и с использованием резистивного делителя (б)
2.8.4. Защитный диод
Хотя в стабилизаторе напряжения есть средства защиты от перегрузок в различных режимах (а также защита от перегрева), он может выйти из строя, если напряжение на выходе превысит напряжение на входе. Конденсатор большой емкости, включенный на выходе для сглаживания пульсаций напряжения, усиливает риск такой ситуации при малом потреблении выходного тока, особенно когда от входного напряжения стабилизатора питается другая часть схемы.
Аналогичный режим возникает, если стабилизатор используется для зарядки аккумуляторной батареи и в конце этого процесса происходит ее перезарядка. Конденсаторы, которые расположены после диодного моста, могут разрядиться прежде, чем это произойдет с конденсатором на выходе стабилизатора. В таком случае устройство может выйти из строя в течение десятых долей секунды. Поэтому на выходе всегда ставится конденсатор меньшей емкости, чем на входе. Для безопасной работы между входом и выходом можно поставить защитный диод, через который от выхода схемы будет отводиться избыточный ток (рис. 2.43).

Рис. 2.43. Защитный диод в схеме стабилизатора
2.8.5. Стабилизатор напряжения в качестве генератора тока
Простые схемы генератора тока приводились выше. Стабилизатор напряжения также может работать в режиме генератора тока. С этой целью предпочтительнее использовать регулируемую модель, например LM317, обладающую небольшим внутренним опорным напряжением высокой стабильности. В данном случае его величина составляет 1,2 В. Для задания тока достаточно включить последовательно с нагрузкой резистор (рис. 2.44). Следует иметь в виду, что в этом резисторе может выделяться значительная мощность. Генератор тока используется в самых разных областях, чаще всего он применяется для зарядки никель-кадмиевого аккумулятора.

Рис. 2.44. Генератор тока из стабилизатора напряжения
2.8.6. Повышенное входное напряжение
Сегодня редко можно увидеть источник питания малой или средней мощности, в котором не использовался бы один из широко представленных на рынке интегральных стабилизаторов. Диапазон их параметров очень велик: модели с положительным и отрицательным выходным напряжением, постоянным или регулируемым, в корпусах типа ТО220 или ТОЗ. Входное напряжение этих достаточно надежных компонентов не должно превышать предельного значения, составляющего, как правило, 40 В для стабилизаторов с выходным напряжением 24 В и 35 В — для других типов.
С учетом рассеиваемой мощности правильнее говорить о допустимой разности напряжений между выходом и входом.
Так, микросхема 7805, имеющая выходное напряжение 5 В и максимальный ток 1 А, при питании от входного напряжения 9 В рассеивает мощность, равную (9–5) х 1 = 4 (Вт). Стабилизатор с входным напряжением 24 В и током 250 мА при выходном напряжении 5 В должен рассеивать мощность, приблизительно равную 4,75 Вт. При этом необходимо позаботиться об охлаждении устройства.
Схема, данная на рис. 2.45, позволяет использовать для питания стабилизатора напряжение, превышающее допустимое максимальное значение за счет включения на входе дополнительного балластного резистора. При выборе типа резистора следует иметь в виду, что рассеиваемая им мощность также достигает значительной величины.

Рис. 2.45. Уменьшение входного напряжения
2.8.7. Бестрансформаторный источник питания
В некоторых случаях низкое потребление энергии современными компонентами позволяет осуществить питание устройств от сети без использования трансформатора. Понижать напряжение с помощью резистивного делителя в рассматриваемом случае нерационально, поскольку при этом неизбежно выделяется большое количество тепла. Гораздо лучше использовать схему, в которой основная часть сетевого напряжения будет приложена к конденсатору, который практически не потребляет активной мощности (рис. 2.46).

Рис. 2.46. Бестрансформаторный источник питания
Потребляемый от сети ток будет определяться емкостью конденсатора, точнее, его сопротивлением переменному току. Резисторы, подключенные параллельно конденсатору, обеспечивают его разряд после отключения устройства от сети.
На выводах стабилитрона формируется прямоугольное напряжение амплитудой 5,6 В. Диод и конденсатор служат для выпрямления и фильтрации этого напряжения. Максимальный ток, который можно получить на выходе такой схемы, составляет около 4 мА при емкости конденсатора 0,1 мкФ. Для увеличения тока используется параллельное включение нескольких конденсаторов (высокие номиналы встречаются редко, такие конденсаторы имеют большие размеры).
Остается добавить два важных замечания. Рабочее напряжение конденсаторов никогда не должно быть ниже 400 В (лучше брать компоненты с допустимым напряжением 630 В). Поскольку такая схема и все подключенные к ней элементы связаны с сетью 220 В, необходимо принять элементарные меры безопасности. В частности, не следует использовать металлический корпус или компоненты с выходящими наружу металлическими деталями (оси потенциометров и т. д.). Кроме того, при наладке нельзя прикасаться к включенной схеме.