Сам себе сантехник. Сантехнические дачные коммуникации - Страница 15
Подключать напрямую насос к контактам электромагнитных клапанов стиральной машины нельзя – «сгорит» электрика СМ из-за большого тока потребления насоса.
4.2.1. О деталях
На электрической схеме (рис. 4.5) показаны понижающий трансформатор Т1 с выходным переменным напряжением на вторичной обмотке 8-10 В, выпрямитель на диодах VD1-VD4. Оксидный конденсатор С1 (типа К50-29 или аналогичный) введен в схему для сглаживания пульсаций по питанию.
Слаботочное электромагнитное реле К1 применено автомобильное, типа 3747-06, рассчитанное на напряжение срабатывания 12 В. Однако можно применить и другое реле, например WJ118-1C, Omron G2R-112P-V, TRU-5VDC-SB-SL, TTI-TRD-9VDC-FB-CL, Relpol RM85-2011-35-1012, Pasi BV2091 SRUH-SH-112DM, FRS1 °C-03 или аналогичные. Важно, чтобы контакты реле обеспечивали безопасную коммутацию нагрузки с током не менее 3 А.
На электрической схеме также показан пьезоэлектрический капсюль со встроенным звуковым генератором (обозначен НА1), подключенный параллельно исполнительному реле светодиод HL1, включенный последовательно с ограничительным резистором R1. Эти элементы, соответственно, обеспечивают звуковую и световую индикацию включения насоса (и входных клапанов машины).
Если такая индикация (или ее часть) не нужна, соответствующие элементы попросту из схемы удаляют.
Звуковой капсюль НА1 может быть любым, рассчитанным на напряжение 9-15 В, например, FMQ2715D, FXP1205 (однотональное звучание), KPI4332-12 (прерывистое звучание), KPS4518 (двухтональная сирена) или аналогичный.
Выпрямитель, изображенный на схеме, может быть любым, лишь бы он обеспечивал выходной постоянный ток более 70 мА при постоянном выходном напряжении 12–15 В. Это может быть промышленный выпрямитель или блок питания, например, для радиоприемника или даже выжигательного аппарата. Адаптеры для сотовых телефонов здесь использовать бесполезно, так как выходной ток будет недостаточным для питания реле.
Вот таким простым способом можно автоматизировать работу практически любой стиральной машины-автома-та в деревне и жить, как в городе. И не надо искать мастера-установщика, который возьмет с вас деньги.
4.2.2. Кажущиеся минусы
Потребуется открыть верхнюю крышку стиральной машины и подключиться параллельно электромагнитным клапанам, установив электрический клеммник. Если стиральная машина на гарантии, вскрытием крышки вы можете ее лишиться. Тут уж каждый выбирает сам: или «помучиться», пока не кончится гарантия, или применять для этих целей уже старую стиральную машину, или действовать в соответствии с вышеприведенными рекомендациями и жить комфортно.
4.3. Дистанционное управление электронасосом (насосной станцией)
Дистанционное электронное управление исполнительными устройствами – перспективное направление в радиотехнике, и, кроме того, оно становится все более доступным.
Рассмотрим реальную практическую ситуацию, когда требуется автоматизировать подачу воды в дачный дом (баню, хлев и прочие строения приусадебного участка) с помощью дистанционного управления. Условия задачи, которая будет эффективно решена: дом находится на расстоянии 120–150 м от источника воды (деревенского колодца).
Включение и отключение погружного водяного насоса, установленного в колодце, осуществляется по радиоканалу.
В основе устройства – приобретенный в магазине стройтоваров (в Санкт-Петербурге) беспроводной радиозвонок с символической стоимостью 192 руб. Непосредственно замечу, что готовое устройство управления насосной станцией (без проводов) можно приобрести в Москве по цене более 3000 руб. Выводы делайте сами.
ДЛЯ СПРАВКИ
Насосная станция отличается от погружного насоса автоматическим контролем давления в водяном контуре, резервным накопительным баком и подачей воды в контур, когда это давление уменьшается (открывают кран в доме), а также – некоторые модели – и подогревом воды.
Беспроводной звонок промышленного изготовления может иметь различный внешний вид (рис. 4.6), но в его составе обязательными элементами являются передатчик и приемник радиосигнала.

Рис. 4.6. Внешний вид различных моделей беспроводных звонков
Как правило, такие беспроводные звонки (например, с указанием на корпусе фирмы-производителя Paget Trading Ltd) работают на частоте 433 МГц, что не привносит помех в радиоэфир из-за малой дальности действия передатчика (его ограниченной мощности).
Заявленная в паспортных данных дальность действия данного радиозвонка составляет 50 м, однако на практике и эти сведения не являются верными. Если заявленная производителем дальность, например, 80 м, ее реальная дистанция будет около 30.
Хотя с увеличением заявленной дальности радиозвонков пропорционально возрастает их розничная цена, например, беспроводной звонок с радиусом работы 100 м (в реалии 35 м) стоит уже более 1 100 руб.
По сути все равно, какой звонок усовершенствовать, развивая его дальность, поэтому рассмотрим самые «бюджетные» и простые варианты.
Первым делом после приобретения нужно вскрыть корпус радиопередатчика, потому что увеличивать дальность будем именно на нем.
Антенну приемника трогать не будем, поскольку на частоте радиосигнала 433 МГц увеличение ее длины не приводит к увеличению дистанции работы связки передатчик-приемник.
На рис. 4.7 представлены (две разные по внешнему виду модели, но одинаковые по схемотехнике) приемники радиосигналов со снятой крышкой.

Рис. 4.7. Приемники радиосигналов со снятой корпусной крышкой
Как видно из рис. 4.7, схема одна, а ее исполнение на печатной плате разное, в частности на рисунке слева представлен вариант, собранный из дискретных элементов, а на рис. справа – на элементах в SMD-корпусах для поверхностного монтажа.
На рис. 4.8 представлена электрическая схема приемника беспроводного звонка.

Рис. 4.8. Электрическая схема приемника радиозвонка
4.3.1. Принцип работы устройства
Описание принципа работы поможет тем читателям, кто захочет сделать из рекомендуемых готовых устройств – радиозвонков новое дистанционное управление своим водопроводным насосом на любимой даче.
Вывод 2 микросхемы с обозначением (на печатной плате) U1 имеет активный высокий уровень при поступлении радиосигнала с приемника (когда на нем нажата кнопка). Выводы 1 и 8 U1, наоборот, высокий уровень – в состоянии покоя, а низкий логический уровень – при поступлении сигнала управления.
Эти два сигнала можно использовать для управления устройствами нагрузки с помощью несложной приставки.
Для того чтобы дистанционное устройство включения насоса работало эффективно – при первом нажатии на кнопку передатчика подключало насос к сети 220 В, а при повторном нажатии – отключало его, потребуется собрать несложное устройство доработки и подключить его к готовой схеме (плате) приемника промышленного беспроводного звонка.
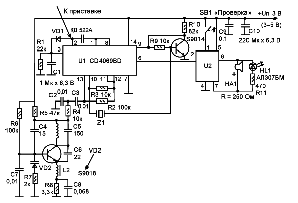
На рис. 4.9 представлена электрическая схема устройства согласования и доработки приемника беспроводного звонка с исполнительным узлом.
Параллельно лампе накаливания EL1 подключают погружной насос (на схеме не показан) с соответствующим армированным шлангом, тянущимся к дому от колодца.
Лампа EL1 является дополнительным световым индикатором работы насоса, благодаря ей можно дистанционно убедиться в том, что команда от передатчика получена, дистанционное устройство сработало и насос включился.