Растения - гениальные инженеры природы - Страница 13
Стебель травы и «сэндвич»
Крепление распорками, придание волнистой формы строительным материалам, применение свай и сооружение арматурных каркасов — все это методы строительства с использованием легких и облегченных конструкций.
Поскольку они имеют прямое отношение прежде всего к солидным по своим размерам объектам, будь то огромные здания, большие растения или какие-то крупные части растений, их присутствие всегда легко заметить. Однако аналогичные структуры известны и в растительном микромире.
Дитя XX века — конструкция типа «сэндвич», или просто «сэндвич». При этом я имею в виду не традиционный английский сэндвич, существующий не одно столетие, а многослойные элементы строительной конструкции, сочетающие в себе малый вес с высокой прочностью. Что это такое? Представим себе две тонкие и весьма прочные опорные плиты, между которыми находится толстый слой легкого, но восприимчивого к механическим нагрузкам конструкционного материала. В большинстве случаев в качестве последнего используют жесткие пенопласты или ячеистые плиты, которые, подобно содержимому английских сэндвичей, склеиваются, прессуются или свариваются с опорными панелями. Наряду с большой экономией исходных материалов и легкостью такие конструкции отличаются очень высокой прочностью.
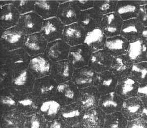
Технические «сэндвичи» нашли широкое применение лишь благодаря развитию таких современных производств, как, например, индустрия пластических масс, легких сплавов и т. д. Что касается природы, то «сэндвич» — основной принцип организации структур, наблюдаемых у травянистых растений. Рассмотрим поперечный срез стебля злака (фото 23). Пространство между внешней и внутренней стенками трубки стебля заполнено крупноячеистой очень легкой сотовой структурой. При столь незначительном весе конструкции вряд ли можно создать более прочный «сэндвич». Правильные шестиугольники наилучшим образом противостоят воздействию внешних сил. Это отлично «понимают» пчелы и сооружают свои соты с ячейками именно такой формы.

Фото 23. Микроскоп раскрывает тайну трубчатого стебля травы. Сотовый «сэндвич» — основная причина необычайной прочности стебля, толщина стенок которого всего лишь 0,6 миллиметра. (Здесь изображен поперечный срез соломины ячменя.)

Фото 24. В самолетостроении небольшой вес и высокая прочность достигаются тем же способом, какой использует стебель травы, то есть с помощью конструкции типа «сэндвич».
Тот же принцип «сэндвича» был применен в авиационной промышленности при создании исключительно прочных и легких металлических оболочек-стенок с совершенно ровной поверхностью (фото 24). Большая заслуга в деле изучения «технических» возможностей растений и животных и использования их для нахождения принципиально новых инженерных решений принадлежит авиаконструктору Генриху Хертелю. Результаты очень точных математических исследований полета колибри и передвижения в воде быстроплавающих рыб он перенес в сферу решения аналогичных проблем при конструировании, например, несущих винтов вертолета или движительных устройств корабля. Хертель не раз показал, в какие тупики может завести ту или иную отрасль промышленности, и, прежде всего, самолетостроение, применение лишь традиционных методов конструирования без внесения в них элементов развития.
Сверхпрочные тканые и нетканые материалы
Прочность конструкционных материалов, изготовляемых из пластических масс (маты, панели, пленки), можно повысить путем армирования их стекловолокном. Исследователи многих стран приложили немало усилий, чтобы определить, все ли виды стеклянных волокон и способы скрепления их между собой в нити и в ткани разного плетения одинаково хороши для эффективного армирования и нет ли здесь каких-либо существенных различий. Если различия существуют, то как создать идеальную волокнистую структуру? Результат ошеломляет: стеклянные волокна тем прочнее, чем они тоньше. Но это вовсе не значит, что более тонкое волокно труднее рвется, просто при уменьшении диаметра волокна вдвое прочность на разрыв уменьшается в гораздо меньшей пропорции. Чтобы повысить долговечность пластмасс, целесообразнее применять стеклоткани, в которых тонких стекловолокон содержится больше, чем толстых. Но это лишь одно чрезвычайно важное открытие. Другое не менее важное знание состоит в том, что наиболее благоприятное соотношение длины и толщины стеклянной нити составляет 200:1. Большая длина уже не будет способствовать дальнейшему повышению прочности изделия, к тому же возникают технологические трудности, связанные с необходимостью равномерно распределить волокна в массе пластика. Лабораторные исследования привели к созданию промышленных стеклопластиков различных типов. Таков итог эволюционной разработки идеи, выдвинутой в противоположность приемам жесткого конструирования (фото 25).

Фото 25. Армирование с помощью нетканого стекловолокна повышает прочность листовых и панельных изделий из синтетических смол.

Фото 26. Использование растениями волокнистых материалов обеспечивает высокую прочность клеточной оболочка (на снимке — структура клеточной стенки у Valonia ventricosa).
Как же решили растения в процессе эволюционного развития проблему создания прочной клеточной оболочки? Ответ не будет неожиданным: эволюция дала такой же результат, как и разработка идеи стеклопластика. Структура стенки растительной клетки практически не отличается от структуры синтетических материалов, армированных стекловолокном (фото 26). Для нас, людей, этот факт служит доказательством правильности наших научных изысканий.
В тех случаях, когда прочность, создаваемая путем использования короткого неориентированного стекловолокна, оказывается недостаточной, промышленность вместо стекломатов применяет тканые стекловолокнистые материалы (фото 27). Вполне оправдывает себя на практике стеклянная ткань с простым, крестовым переплетением нитей, например ткань саржевого плетения. Аналогичная картина наблюдается и в природе: структуру, похожую на крестовое плетение, имеют клеточные оболочки тех тканей, которые подвергаются значительным механическим нагрузкам (фото 28).

Фото 27. Там, где недостаточно запаса прочности, создаваемого армированием пластмасс нетканым стекловолокном с неупорядоченной структурой волокон, применяются тканые стекломатериалы разных видов плетения.

Фото 28. Аналогичные структуры можно найти и в растительном мире. Перед нами клеточная стенка у Alstonia spathulata.
Математика с точностью до одной тысячной процента
Золотое сечение
Растения — подлинные рационалисты. И именно это их свойство объясняет, почему представители разных семейств растений неизменно «применяют» одни и те же оказавшиеся наиболее удачными архитектурные принципы. Особенно широко распространен в мире растений принцип наиболее рационального использования пространства, в первую очередь при закладке тех органов растения, которые затем развиваются в огромном количестве. При этом безразлично, идет ли речь о листьях на стебле, о чешуйках на шишках хвойных деревьев, об изобилии цветков, а затем семян в крупных корзинках подсолнечника или о пучках колючек на бородавчатых выростах у кактусов. Все они в процессе своего развития размещаются в пространстве таким образом, чтобы занять в нем минимальный объем. Подобно тому, как умелые руки винодела создают в винном погребе строгий геометрические конструкции из укладываемых на хранение бутылок с вином, так и полностью сформировавшиеся органы растений располагаются по отношению друг к другу в строго определенном порядке.