Радиоэлектроника-с компьютером и паяльником - Страница 68
а, б — соответствие разводки выводов компонента модели таймера 555; в — развернутая виртуальная модель; г — осциллограммы колебаний; д — субблок e-HEART; е — горящее сердце
Основу схемы составляет триггер DD1 с входами установки (S) и сброса (R), которые управляются компараторами напряжения на операционных усилителях (DA1 и DA2). Инверсный выход триггера Q' в режиме покоя имеет высокий уровень, поэтому времязадающий конденсатор С1 замкнут открытым транзистором VT2. Выход Out (3) имеет низкий уровень, так как включен через инвертирующий усилитель на транзисторе VT3. На входе запуска (2) делителем R3-R4-R5 задается высокий уровень напряжения, спад которого до величины Vcc/3 приводит к изменению состояния компаратора DA2 и переключению триггера DD1 в состояние с высоким уровнем (логическая 1), что приводит к низкому уровню на Q' и, соответственно, к высокому на выходе Out. Транзистор VT2 при этом запирается и начинается зарядка конденсатора С1 через резисторы R1-R2. Как только напряжение на выводе 7 станет равным 2Vcc/3, компаратор DA1 сбросит триггер, открывая тем самым транзистор VT2, разряжая конденсатор С1 через резистор R2. Далее схема переходит в режим заряда и разряда конденсатора с периодом Т = 0,693·(R1 + 2 R2)·C1, где R измеряется в омах, С — в фарадах, а Т — в секундах.
Описанный процесс хорошо виден на осциллоскопе (рис. 146, в). Луч канала А регистрирует характерные кривые заряда-разряда конденсатора, луч В — прямоугольные колебания на выходе, определяющие работу таймера. Наше сердце «Бьется, как часы (таймер), так как Доктор прописал на компьютере!». Здесь можно даже усмотреть некоторую аналогию между напряжением на конденсаторе и характером электрокардиограмм или тонограмм биений человеческого сердца, но данная модель для этого не предназначалась.
На таймере 555 выполним виртуальную модель с периодическими световыми вспышками, подключив к выходу светоизлучающий диод — LED (рис. 146, г). В программе EWB мы используем для этой цели логический пробник (Probe), находящийся в разделе Indicators. Далее, представив все устройство в виде субблока e-HEART (рис. 146, б), оформим его в виде «горящего сердца» (рис. 146, е).
Мигание светодиодов красного цвета, задаваемые таймером, дают на экране компьютера красивую картину.
Познакомившись с устройством и работой интегрального таймера 555, соберем на нем виртуальную модель из набора NS094.
Основу составляет печатная плата, посадочные отверстия в которой под светоизлучающие диоды дают условный рисунок сердца (рис. 147, а, б), а разводка дорожек соответствует приведенной выше схеме.



Рис. 147. Монтаж набора Мастер КИТ NS094:
а, б — лицевая и обратная стороны печатной платы А514; в, г — набивка и пайка компонентов; д — «Живое сердце» в сборе
Монтаж сердца начинаем с формовки и набивки компонентов (рис. 147, в). Проверяем правильность монтажа отдельных компонентов и в целом, а затем используем, усвоенную «Науку паять» (рис. 147, г). Наконец, к готовому сердцу подключаем свежую батарейку (рис. 147, б) и наблюдаем его ритмичную работу — «вспышки» красных светодиодов. Если просмотреть осциллограммы реальным осциллографом, то они будут такими же, как и выше (см. рис. 146, г).
Пульс этого сердца легко управляется сменой номиналов резисторов R1, R2 и конденсатора С1.
Собрав из набора NS094 реальное устройство (рис. 147, д) мы увидим, что оно еще более красиво, бьется ритмично и его приятно подарить своим любимым на день Святого Валентина, 8 Марта или другой подходящий праздник.
Раз, два, три — елочка, гори!
Новый год — самый любимый общий семейный праздник. Кругом горят огни елок. Заранее начинают готовиться и думать, что же подарить своим родным и друзьям. И здесь важна не цена подарка, а забота, внимание и выдумка. На помощь радиолюбителям приходит Мастер КИТ и предлагает оригинальный и интересный набор NS180 «Новогодняя елка».
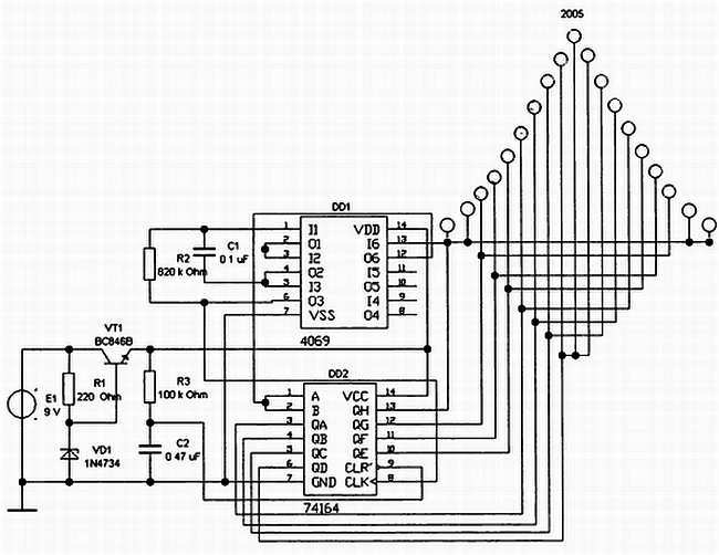
Сначала посмотрим елочку на компьютере: в программе EWB соберем ее развернутую виртуальную модель (рис. 148).

Рис. 148. Развернутая виртуальная модель электронной елочки в EWB
Для этого потребуется войти в раздел цифровых интегральных микросхем Digit и подобрать там КМОП микросхему 4069 и ТТЛ микросхему 74164. Разместив их в центре экрана, собираем слева источник питания: батарея Е1 = 9 В и стабилизатор напряжения на NPN транзисторе VT1 и стабилитроне (Zener Diode) VD1 (конкретные их типы для этой модели не принципиальны). Набрав далее необходимые резисторы и конденсаторы, собираем устройство управления елочной гирляндой. Собираем генератор, задающий тактовые импульсы, на инверторах микросхемы 4069 и подключаем его к 8-ми разрядному последовательному сдвиговому регистру на микросхеме 74164. На выходы регистра «навешиваем» гирлянду светоизлучающих диодов. В программе EWB мы используем для этой цели логический пробник (Probe), находящийся в разделе Indicators. Собрав все необходимые цепи, даем команду на моделирование. На компьютере возникает мигающая огнями елка.
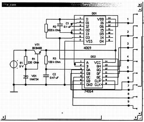
Используя технику субблоков, выделим в модели блок электронного коммутатора е_соm (рис. 149) и, используя его, придадим модели иной вид (рис. 150, а).

Рис. 149. Субблок e_com в виртуальной модели электронной елочки
Новогодняя елка от Мастера КИТ NS180
Теперь берем собственно набор и наряжаем реальную электронную елку.
Общий вид «Новогодней елки» показан на рис. 150, б.
Технические характеристики устройства
Напряжение питания… 9 В
Максимальный ток потребления… 100 мА
Размеры печатной платы… 90x133 мм
Остается поставить ее на праздничный стол и достойно, демонстрируя свои достижения в радиоэлектронике, встретить Новый год: «Гори, гори ясно!».

Рис. 150. Новогодняя елка:
а — виртуальная модель в EWB; б — набор Мастер КИТ NS180
* * *
Вот мы и побывали в этой удивительной стране:
«РАДИОЭЛЕКТРОНИКА».
Многое увидели, познали и сделали. Настала пора прощаться.
Жаль только, что некуда бросить заветную монетку…
Попрощаемся на радиоязыке:
73!
Приложение
Список принятых сокращений
АЧХ — амплитудно-частотная характеристика