Радиоэлектроника-с компьютером и паяльником - Страница 62
Отдельные молекулы воды, например в ее парах, представляют собой диполи, с двумя ионами водорода Н+ и одним дважды ионизированным атомом кислорода О2-, образующие равнобедренный треугольник с ионом кислорода при вершине с углом 105° и боковыми сторонами, равными 0,96 А°. В твердой фазе молекулы воды образуют кристаллическую решетку, ячейки которой напоминают тетраэдры для упаковки молока.
В жидкости, благодаря тепловому движению молекул, их коллективы случайным образом занимают изменяющиеся разнообразные промежуточные состояния. По образному выражению акад. Я. И. Френкеля, молекулы жидкости ведут себя подобно кочевникам: оседлый образ жизни в узлах временной местной кристаллической решетки (где они совершают колебательные движения) сопровождается их периодическими перескоками в другие положения.
Время, за которые молекулы возвращаются к равновесию, носит название времени релаксации. Оценка этого времени для полярных диэлектриков была дана голландским физиком П. Дебаем.
Согласно его теории применительно к молекулам воды, находящейся в жидкой фазе, их ориентационная поляризация и деполяризация аналогичны вращению твердой сферы в вязкой жидкости, приводящему к потерям. В зависимости от соотношения между частотой внешнего поля и величиной, обратной периоду релаксации, величина этих потерь может быть выражена через фактор потерь (tg δ) экспериментально и теоретически.
Наиболее просто воспользоваться для полуколичественных оценок интерпретацией этой зависимости с помощью приближения RC-цепей.
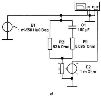
На рис. 135, а показана простейшая цепь (по Хиппелю), моделирующая релаксационные потери в воде в зависимости от частоты.
Поведение молекул воды в электромагнитном поле здесь представлено конденсатором С1, учитывающим собственно ориентационную поляризацию вещества, резистором R1 — потери при этом, а также резистором R2, учитывающим потери независимо от частоты. Источник Е1 дает возможность вместе с Боде плоттером исследовать АЧХ цепи.
Элемент, через который исследуемая цепь подключена к зажиму плоттера, является зависимым источником напряжения Е2, которое пропорционально току в измерительном резисторе (принятом за 1 мОм). То есть, попросту, это датчик тока с коэффициентом деления на 1000.



Рис. 135 Моделирование поглощения электромагнитной энергии водой в СВЧ-диапазоне:
а — модель в EWB; б — АЧХ тока в модели; в — график частотной зависимости фактора потерь
АЧХ тока в этой цепи показана на рис. 135, б, причем положение визирной линии на экране соответствует частоте примерно 2,4 ГГц. Частотная зависимость tgδ для этой же модели, в двойном логарифмическом масштабе, полученная вычислением в программе Mathcad показана на рис. 135, в.
В более точных (и, соответственно, сложных) моделях и эксперименте наблюдается максимум tgδ в области частот >1010 ГГц, но и при частоте 2,45 ГГц значение весьма велико. Это и привело к тому, что на ней работает сейчас большинство СВЧ-печей.
Выбор этих частот связан также с тем, что в отличие от электромагнитных волн инфракрасного диапазона (λ ~= 1·10-6 м и f ~= 3·1014 Гц), также невидимых человеческим глазом, и также активно поглощаемых водой и многими другими веществами (за счет колебаний отдельных атомов в сложных молекулах относительно друг друга), волны СВЧ-диапазона проникают значительно дальне в глубь тел, обеспечивая быстрый объемный, а не поверхностный, нагрев. Поэтому, если требуется не только сварить, но и поджарить, образуя корочку, СВЧ-нагрев дополняют инфракрасным (гриль).
Кроме выше перечисленных причин, существует еще и жесткий регламент на использование той или иной части спектра электромагнитных волн, и определенная коллизия заключается в том, что «гигагерцевые» частоты были отведены для спутниковой радиосвязи. В то же время, помимо, СВЧ-нагрева, на их использование уже все больше начинают претендовать и компьютеры.
Модель бытовой СВЧ-печи
В простейшей бытовой СВЧ-печи в качестве генератора используется магнетрон (см. рис. 10). Питание магнетрона осуществляется от высоковольтного (4 кВ) выпрямителя, построенного по схеме удвоения напряжения. Упрощенная схема-модель силовой части СВЧ-печи показана на рис. 136, а.
Эта модель является условной во многих отношениях, так как в программе EWB отсутствует такой схемный компонент, как магнетрон и вместо него использованы следующие компоненты: М — Triode Vacuum Tube (электровакуумный триод), работающий в режиме диода, с заземленным анодом, на который подается положительное напряжение выпрямителя относительно катода (катод в магнетронах прямой и в печах имеется отдельная цепь накала); генератор переменного напряжения Е2, модельная частота которого выбрана равной 2,45 кГц, т. е. с коэффициентом масштабирования по частоте 10-6 для удобства наблюдения процессов во времени; перемножитель сигналов X и Y. Высоковольтный трансформатор Т1 является повышающим и имеет коэффициент трансформации 0,075. В печах этот трансформатор работает в режиме, близком к магнитному насыщению, выполняя еще и функции феррорезонансного стабилизатора напряжения. Конденсатор С1, обеспечивающий удвоение напряжения в реальных устройствах, также высоковольтный на рабочее напряжение 2,1…2,5 кВ. В печах этот конденсатор обычно шунтируют резистором 1…10 МОм для разрядки после выключения, а также специальным защитным диодом предохранителем (Fuse Diode) — эти компоненты в модель не введены. Диод VD1 в модели идеальный, а в реальных устройствах высоковольтный диод или выпрямительный столб, с обратными напряжениями 12…15 кВ. Модельный резистор R1 носит подсобный характер и отчасти моделирует нагрузку.
В результате моделирования на экране осциллоскопа можно наблюдать следующую картину (рис. 136, б). Луч А (верхний на рис. 136, б) регистрирует отрицательные полуволны напряжения, а луч В — пачки высокочастотных радиоимпульсов. Примерно так же (только с частотой 2,45 ГГц) выглядит изменение напряженности электрического поля на выводе магнетрона.


Рис. 136. Модель СВЧ-печи в EWB:
а — схема; б — осциллограммы сигналов
Электромагнитные волны, излучаемые антенным выводом магнетрона (см. рис. 10, а), через отрезок согласующего прямоугольного волновода направляются в камеру-резонатор. При этом выходное отверстие закрывают тонкой защитной пластинкой из радиопрозрачного материала (фторопласт и т. п.).
В камере устанавливается сложная пространственная структура электромагнитных волн, сильно зависящая от находящегося в ней материала. Основная трудность в нагреве с помощью микроволн внутри замкнутого в электромагнитном отношении объема заключается в создании и поддержании однородности нагрева внутри пространственно неоднородного по своим свойствам материала. Больше того, эти неоднородности сильно изменяются во времени. Поэтому в реальных печах вращают материал относительно поля или вращают поле относительно материла, а также, помимо основного ввода волн, выполняют специальные дополнительные апертуры (действующие отверстия) наподобие фазоинверторов в акустических системах и т. д.