Радиоэлектроника-с компьютером и паяльником - Страница 59
Дышите электричеством!
«Кислород воздуха + электроны = здоровье».
Воздушная стихия с древнейших времен считалась основой жизни. Шумеры поклонялись воздуху, почитая в нем отца Богов, царя Неба и Земли, владыку всех стран. Древнегреческий философ Анаксимен Милетский (VI в. до н. э.) считал воздух тем первоначалом, из которого все возникает и в которое все возвращается. Один из основоположников античной медицины Гиппократ (ок. 460–370 г. до н. э.) называл воздух «пастбищем жизни» и весьма активно практиковал аэротерапию. Легенды и научные изыскания свойств «хорошего» и «живого» воздуха: лесного, степного, горного и морского, приходят к нам через произведения писателей (Гете), художников (Микельанджело) и ученых (Гамильтон).
Научную разгадку секрета «живого» воздуха дал замечательный советский ученый с мировым именем Александр Леонидович Чижевский (1897–1964).
В меморандуме Международного конгресса по биологической физике и биологической космологии, который проходил в 1939 году в Нью-Йорке, отмечалось, что открытия Чижевского имеют для человечества первостепенное практическое значение и развертывают новые горизонты в науках о жизни: «Проф. Чижевский смело перебрасывает мосты между явлениями природы и вскрывает закономерности, мимо которых проходили тысячи естествоиспытателей»… Он «является также выдающимся художником и утонченным поэтом-философом. олицетворяя для нас, живущих в XX веке, монументальную личность да Винчи». Конгресс избрал Чижевского одним из своих почетных председателей и выдвинул его кандидатуру на соискание Нобелевской премии. Однако на конгресс проф. Чижевского не пустили. Вскоре началась война, и Нобелевский комитет надолго прервал свои заседания.
Вся жизнь Чижевского — это жизнь «мученика Науки».
Вершиной творчества Чижевского можно назвать открытие им влияния солнечной активности на динамику исторического процесса. Другое его открытие связано с тем, что наличие электрических зарядов в воздухе — одно из необходимых условий нормального развития высокоорганизованной жизни.
На большом статистическом материале А. Л. Чижевский убедительно показал, что основу «живого» воздуха составляют отрицательно заряженные ионы кислорода, названные им, для различения с заряженными частицами аэрозолей, «легкими аэроионами». В наше время их окрестили «воздушными витаминами».
Чижевским была сконструирована простейшая установка для генерирования подобных ионов, разновидности которой сегодня известны во всем мире как «Люстра Чижевского», а у нас ласково по-свойски ее называют «Чижевкой».
Основу источника ионов составляет электрический генератор высокого напряжения. Положительный полюс выхода этого генератора, согласно Чижевскому, заземляется, а отрицательный — подводится к ряду игольчатых электродов.
При напряженности электрического поля вблизи острий примерно 15 кВ/см в воздухе при нормальных условиях происходит так называемый «темный» разряд, характеризующийся очень малыми силами токов и почти полным отсутствием свечения газа. В процессе газового разряда вблизи острий, имеющих отрицательный потенциал относительно земли, к нейтральным молекулам кислорода присоединяются электроны, образуя отрицательные ионы кислорода («легкие аэроионы Чижевского»). Эти ионы отталкиваются от отрицательно заряженных острий и перемещаются в направлении положительного электрода (элементы заземления), попадая в окружающий воздух. Особенностью правильного режима работы «Люстры Чижевского» является создание необходимой концентрации именно отрицательных аэроинов кислорода, отсутствие образования в электрическом разряде озона и оксидов азота и продуктов «электроэрозии» электродов, а также экранировка от сопутствующих электрических полей в зоне расположения людей.
В качестве генератора высокого напряжения Чижевский, при проведении начальных опытов, использовал импульсный повышающий трансформатор с электрохимическим прерывателем (катушка Румкорфа с сернокислотным прерывателем Венельта). Пузырьки газа при электролизе резко прерывали ток в первичной обмотке, создавая в ней ЭДС самоиндукции, которая увеличивалась во вторичной обмотке, достигая 50…100 кВ. (Подобный принцип создания импульсов высокого напряжения, но только за счет прерывания тока механическими или полупроводниковыми устройствами, используется в системах зажигания автомобилей.) В промышленных установках Чижевский использовал высоковольтные рентгеновские трансформаторы с кенотронными выпрямителями.
Развитие электроники привело к созданию эффективных источников высокого напряжения, которые позволяют использовать открытие Чижевского в быту. Одним из возможных вариантов, на котором удобно изучить их работу, является описываемое ниже устройство.
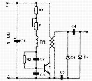
Принципиальная электрическая схема ионизатора показана на рис. 130, а: он состоит из блокинг-генератора и умножителя напряжения.

Рис. 130. Принципиальная электрическая схема ионизатора воздуха Мастер КИТ NS311
Блокинг-генератор выполнен на транзисторе Т и высоковольтном трансформаторе TR. Умножитель напряжения состоит из элементов схемы D1, D2 и С4, С5. Сопротивление R2 служит для ограничения до 200 мкА тока короткого замыкания.
Рассмотрим работу устройства на модели в программе EWB. Наличие в схеме трехобмоточного высоковольтного импульсного трансформатора создает определенные трудности в создании виртуальной модели. Поэтому смоделируем работу устройства поблочно: вначале создадим модель блокинг-генератора, а затем умножителя напряжения.
Модель блокинг-генератора
Модель блокинг-генератора в программе EWB показана на рис. 131,а.
В качестве трансформатора TR в этой части модели будем использовать идеальный трансформатор Ideal Transformer из раздела Basic. Свойства трансформатора выберем в соответствии с рекомендациями, которые были даны ранее при описании модели преобразователя постоянного напряжения Мастер КИТ NK131 (см. рис. 96). Соответствующие изменения видны на рис. 131, б, где показано окно выбора параметров трансформатора. Остальные Элементы выбираем в соответствии с описанием набора, за исключением транзистора, поскольку в библиотеке программы отсутствует модель типа BD135.
Для наблюдения процесса генерации, схема дополнена двухканальным осциллоскопом. Развернув лицевую панель осциллоскопа и выполнив на ней необходимые предустановки, после включения моделирования, получим характерную картину генерации импульсов (рис. 131, в). Здесь верхний луч (канал А) регистрирует импульсы на базе транзистора, а нижний (канал В) — на его коллекторе. Собственно вот этот характерный вид импульсов и заложен в название генератора: блокинг-генератор — это такой однокаскадный релаксационный генератор, в котором положительная обратная связь входной и выходной цепей обеспечивается импульсным трансформатором. Импульсный трансформатор имеет ненасыщающийся магнитопровод («сердечник»). В катушке Румкорфа и автомобильной бобине — это разомкнутый магнитопровод из магнито-мягкой стальной проволоки, в генераторах строчной и кадровой разверток телевизионных приемников — специальные типы ВЧ-ферритов.
Автоколебательный процесс заряда и разряда конденсаторов в цепи базы транзистора сопровождается периодическим отпиранием транзистора и его переводом в активный режим, что приводит в свою очередь к приращению коллекторного тока до его насыщения. Этот ток за счет трансформаторной связи (при определенной «фазировке» обмоток) в свою очередь приводит к приращению базового тока.