Путеводитель в мир электроники. Книга 2 - Страница 72
Ретранслятор команд на ИК-лучах
Как много прекрасных вещей окружает теперь человека!
И с каждым днем все плотнее, плотнее…
Большая часть современной радиоаппаратуры предусматривает дистанционное управление от пульта, излучающего инфракрасные (ИК) лучи. Это излучение имеет длину волны 0,78…1,0 микрометра и лежит в невидимой части спектра. Такой сигнал, так же как и обычный видимый глазом свет (у него длина волны находится в диапазоне 0,38…0,78 мкм), подчиняется законам оптики и из-за малой мощности распространяется на небольшое расстояние.
Обычно пульт управления действует не более чем с 5…6 м. Но иногда требуется управлять радиоаппаратурой с большего расстояния или же из соседней комнаты. Возможна ситуация, когда радиоаппаратуру удобнее установить скрытно и так, что прямая оптическая связь между ИК-передатчиком и ИК-приемником будет отсутствовать или она окажется затрудненной. Во всех этих случаях нужен ретранслятор команд.
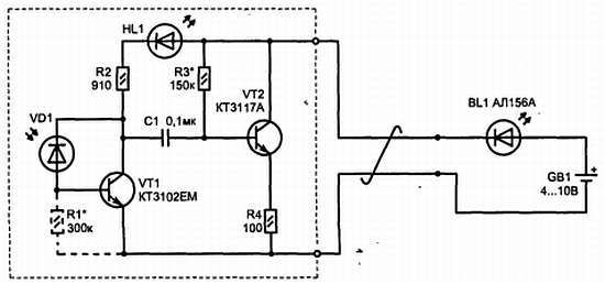
Самая простая схема, способная выполнить эту задачу, приведена на рис. 15.29. Она позволяет преобразовать ИК-лучи в электрический сигнал, который передается по проводам на нужное расстояние, а затем этот сигнал опять превратить в ИК-лучи.
Схема состоит всего из двух транзисторов: усилителя напряжения (VT1) и усилителя тока (VT2). Между базой и коллектором первого транзистора установлен инфракрасный фотодиод (VD1). Сигнал с фотодиода довольно слабый, для его усиления по напряжению и необходим VT1. Обратное включение ИК-фотодиода позволяет получить большую чувствительность и динамический диапазон — его сопротивление под действием ИК-лучей меняется, изменяя ток базы транзистора, что приводит к изменению тока коллектора в соответствии с коэффициентом усиления.

Рис. 15.29. Схема ретранслятора ИК-команд
В данной схеме небольшая внешняя засветка фотодиода не влияет на работу, благодаря отрицательной обратной связи через сам фототодиод. Увеличение постоянного тока через BL1 приводит к уменьшению напряжения на коллекторе VT1, что в свою очередь уменьшает ток через фотодиод. Мигание светодиода HL1 в такт импульсам ИК-передатчика говорит о том, что схема работает и кодовая посылка принята для ретрансляции. Импульсы с коллектора VT1 через конденсатор С1 поступают на каскад эмиттерного повторителя для увеличения тока, проходящего по цепи питания.
Излучающий фотодиод включен последовательно в цепь питания на удаленном конце провода, и импульсы тока, проходящие через него, вызывают ИК-излучение. Этот ИК-диод располагается на небольшом расстоянии (не более 20 см) от фотоприемника радиоаппаратуры.
Дальность, на которой воспринимает команды фотоприемник ретранслятора, зависит от типа и чувствительности установленного в схему ИК-фотодиода (это расстояние может достигать 40 см). Так как у фотодиодов разных типов разное обратное сопротивление, подбор резистора R1 позволяет убрать подсвечивание индикатора HL1, если оно есть при отсутствии команд.
Схема сохраняет работоспособность при изменении питающего напряжения от 4,5 до 10 В. При этом потребляемый ток составляет 1,5…2,5 мА (во время ретрансляции импульсов увеличивается на 2 мА). Ток, потребляемый схемой, надо проверить и если он больше, чем указано, то подобрать (увеличить) резистор R3.
Несколько слов о деталях. Светодиод HL1 использован с диаметром корпуса 3 мм (из серии КИПД24 или аналогичных импортных) — им для свечения достаточно небольшого тока (1…5 мА), в отличие от других типов. В качестве ИК-излучающих и приемных диодов подойдут очень многие типы из современных отечественных или импортных. Транзистор VT2 можно заменить на любой из серии КТ3102, но в этом случае потребуется подбор-резистора R1 (в некоторых случаях он может вообще не устанавливаться). Резисторы и конденсаторы годятся любые.
Кроме излучающего ИК-диода (BLI), для монтажа всех остальных элементов можно воспользоваться печатной платой, показанной на рис. 15.30. Ее миниатюрные размеры позволяют в качестве корпуса взять колпачок от сетевой вилки (именно он показан на рисунке) или же коробку от конфет «Тик-так».

Рис. 15.30. Топология печатной платы и внешний вид конструкции
Как сделать «Люстру Чижевского»
Медицина за последнее время ушла далеко вперед от тех, кого лечит.
Устройство названо так в честь своего гениального изобретателя, биофизика и основоположника гелиобиологии, Александра Леонидовича Чижевского (1897–1964). Благодаря своим достижениям он был принят почетным членом 18 академий мира. Многогранная научная и литературная деятельность ученого позволила американцам с восхищением его называть «Леонардо да Винчи XX века». Его идеи были настолько передовыми, что не все современники готовы были к их пониманию. На вопрос, чему он, собственно, посвятил себя, сам ученый отвечал: «Электричеству жизни!».
Давайте познакомимся с одним из изобретений А. Л. Чижевского. Как вы знаете из первой книги, в воздухе всегда имеются ионизированные молекулы — ионы (положительные и отрицательные). Ученый установил, что, чем в воздухе больше отрицательных аэроионов, тем он полезнее. Электрометрические измерения показали интересную зависимость содержания аэроионов в разных местах, приведенную в табл. 15.3.

Из таблицы видно, что в жилых помещениях концентрация сильно снижается — аэроионов в десятки раз меньше, чем это необходимо для того, чтобы быть здоровым. Такого количества еле хватает для жизни, способствует быстрой утомляемости, а также появлению разных заболеваний. Но лучше все же не доводить дело до необходимости лечения, а создать нужную концентрацию искусственно. Увеличить насыщенность воздуха в помещении отрицательными аэроионами можно с помощью специального устройства — аэроионизатора.
Сегодня существуют научно обоснованные нормы по содержанию отрицательных ионов, в которых указано, что необходимым минимумом в производственном помещении должно являться 600 ионов/см3, а оптимальное содержание 3000…5000 ионов/см3. Как этого можно добиться? Ведь основная часть молекул воздуха электрически нейтральна… В естественных условиях причиной ионизации может являться энергия фотонов света, ударная энергия (при столкновении разогретых движущихся молекул), а также излучения радиоактивных микрочастиц. В природе некоторые растения способны выделять отрицательные ионы в больших количествах. Более редкой причиной ионизации служит электростатическое поле, например во время грозы. Подробно с физикой происходящих процессов можно познакомиться в статье [2].
Профессором Чижевским был разработан принцип искусственной аэроионизации воздуха в помещениях и создано первое устройство для этих целей — электроэффлювиальная люстра («эффлювий» — по-гречески означает «истечение»). Она впоследствии получила более короткое название: «Люстра Чижевского» — ведь конструкция была немного похожа на люстру и крепилась к потолку. В авторском варианте излучатель выполняется в виде обруча (диаметром 75…100 см), внутри которого натянута проволочная сетка, рис. 15.35, а. В узлах сетки закреплено много острых иголочек длиной 34…45 мм. Когда к иголочкам подведено высокое отрицательное напряжение, с них стекают заряды (электроны), которые присоединяются к молекулам воздуха, превращая их в отрицательные аэроионы [3].